Запчасти Case 621B (4-56) - CAB REAR WIPER (04) - ELECTRICAL SYSTEMS

Схема запчастей Case 621B - (4-56) - CAB REAR WIPER (04) - ELECTRICAL SYSTEMS
11
4
13
6
17
9
3
20
5
18
21
10
2
15
14
12
22
16
19
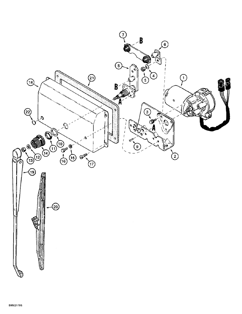
1
7
8
FIT
1:1
100%

Артикул

Название

Примечание

Количество

A187672

WIPER MOTOR

MOTOR, WIPER ASSEMBLY, with Bracket, 24 Volt, Includes: Ref. 1 - 9

1шт.

1

A187535

WIPER MOTOR

MOTOR, WIPER 24 volt, included in A187672 motor assembly

1шт.

2

N8359

SUPPORT

BRACKET windshield wiper assembly

1шт.

3

N8362

CAPTIVE WASHER SCREW,Hex, M6 x 18.50mm, Gr 10.9

with washer, special

3шт.

4

N8361

SPRING WASHER

Belleville, retaining

1шт.

5

L112090

NUT

8 mm, retaining

1шт.

6

N8360

SUPPORT

ARM drive

1шт.

7

N8358

LINK

LINK wiper

1шт.

8

N14112

SHAFT

pivot

1шт.

9

N8356

SCREW,Phillips Drive, Flat HD, M5 x 8mm

special

4шт.

10

L112088

WASHER

special, shaft

1шт.

11

L112087

NUT

special, shaft

1шт.

12

L112089

WASHER

wave, special

1шт.

13

L112090

NUT

hex, special, 8 mm

1шт.

14

L112081

CAP

pivot shaft end

1шт.

15

192-81007

LOCK WASHER,1/4"

1шт.

16

414-48

BOLT,Hex, 1/4" - 28 x 1/2", Gr 5

1шт.

17

140-112

SCREW,Cross Pan Hd, 1/4" - 20 x 3/4"

4шт.

18

1339894C1

COVER

mounting, rear wiper, tan

1шт.

18

193323A1

COVER

mounting, rear wiper, gray

1шт.

19

A187712

WIPER ARM,Single, 500mm L

ARM, WIPER 375 mm (14-3/4 in) Long, Complete

1шт.

20

A187909

WIPER BLADE

BLADE, WIPER arm, Complete, Used in Production, 500 mm (19-11/16 in) long, No Loner Availabe, Order 132024A1 for complete Wiper Arm Blade, See Below For Refill Blade

1шт.

20

132024A1

WIPER BLADE

arm, complete

1шт.

21

1345074C1

GASKET,5mm Thk

cover, one piece

1шт.

22

353-405

PLUG,Dome, .562" hole, Nylon

9/16 in, Used on 1339894C1 Tan Cover

1шт.

22

353-403

PLUG,Dome, .437" hole, Nylon

Used on 193323A1 Gray Cover

1шт.

1983335C1

WIPER

BLADE rubber, 500 mm Long, Replacement Blade Refill for A187909

1шт.

Выбрано товаров: 27