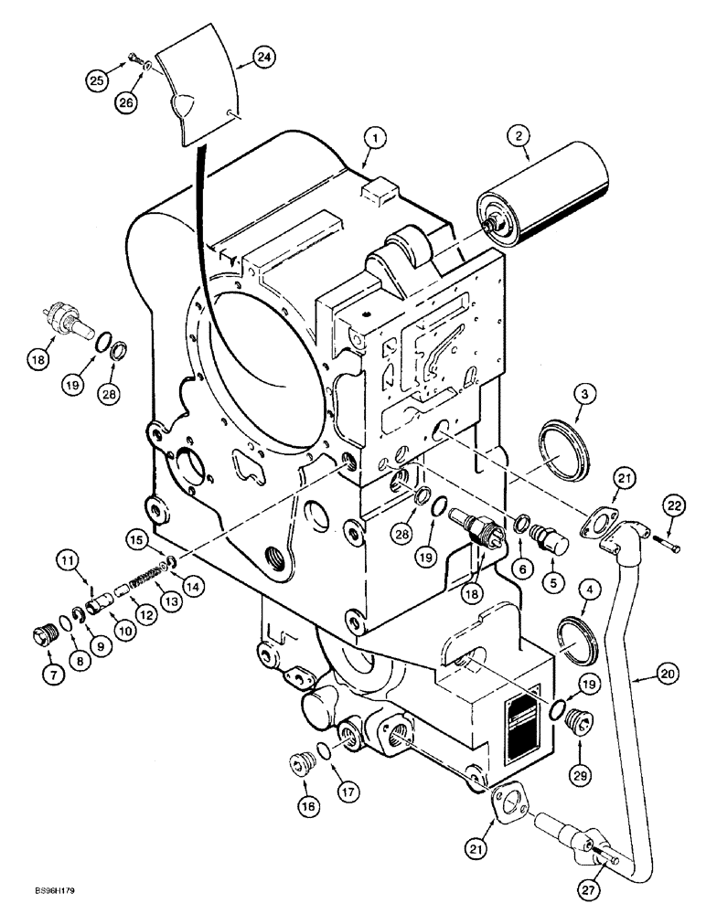
Запчасти Case 621B (6-09) - TRANSMISSION ASSEMBLY, HOUSING, P.I.N. JEE0052701 AND AFTER (06) - POWER TRAIN

Схема запчастей Case 621B - (6-09) - TRANSMISSION ASSEMBLY, HOUSING, P.I.N. JEE0052701 AND AFTER (06) - POWER TRAIN
10
16
4
21
19
22
7
28
1
3
29
19
11
28
9
18
17
26
13
12
14
20
6
25
18
19
8
21
5
24
2
15
27
FIT
1:1
100%

Артикул

Название

Примечание

Количество

241952A1

TRANSMISSION

ASSEMBLY, ZF No. 4642 054 052, Includes: Ref. 2 and 3 on Figure 6-02, Ref. 12 - 16 on Figure 6-04, Ref. 4 and 25 on Figure 6-06, and all items on this figure and Figures 6-10 - 6-24 and 6-27A - 6-32

1шт.

241952A1R

REMAN-TRANSMISSION

Remanufactured Transmission; 621B, P.I.N. JEE0052701 & after, Model Number 4WG150, Stock Number 4642 054 052

1шт.

241952A1C

CORE-TRANSMISSION

Return Number

1шт.

1

103609A1

HOUSING

transmission

1шт.

2

299380A1

FILTER

FILTER, OIL transmission, replaces 185161A1 filter

1шт.

3

E135201

SEAL

PLUG expansion, 106 mm

1шт.

4

E135169

PLUG

expansion, 80 mm

2шт.

5

E135079

PLUG

14 mm-1.5

1шт.

6

1968430C1

O-RING

plug

1шт.

7

E135082

PLUG

hex, special

1шт.

8

A52368

SEAL

O-RING plug

1шт.

9

933917R1

SNAP RING,M28, Int

1шт.

10

E135200

SPACER

SLEEVE valve, converter pressure

1шт.

11

E135126

DOWEL,4mm OD x 27.5mm L

PIN special

1шт.

12

E135166

VALVE POPPET

PISTON converter pressure

1шт.

13

E135134

SPRING

converter pressure valve

1шт.

14

895-11010

WASHER,11mm ID x 20mm OD x 2mm Thk

1шт.

15

E135020

CIRCLIP

RING snap

1шт.

16

E135080

PLUG

22 x 1.5 mm

1шт.

17

100080A1

O-RING,2mm Thk x 19mm ID, 70 Duro

plug

1шт.

18

315733A1

SENSOR

transmission speed, replaces S300494 sensor

2шт.

19

106970A1

SEALING RING

plug

3шт.

20

198801A1

TUBE

TUBE suction

1шт.

21

237302A1

GASKET

suction tube

2шт.

22

827-8050

BOLT,Hex, M8 x 1.25 x 50mm, Cl 10.9

2шт.

24

S301526

PROTECTION PLATE

GUARD splash, internal housing

1шт.

25

614-8012

BOLT,Hex, M8 x 1.25 x 12mm, Cl 8.8, Full Thd

3шт.

26

895-11008

WASHER,9mm ID x 16mm OD x 1.6mm Thk

3шт.

27

130346A1

BOLT

8-1.25 x 30 mm

2шт.

28

S300497

SHIM,1.5mm Thk

1шт.

28

S300498

SHIM,1.4mm Thk

1шт.

28

S300499

SHIM,1.2mm Thk

1шт.

28

S300500

SHIM,1mm Thk

1шт.

28

S300501

SHIM,2mm Thk

1шт.

28

S300502

SHIM,0.5mm Thk

1шт.

28

S300503

SHIM,0.3mm Thk

1шт.

28

S300504

SHIM,0.2mm Thk

1шт.

28

S300505

BLOCK

SHIM, 1.6 mm thick

1шт.

28

S300506

SHIM,1.8mm Thk

1шт.

29

129792A1

PLUG

18 x 1.5 mm

1шт.

Выбрано товаров: 40