Запчасти Case 621B (6-20) - TRANSMISSION ASSEMBLY, OUTPUT SHAFT AND GEAR (06) - POWER TRAIN

Схема запчастей Case 621B - (6-20) - TRANSMISSION ASSEMBLY, OUTPUT SHAFT AND GEAR (06) - POWER TRAIN
3
4
15
1
8
8
7
7
6
1
14
16
2
11
10
2
20
5
9
12
19
4
18
17
3
8
13
FIT
1:1
100%

Артикул

Название

Примечание

Количество

L129926

TRANSMISSION

ASSEMBLY, ZF No. 4642 054 018, Includes: Ref. 2 and 3 on Figure 6-02, Ref. 12 - 16 on Figure 6-04, Ref. 4 and 25 on Figure 6-06, and all items on Figures 6-08, 6-10 - 6-18, this figure, 6-22 - 6-26 and 6-28 - 6-32, Serial Range: -JEE0052701

1шт.

LR129926

REMAN-TRANSMISSION

Remanufactured Transmission; 621B, Prior to P.I.N. JEE0052701, Model Number 4WG150, Stock Number 4642 054 018

1шт.

LC129926

CORE-TRANSMISSION

Return Number

1шт.

241952A1

TRANSMISSION

ASSEMBLY, ZF No. 4642 054 052, Includes: Ref. 2 and 3 on Figure 6-02, Ref. 12 - 16 on Figure 6-04, Ref. 4 and 25 on Figure 6-06, and all items on Figures 6-09 - 6-18, this figure, 6-22, 6-24 and 6-27A - 6-32, Start Serial: JEE0052701

1шт.

241952A1R

REMAN-TRANSMISSION

Remanufactured Transmission; 621B, P.I.N. JEE0052701 & after, Model Number 4WG150, Stock Number 4642 054 052

1шт.

241952A1C

CORE-TRANSMISSION

Return Number

1шт.

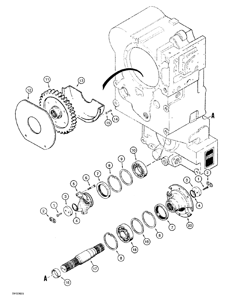
1

626-8025

BOLT,Hex, M8 x 1.25 x 25mm, Cl 10.9, Full Thd

If used

4шт.

2

S301576

LARGE PLATE

PLATE, LARGE locking

2шт.

3

S301575

STOP

RETAINER flange

2шт.

4

S301574

O-RING,4mm Thk x 38mm ID

O-RING output yoke

2шт.

5

103606A1

FLANGE

YOKE output, rear

1шт.

6

28-826

BOLT,Hex, 1/2" - 20 x 1-5/8", Gr 8

BOLT, 1/2 NF x 1-5/8 inch, grade 8

4шт.

7

103607A1

SEAL

oil, flange

2шт.

8

S301572

CIRCLIP

bearing retaining

3шт.

9

S301571

SHIM,0.1mm Thk

Roller bearing

1шт.

9

S301568

SHIM,0.3mm Thk

Roller bearing

1шт.

9

S301569

SHIM,0.5mm Thk

Roller bearing

1шт.

9

S301570

SHIM,1mm Thk

Roller bearing

1шт.

10

S301567

BEARING, ROLLER,55 mm ID x 100 mm OD x 21 mm

rear output yoke

1шт.

11

103605A1

PINION

Gear, output, 62 teeth, L129926 transmission

1шт.

11

199138A1

PINION

Gear, output, 241952A1 transmission

1шт.

12

S301523

LARGE PLATE

PLATE, LARGE output gear

1шт.

13

S301522

COVER

output gear

1шт.

14

614-8012

BOLT,Hex, M8 x 1.25 x 12mm, Cl 8.8, Full Thd

2шт.

15

895-11008

WASHER,9mm ID x 16mm OD x 1.6mm Thk

2шт.

16

S301613

TUBE,45.1 mm ID x 55 mm OD x 15 mm L

output shaft

1шт.

17

S301565

SHAFT

output

1шт.

18

S301577

BEARING, BALL,45 mm ID x 100 mm OD x 25 mm

front output yoke

1шт.

19

S301582

SHIM,1.5mm Thk

Ball bearing

1шт.

19

S301581

SHIM,1.6mm Thk

Ball bearing

1шт.

19

S301580

SHIM,1.7mm Thk

Ball bearing

1шт.

19

S301579

SHIM,1.8mm Thk

Ball bearing

1шт.

19

S301578

SHIM,1.9mm Thk

Ball bearing

1шт.

20

103608A1

FLANGE

YOKE output, parking brake, front, see Figure 7-02 for parking brake assembly and Figure 7-04 for mounting parts

1шт.

Выбрано товаров: 34