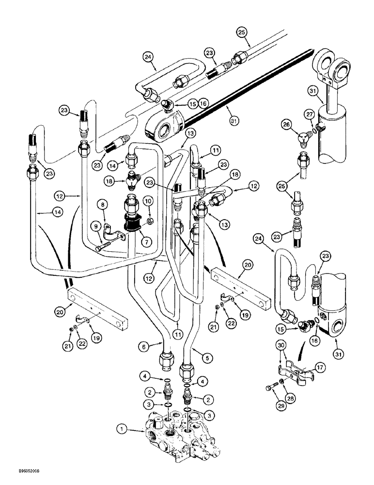
Запчасти Case 621B (8-15A) - HYDRAULIC CIRCUIT, LOADER BUCKET, XT LOADER, P.I.N. JEE0041109 AND AFTER (08) - HYDRAULICS

Схема запчастей Case 621B - (8-15A) - HYDRAULIC CIRCUIT, LOADER BUCKET, XT LOADER, P.I.N. JEE0041109 AND AFTER (08) - HYDRAULICS
24
15
23
26
12
29
12
30
23
4
12
3
23
5
2
15
2
13
19
13
16
22
23
16
14
20
18
21
28
23
20
7
31
23
27
10
11
21
6
24
8
18
19
25
4
31
3
31
23
22
11
25
14
1
9
23
17
FIT
1:1
100%

Артикул

Название

Примечание

Количество

1

REF

INSTRUCTION

Valve Assy, control, loader, see Figure 8-07A for correct assy

1шт.

2

L124290

CONNECTOR, ELEC

CONNECTOR ADAPTER straight, special, Includes: Ref. 3 and 4

2шт.

3

237-6016

O-RING,0.116" Thk x 1.171" ID, -916, Cl 6, 90 Duro

Boss End

1шт.

4

238-6024

O-RING,0.07" Thk x 1.114" ID, -24, Cl 6, 90 Duro

Flare end

1шт.

5

131096A1

TUBE,31.75 mm OD, 826, 51 mm Length

valve to cylinder, closed end

1шт.

6

131098A1

TUBE,31.75 mm OD, 826, 222 mm Length

valve to cylinder, rod end

1шт.

7

D67298

INSULATOR

rubber

2шт.

8

L124293

MOUNTING CLIP

tube

2шт.

9

426-620

BOLT,Hex, 3/8" - 16 x 1-1/4", Gr 8

4шт.

10

231-1446

NUT,3/8" - 16, Gr 5

4шт.

11

136325A1

TUBE,25.4 mm OD, 537, 446 mm Length

bucket, to right-hand cylinder, closed enD

1шт.

12

136319A1

TUBE,25.4 mm OD, 629, 534 mm Length

bucket, to left-hand cylinder, closed end

1шт.

13

136321A1

TUBE,25.4 mm OD, 629, 534 mm Length

bucket, to right-hand cylinder, rod end

1шт.

14

136323A1

TUBE,25.4 mm OD, 537, 446 mm Length

bucket, to left-hand cylinder, rod end

1шт.

15

218-5147

ELBOW,45 Degree Elbow, 1-5/16" - 12 Male JIC x 1-1/16" - 12 Male ORB

Adj. O-ring, Incl. Ref. 16

2шт.

16

237-6012

O-RING,0.116" Thk x 0.924" ID, -912, Cl 6, 90 Duro

1шт.

17

496-41041

WASHER,13/32" x 1 1/8" x .134"

4шт.

18

218-607

TEE,37º, 1 5/16"-12 x 1 5/8"-12, Run

1-5/16 flare branch x 1-5/8 flare x 1-5/16 inch flare

2шт.

19

H430900

CLAMP

tube

8шт.

20

131256A1

BAR

tapped

4шт.

21

231-1446

NUT,3/8" - 16, Gr 5

8шт.

22

495-11041

WASHER,0.406" ID x 0.812" OD x 0.065" W

(13/32 x 13/16 x 1/16")

16шт.

23

131088A1

HOSE ASSY.,19.05mm ID x 1260mm L, SAE 100R12

1260 mm (49-5/8 inch) long, to bucket cylinder tubes

4шт.

24

131923A1

TUBE

cylinder, closed end

2шт.

25

131921A1

TUBE,25.4 mm OD, 779, 58 mm Length

cylinder, rod end

2шт.

26

218-5124

ELBOW,90 Degree Elbow, 1-5/16" - 12 Male JIC x 1-1/16" - 12 Male ORB

Adj O-ring boss, Includes: Ref. 27

2шт.

27

237-6012

O-RING,0.116" Thk x 0.924" ID, -912, Cl 6, 90 Duro

1шт.

28

492-11038

LOCK WASHER,3/8"

2шт.

29

426-624

BOLT,Hex, 3/8" - 16 x 1-1/2", Gr 8

2шт.

30

L119234

CLAMP

CLAMP cylinder tubes

4шт.

31

112551A1

JACK BODY

CYLINDER ASSEMBLY, 114 (4-1/2) ID x 1001 mm (39-13/32 inch) stroke, see Figure 8-54

2шт.

138291A1

SET

KIT tilt (bucket) circuit conversion, Includes: Ref. 5, 6, 9 - 26, 28, 29 and instructions, converts 3/4 inch ID tube lines to 1 inch ID

1шт.

This kit is used with 137080A1 front chassis frame shown on Figure 9-39A when replacing 111217A1 front chassis frame on models prior to P.I.N. JEE0041109, shown on Figure 9-38.

1шт.

Выбрано товаров: 0