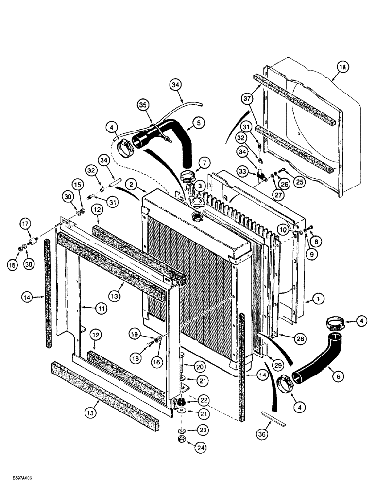
Запчасти Case 621B (2-04) - RADIATOR AND RADIATOR MOUNTING (02) - ENGINE

Схема запчастей Case 621B - (2-04) - RADIATOR AND RADIATOR MOUNTING (02) - ENGINE
27
16
24
32
26
37
1
21
10
6
15
20
34
11
34
8
2
12
9
22
4
28
4
33
5
21
15
13
30
25
12
34
14
3
23
36
19
18
31
13
7
1a
35
31
32
4
30
17
14
29
FIT
1:1
100%

Артикул

Название

Примечание

Количество

1

A189198

DEFLECTOR

SHROUD, Serial Range: -JEE0053350

1шт.

1a

255544A1

DEFLECTOR

SHROUD, Start Serial: JEE0053350

1шт.

2

253146A1

RADIATOR

Engine And Transmssion Oil Cooling; Replaces 133677a3 And 254464A1

1шт.

3

A170241

RADIATOR CAP

15 psi

1шт.

4

214-3148

HOSE CLAMP,2-1/4" - 3-1/8", HD Worm

3шт.

5

L119052

RADIATOR HOSE

45 mm (1-3/4 in) ID

1шт.

6

L119053

RADIATOR HOSE,57.20 mm ID x 345.00 mm, SAE 20R4 Class C or D-1

1шт.

7

214-3240

HOSE CLAMP,1-3/4" - 2-5/8", HD Worm, W/ Liner

1шт.

8

614-8020

BOLT,Hex, M8 x 1.25 x 20mm

8шт.

9

892-11008

LOCK WASHER,8mm ID

8шт.

10

495-21038

WASHER,5/16"

(flat, 3/8 x 7/8 x 3/32")

8шт.

11

110920A1

SUPPORT

radiator

1шт.

12

L127665

SEAL

676 mm (26-5/8 in)

2шт.

13

L128306

SEALING STRIP,50mm W x 765mm L x 38mm Thk

765 mm (30-1/8 in)

2шт.

14

L127666

SEALING STRIP,25mm W x 787mm L x 25mm Thk

787 mm (31 in)

2шт.

15

131-206

NUT,3/8"-16

4шт.

16

495-21038

WASHER,5/16"

(flat, 3/8 x 7/8 x 3/32")

8шт.

17

L127163

BOLT

MOUNT isolation, radiator support mounting

4шт.

18

614-8020

BOLT,Hex, M8 x 1.25 x 20mm

8шт.

19

892-11008

LOCK WASHER,8mm ID

8шт.

20

426-840

BOLT,Hex, 1/2" - 13 x 2-1/2", Gr 8

2шт.

21

495-81239

WASHER,17/32" x 2 1/4" x .180"

4шт.

22

L46821

SHOCK ABSORBER

INSULATOR rubber mount

2шт.

23

187563A1

SPACER

13 x 25 x 28

2шт.

24

231-1448

NUT,1/2"-13, GB

hex, NC

2шт.

25

614-8025

BOLT,Hex, M8 x 1.25 x 25mm, Cl 8.8, Full Thd

2шт.

26

892-11008

LOCK WASHER,8mm ID

2шт.

27

495-21038

WASHER,5/16"

(flat, 3/8 x 7/8 x 3/32")

2шт.

28

L128483

BAFFLE

SCREEN Sand, Grille, If Used

1шт.

29

A184608

GRILLE

SCREEN Sand, Honeycombed, If Used

1шт.

30

496-81003

WASHER,10.31mm ID x 26.98mm OD x 3.07mm Thk

4шт.

31

217-153

FITTING,5/8" Hose Barb x 1/2" Male NPTF

ADAPTER 5/8 st x 1/2 PT

2шт.

32

1954736C1

HOSE CLAMP,#24

Adjustable

2шт.

33

515-23254

CLAMP,1", Insul, 3/8" Bolt

2шт.

34

31-1293

HOSE,0.63" ID x 55.00"

1448 mm (57 in); Cut From 97252CX Bulk Hose; To Lower Radiator, If Used

1шт.

35

L18331

CABLE TIE,375.9mm L, Nylon, Black

CABLE STRAP 15"ch, retaining

1шт.

36

1340076C1

WIPER SEAL

150 mm (6 in); Used With Ref 29

1шт.

37

120112A1

INSULATOR,30mm W x 725mm L x 10mm Thk

Used With Ref 1A, 255544A1 Radiator Shroud JEE0053350 to

2шт.

97252CX

HOSE

Bulk, 16 (5/8) x 25 (1) x 15240 mm (600 in)

1шт.

Выбрано товаров: 39