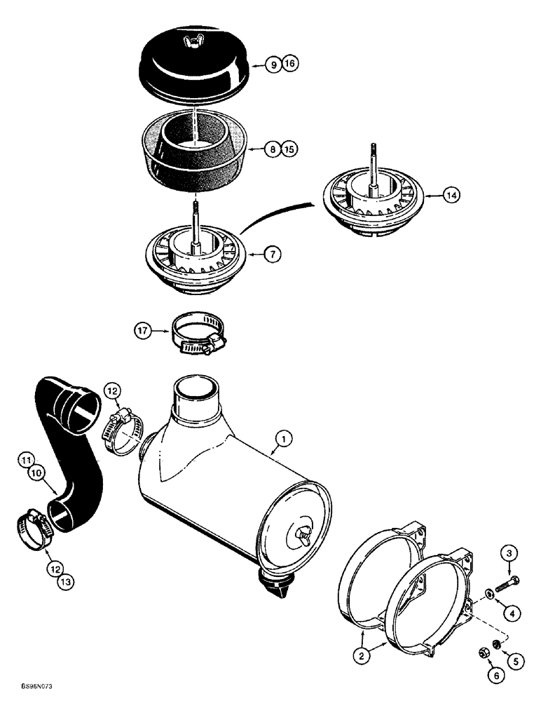
Запчасти Case 621B (2-10) - AIR CLEANER AND AIR INTAKE PARTS (02) - ENGINE

Схема запчастей Case 621B - (2-10) - AIR CLEANER AND AIR INTAKE PARTS (02) - ENGINE
14
15
9
6
10
12
2
7
12
16
11
3
5
4
13
1
8
17
FIT
1:1
100%

Артикул

Название

Примечание

Количество

1

A173852

FILTER ASSY

Air Cleaner, See Figure 2-12

1шт.

2

A149780

BAND

CLAMP air cleaner mounting

2шт.

3

426-616

BOLT,Hex, 3/8" - 16 x 1", Gr 8

4шт.

4

495-21044

WASHER,3/8"

(7/16 x 1 x 5/64 inch)

4шт.

5

492-11038

LOCK WASHER,3/8"

4шт.

6

425-106

NUT,3/8"-16, Cl 5

4шт.

A171342

PRECLEANER

ASSEMBLY air cleaner, Does Not Require Clamp At Air Cleaner; Includes: Ref. 7 - 9; No Longer Available; Order Precleaner 258538A1

1шт.

A171342 precleaner does not require a clamp at the air cleaner. 258538A1 precleaner requires a clamp, which is included with the precleaner assembly

1шт.

7

NSS

NOT SOLD SEPARAT

Body

1шт.

8

277377R1

FILTER BOWL

BOWL precleaner

1шт.

9

A42465

COVER

precleaner

1шт.

10

L129441

INTAKE AIR HOSE,76.00 mm ID, 102.00 mm ID, SAE J200

Air Cleaner To Turbocharger Inlet, Serial Range: -JEE0053350

1шт.

11

251771A1

INTAKE AIR HOSE,101.60 mm ID x 358.00 mm, SAE J200

Air Cleaner To Turbocharger Inlet JEE0053350 to

1шт.

12

L127771

CLAMP,107.95mm - 130.18mm

If Used

1-2шт.

13

L116820

CLAMP,82.55mm - 104.78mm

If Used

1шт.

258538A1

AIR INTAKE

ASSEMBLY air cleaner, Requires Clamp At Air Cleaner; Includes: Ref.0 14 - 17; Replaces A171342

1шт.

A171342 precleaner does not require a clamp at the air cleaner. 258538A1 precleaner requires a clamp, which is included with the precleaner assembly

1шт.

14

NSS

NOT SOLD SEPARAT

Body

1шт.

15

277377R1

FILTER BOWL

BOWL precleaner

1шт.

16

A42465

COVER

precleaner

1шт.

17

214-1472

HOSE CLAMP,#72, 4.06" - 5", Type F Worm

1шт.

Выбрано товаров: 21