Запчасти Case 621B (9-084) - AIR CONDITIONING CONDENSER AND MOUNTING, CONDENSER HARNESS WITH THREE RELAYS (CONTD) (09) - CHASSIS/ATTACHMENTS

Схема запчастей Case 621B - (9-084) - AIR CONDITIONING CONDENSER AND MOUNTING, CONDENSER HARNESS WITH THREE RELAYS (CONTD) (09) - CHASSIS/ATTACHMENTS
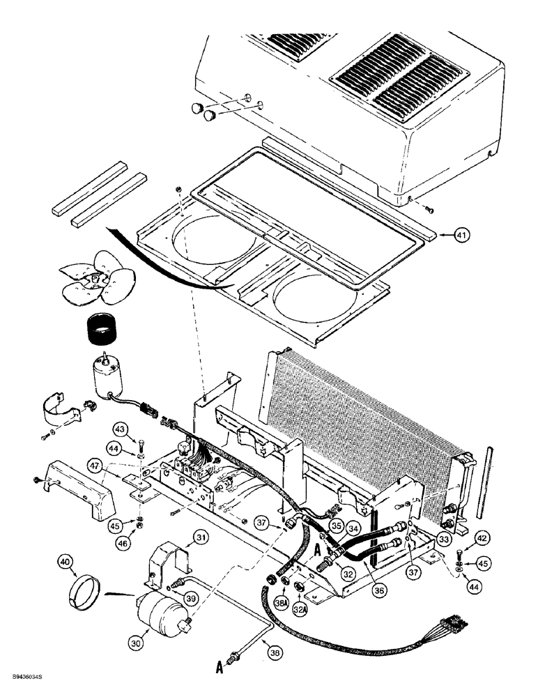
37
33
46
36
32a
34
42
38
32
31
40
35
30
45
44
47
44
41
38a
43
39
37
45
FIT
1:1
100%

Артикул

Название

Примечание

Количество

97182C4

CAPACITOR

ASSEMBLY air conditioning, Includes: Ref. 30 - 41 on this figure and parts on Figure 9-082, no longer available, order 97182C6 condenser, see Figure 9-085A

1шт.

178301A1

ASSEMBLY

CONDENSER air conditioning, with tan cover, Includes: Ref. 30 - 41 on this figure and parts of Figure 9-082, if used

1шт.

30

143469C2

RESERVOIR

RECEIVER-DRIER, air conditioning system

1шт.

31

1974861C1

SUPPORT

BRACKET receiver-drier

1шт.

32

1954630C5

HOSE

380 mm (15 inch) long, Includes: Ref. 32A - 35, supply, attaches to compressor hose

1шт.

32a

NSS

NOT SOLD SEPARAT

Nut, special, included with hose

1шт.

33

238-5013

O-RING,0.07" Thk x 0.426" ID, -13, Cl 5, 75 Duro

1шт.

34

1250594C2

CORE

Valve

1шт.

35

222-981

TUBE NUT,Cap, 3/8"-24, 45 Degree Fl

hex, 7/16-20 inch female 45 degree flare

1шт.

36

1954627C3

HOSE

500 mm (19-11/16 inch) long, Includes: Ref. 37, Serial Range: condenser-receiver-drier

1шт.

37

238-5011

O-RING,0.07" Thk x 0.301" ID, -11, Cl 5, 75 Duro

2шт.

38

1954628C4

TUBE

return, Includes: Ref. 38A and 39

1шт.

38a

425-1510

JAM NUT,Jam, 5/8"-18, G5

Hex

1шт.

39

238-5011

O-RING,0.07" Thk x 0.301" ID, -11, Cl 5, 75 Duro

1шт.

40

180623C1

SEAL

271 mm (10-11/16 inch) long, cut from 1281436C1 bulk strip, see below

1шт.

41

1977897C1

SEAL

750 mm (29-1/2 inch) long, cut from 1977902CX bulk seal, see below

1шт.

42

426-616

BOLT,Hex, 3/8" - 16 x 1", Gr 8

2шт.

43

426-620

BOLT,Hex, 3/8" - 16 x 1-1/4", Gr 8

2шт.

44

495-21044

WASHER,3/8"

(7/16 x 1 x 5/64 inch)

4шт.

45

492-11038

LOCK WASHER,3/8"

4шт.

46

425-106

NUT,3/8"-16, Cl 5

2шт.

47

L125787

LARGE PLATE

PLATE, LARGE Clamp, condenser, Serial Range: cover-hood

2шт.

1281436C1

SEAL

bulk, 22 (7/8) wide x 30480 mm (1200 inch) long, replaces 198530C1 seal

1шт.

1977902CX

SEAL

bulk, 25 (1) wide x 15240 mm (600 inch) long

1шт.

Выбрано товаров: 0