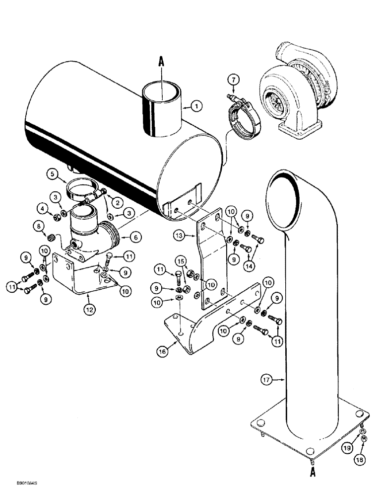
Запчасти Case 621B (2-14) - MUFFLER AND EXHAUST SYSTEM, PRIOR TO P.I.N. JEE0053350 (02) - ENGINE

Схема запчастей Case 621B - (2-14) - MUFFLER AND EXHAUST SYSTEM, PRIOR TO P.I.N. JEE0053350 (02) - ENGINE
11
9
11
15
1
10
18
9
9
10
9
11
3
9
10
9
17
16
12
7
9
8
5
14
13
10
6
3
11
9
4
19
2
10
10
10
FIT
1:1
100%

Артикул

Название

Примечание

Количество

1

A184369

MUFFLER

Exhaust

1шт.

2

426-652

BOLT,Hex, 3/8" - 16 x 3-1/4", Gr 8

1шт.

3

D41740

WASHER

3/8

2шт.

4

425-106

NUT,3/8"-16, Cl 5

1шт.

5

R27691

CLAMP

muffler to turbocharger elbow

1шт.

6

A173623

ELBOW

Turbocharger, Serial Range: exhaust-muffler

1шт.

7

A170467

CLAMP,72mm ID

includes hardware, at turbocharger

1шт.

8

217-433

PLUG,Hex Soc, 1/4" - 18 NPTF

1шт.

9

892-11010

LOCK WASHER,M10

11шт.

10

895-11010

WASHER,11mm ID x 20mm OD x 2mm Thk

13шт.

11

614-10030

BOLT,Hex, M10 x 1.5 x 30mm, Cl 8.8, Full Thd

9шт.

12

A171823

BRACKET

mounting, elbow

1шт.

13

A184489

SUPPORT

BRACKET muffler mounting

1шт.

14

614-10020

BOLT,Hex, M10 x 1.5 x 20mm, Cl 8.8, Full Thd

2шт.

15

825-1410

NUT,M10, Cl 8

2шт.

16

A184490

SUPPORT

BRACKET, Serial Range: muffler-engine

1шт.

17

L127576

TUBE

PIPE curved, exhaust

1шт.

18

231-1446

NUT,3/8" - 16, Gr 5

4шт.

19

D52275

WASHER,9.92mm ID x 31.75mm OD x 2.78mm Thk

flat, special

4шт.

Выбрано товаров: 19