Запчасти Case 621B (2-15A) - MUFFLER AND EXHAUST SYSTEM, P.I.N. JEE0053350 AND AFTER (02) - ENGINE

Схема запчастей Case 621B - (2-15A) - MUFFLER AND EXHAUST SYSTEM, P.I.N. JEE0053350 AND AFTER (02) - ENGINE
23
10
6
7
10
9
11
12
18
9
21
10
14
13
11
20
8
9
9
10
3
15
10
22
19
9
2
9
17
1
4
10
11
24
9
3
16
9
11
5
FIT
1:1
100%

Артикул

Название

Примечание

Количество

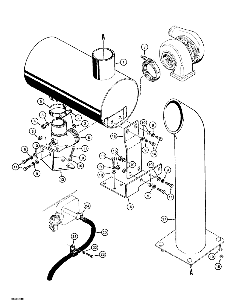
1

247316A2

MUFFLER

Exhaust

1шт.

2

426-652

BOLT,Hex, 3/8" - 16 x 3-1/4", Gr 8

1шт.

3

D41740

WASHER

3/8

2шт.

4

425-106

NUT,3/8"-16, Cl 5

1шт.

5

R27691

CLAMP

muffler to turbocharger elbow

1шт.

6

A173623

ELBOW

Turbocharger, Serial Range: exhaust-muffler

1шт.

7

A170467

CLAMP,72mm ID

includes hardware, at turbocharger

1шт.

8

221-841

PLUG

1/4 PT, replaces 217-433 plug

1шт.

9

892-11010

LOCK WASHER,M10

11шт.

10

895-11010

WASHER,11mm ID x 20mm OD x 2mm Thk

13шт.

11

614-10030

BOLT,Hex, M10 x 1.5 x 30mm, Cl 8.8, Full Thd

9шт.

12

247482A1

GUIDE

BRACKET mounting, elbow

1шт.

13

247190A1

SUPPORT

BRACKET muffler mounting

1шт.

14

614-10020

BOLT,Hex, M10 x 1.5 x 20mm, Cl 8.8, Full Thd

2шт.

15

825-1410

NUT,M10, Cl 8

2шт.

16

247197A1

BRACKET

, Serial Range: muffler-engine

1шт.

17

L127576

TUBE

PIPE curved, exhaust

1шт.

18

231-1446

NUT,3/8" - 16, Gr 5

4шт.

19

D52275

WASHER,9.92mm ID x 31.75mm OD x 2.78mm Thk

flat, special

4шт.

20

L126419

HOSE,19 mm ID x 650.00 mm

Breather, From Engine

1шт.

21

51200320

CLAMP

1 in ID

1шт.

22

892-11012

LOCK WASHER,M12

1шт.

23

614-12020

BOLT,Hex, M12 x 1.75 x 20mm, Cl 8.8, Full Thd

1шт.

24

214-1410

HOSE CLAMP,#10, 0.56" - 1.06", Type F Worm

1шт.

Выбрано товаров: 24