Запчасти Case 721B (4-34) - REAR HARNESS TO RELAY PANEL, PRIOR TO P.I.N. JEE0040040 (04) - ELECTRICAL SYSTEMS

Схема запчастей Case 721B - (4-34) - REAR HARNESS TO RELAY PANEL, PRIOR TO P.I.N. JEE0040040 (04) - ELECTRICAL SYSTEMS
19
19
18
2
8
4
13
24
22
3
25
6
18
10
11
14
16
24
1
4
3
17
7
15
21
26
23
9
17
12
23
5
20
FIT
1:1
100%

Артикул

Название

Примечание

Количество

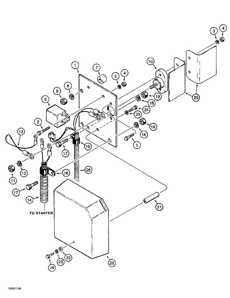
1

125058A1

LARGE PLATE

PANEL - relay mounting, replaces L124084 panel

1шт.

2

426-412

BOLT,Hex, 1/4" - 20 x 3/4", Gr 8

- hex, 1/4 NC x 3/4 inch, grade 8

2шт.

3

492-11025

LOCK WASHER,1/4"

WASHER, LOCK, 1/4"

4шт.

4

425-104

NUT,1/4"-20, Cl 5

- hex, 1/4 inch NC

4шт.

5

426-416

BOLT,Hex, 1/4" - 20 x 1", Gr 8

2шт.

6

1546542C1

RELAY

- sealed, 24 volt, starter, replaces 1546485C1 relay, no longer used, order 120398A1 relay, Ref. 6 on figure 4-35A

1шт.

7

S77915

SPACER

- relay panel mounting

2шт.

8

492-11038

LOCK WASHER,3/8"

2шт.

9

425-106

NUT,3/8"-16, Cl 5

2шт.

L124085

CONNECTOR, ELEC

BLOCK - terminal, Includes: Ref. 10 - 12

1шт.

10

NSS

NOT SOLD SEPARAT

BODY - terminal block, includes flat washer

1шт.

11

425-106

NUT,3/8"-16, Cl 5

1шт.

12

492-11038

LOCK WASHER,3/8"

1шт.

13

244375A1

HARNESS

WIRE - jumper, replaces L124102 wire

1шт.

14

L126516

HARNESS

CABLE -, Serial Range: relay-starter

1шт.

15

515-23127

CLAMP,1/2", Insul, 3/8" Bolt

P-type 1/2", Insul, 3/8" Bolt

1шт.

16

515-23190

CLAMP,3/4", Insul, 3/8" Bolt

P-type 3/4", Insul, 3/8" Bolt

1шт.

17

426-616

BOLT,Hex, 3/8" - 16 x 1", Gr 8

2шт.

18

492-11038

LOCK WASHER,3/8"

2шт.

19

425-106

NUT,3/8"-16, Cl 5

2шт.

20

L114612

COVER

- relay panel

1шт.

21

L114195

SPACER

- relay cover

1шт.

22

495-11028

WASHER,1/4", SAE

(flat, 9/32 x 5/8 x 1/16") 1/4", SAE

4шт.

23

492-11025

LOCK WASHER,1/4"

WASHER, LOCK, 1/4"

2шт.

24

426-412

BOLT,Hex, 1/4" - 20 x 3/4", Gr 8

- hex, 1/4 NC x 3/4 inch, grade 8

2шт.

25

L125774

PROTECTOR

SHIELD - heat, two used on models with auxiliary steering

1-2шт.

26

107787A1

HARNESS

- rear, see figures 4-30, 4-32, 4-48, and 4-62 for continuation of the harness

1шт.

Выбрано товаров: 27