Запчасти Case 721B (4-36) - AUXILIARY STEERING ELECTRICAL CIRCUIT (04) - ELECTRICAL SYSTEMS

Схема запчастей Case 721B - (4-36) - AUXILIARY STEERING ELECTRICAL CIRCUIT (04) - ELECTRICAL SYSTEMS
13
35
29
42
14
1
27
30
5
9
39
31
20
24
40
46
7
9
13
44
15
21
38
9
34
28
37
10
2
37
46
6
20
25
19
38
18
3
23
8
15
12
47
28
36
26
7
10
11
32
4
28
16
14
8
26
10
17
33
12a
18
43
46
19
22
41
9
8
10
44
8
FIT
1:1
100%

Артикул

Название

Примечание

Количество

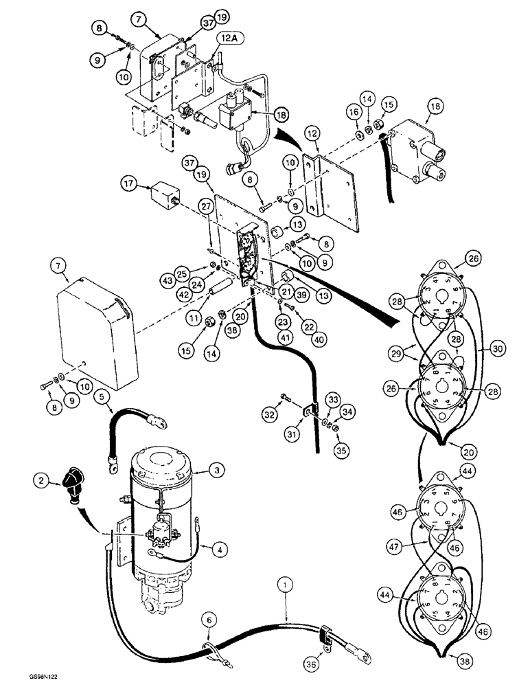
1

L129999

CABLE

- starter to auxiliary steering pump

1шт.

2

L126713

BOOT

- plastic, cable at steering pump

1шт.

3

REF

INSTRUCTION

PUMP AND MOTOR ASSEMBLY - auxiliary steering, see figure 5-12 for correct assembly

1шт.

4

A18457

ELECTRICAL WIRE

WIRE - ground, 320 mm (13 inch) long

1шт.

5

L57536

CABLE

- ground, pump, Serial Range: -JEE0053038

1шт.

5

L129707

NEG BATTERY CABLE

CABLE - ground, pump, Start Serial: JEE0053038

1шт.

6

L18337

CABLE TIE,9.95"-12.1" lg

STRAP - tie, 15 inch, nylon

1шт.

7

L114612

COVER

- relay panel

1шт.

8

426-412

BOLT,Hex, 1/4" - 20 x 3/4", Gr 8

- hex, 1/4 NC x 3/4 inch, grade 8

6шт.

9

492-11025

LOCK WASHER,1/4"

WASHER, LOCK, 1/4"

6шт.

10

495-11028

WASHER,1/4", SAE

(flat, 9/32 x 5/8 x 1/16") 1/4", SAE

6шт.

11

L114195

SPACER

- cover to socket assembly

1шт.

12

L129945

BRACKET

- mounting, auxiliary steering pressure switch, used with non-related switch L126826, Ref. 18 below

1шт.

Moisture and debris can enter the switch housing through the opening for the wiring harness.

1шт.

12a

243564A1

BRACKET

- relay mounting, auxiliary steering pressure switch, used with rotated switch L126826, Ref. 18 below

1шт.

Moisture and debris can enter the switch housing through the opening for the wiring harness.

1шт.

13

S77915

SPACER

- bracket to socket assembly

2шт.

14

492-11038

LOCK WASHER,3/8"

4шт.

15

425-106

NUT,3/8"-16, Cl 5

4шт.

16

495-11041

WASHER,0.406" ID x 0.812" OD x 0.065" W

(Flat, 13/32 x 13/16 x 1/16") 3/8", SAE

2шт.

17

L113460

RELAY,24V

- steering, auxiliary

2шт.

18

L126826

IGNITION SWITCH

SWITCH - pressure, auxiliary steering, see figures 5-12 and 5-14 for pressure hose and auxiliary steering hydraulic circuit

1шт.

18a

A149798

FUSE

- tan, 5 ampere, not shown

1шт.

L129933

SOCKET

ASSEMBLY - relay, Includes: Ref. 19 - 30, Serial Range: -JEE0042310

1шт.

19

NSS

NOT SOLD SEPARAT

BRACKET - relay socket mounting

1шт.

20

NSS

NOT SOLD SEPARAT

HARNESS - relay

1шт.

21

L73526

CLAMP

- relay harness

1шт.

22

140-104

SCREW,Cross Pan Hd, #8 - 32 x 3/4"

1шт.

23

495-21019

WASHER,#8

1шт.

24

492-11008

LOCK WASHER,#8

Washer, Lock, #8

1шт.

25

225-14108

NUT,#8-32

1шт.

26

L57132

SOCKET

- relay

2шт.

27

151-526

RIVET,Pop, 1/8" x .337"

- Break mandrel Pop, 1/8" x .337"

4шт.

28

L70845

ELECTRICAL WIRE

WIRE - ground

5шт.

29

NSS

NOT SOLD SEPARAT

WIRE -, Serial Range: relay-relay

2шт.

30

NSS

NOT SOLD SEPARAT

WIRE -, Serial Range: socket-socket

1шт.

31

515-25111

CLAMP,7/16", Insul, 1/2" Bolt

P-type, Relay harness to hydraulic tank 7/16", Insul, 1/2" Bolt

1шт.

32

33-620

CARRIAGE BOLT,Sq Nk, 3/8" - 16 x 1 1/4", Gr 5

BOLT - carriage, 3/8 NC x 1-1/4 inch

1шт.

33

495-21044

WASHER,3/8"

(flat, 7/16 x 1 x 5/64 inch) 3/8"

1шт.

34

492-11038

LOCK WASHER,3/8"

1шт.

35

425-106

NUT,3/8"-16, Cl 5

1шт.

36

L19029

CLAMP

- P-type, 1/2 inch ID

2шт.

192085A1

SUPPORT

SOCKET ASSEMBLY - relay, Includes: Ref. 37 - 47, Start Serial: JEE0042310

1шт.

37

NSS

NOT SOLD SEPARAT

BRACKET - relay socket mounting

1шт.

38

NSS

NOT SOLD SEPARAT

HARNESS - relay

1шт.

39

L73526

CLAMP

- relay harness

1шт.

40

140-104

SCREW,Cross Pan Hd, #8 - 32 x 3/4"

1шт.

41

495-21019

WASHER,#8

1шт.

42

492-11008

LOCK WASHER,#8

Washer, Lock, #8

1шт.

43

225-14108

NUT,#8-32

- hex, No. 8 NC

1шт.

44

L57132

SOCKET

- relay

2шт.

45

151-526

RIVET,Pop, 1/8" x .337"

- Break mandrel Pop, 1/8" x .337"

4шт.

46

L70845

ELECTRICAL WIRE

WIRE - ground

3шт.

47

NSS

NOT SOLD SEPARAT

WIRE -, Serial Range: relay-relay

2шт.

Выбрано товаров: 54