Запчасти Case 721B (6-08) - TRANSMISSION ASSEMBLY, HOUSING, PRIOR TO P.I.N. JEE0052701 (06) - POWER TRAIN

Схема запчастей Case 721B - (6-08) - TRANSMISSION ASSEMBLY, HOUSING, PRIOR TO P.I.N. JEE0052701 (06) - POWER TRAIN
9
22
27
9
20
12
19
32
28
18
7
23
4
5
31
16
29
26
3
30
1
29
14
8
23
10a
33
2
13
11
27a
22
25
28
24
6
10
FIT
1:1
100%

Артикул

Название

Примечание

Количество

L129912

TRANSMISSION

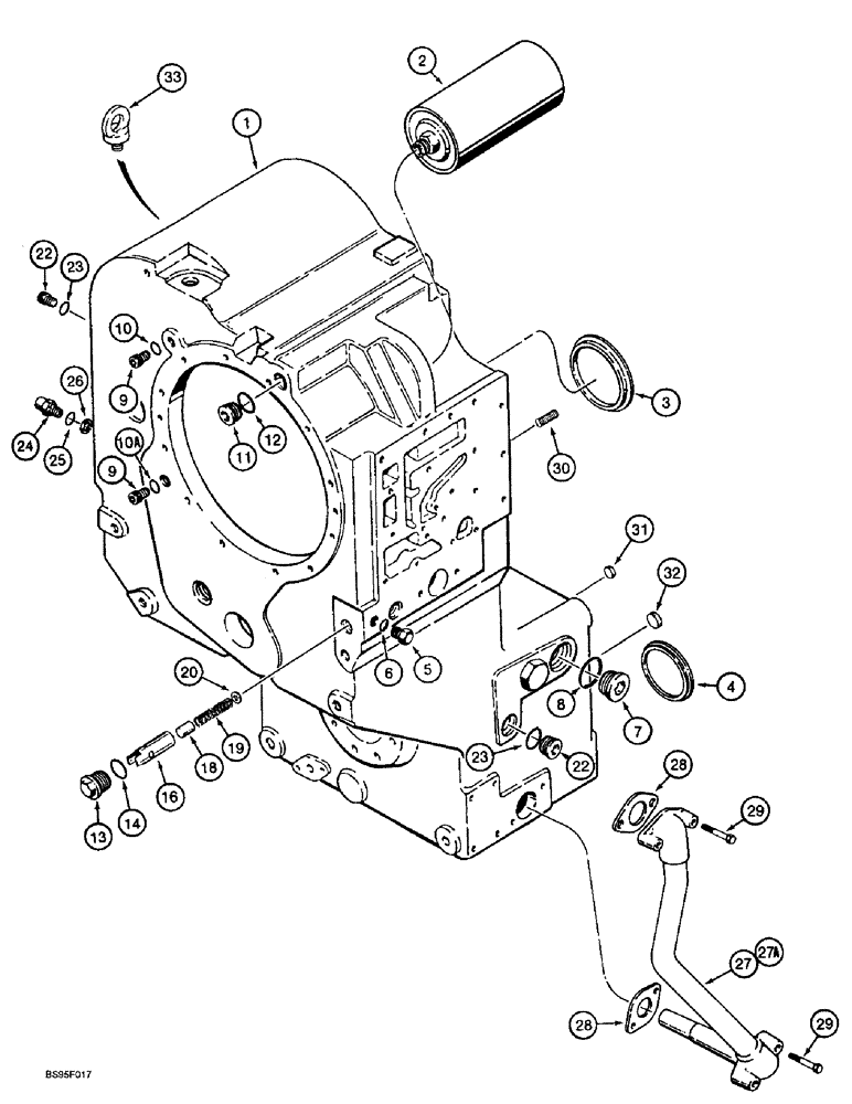
TRANSMISSION ASSEMBLY - ZF No. 4644 004 219, see figure 6-4 for parts list information, Includes: Ref. 1 - 34, Serial Range: -JEE0052701

1шт.

LR129912

REMAN-TRANSMISSION

721, PIN JAK0022758 & after, Model Number 4WG180, Stock Number 4644 004 219

1шт.

LC129912

CORE-TRANSMISSION

Return Number

1шт.

183093A1

TRANSMISSION

TRANSMISSION ASSEMBLY - ZF No. 4644 024 100, see figure 6-4 for parts list information, Includes: Ref. 1 - 34

1шт.

183093A1R

REMAN-TRANSMISSION

Remanufactured Transmission; 721B, Prior to P.I.N. JEE0052701, Model Number 4WG200, Stock Number 4644 024 100

1шт.

183093A1C

CORE-TRANSMISSION

Return Number

1шт.

1

106839A1

HOUSING

HOUSING - transmission

1шт.

Use Ref. 34 to salvage 106839A1 transmission housing.

1шт.

2

299380A1

FILTER

FILTER, OIL FILTER - transmission oil, replaces S301612 and 185161A1

1шт.

3

E135201

SEAL

PLUG - expansion, 106 mm

1шт.

4

E135169

PLUG

PLUG - expansion, 80 mm

2шт.

5

241980A1

PLUG

PLUG - hex, 14 mm - 1.5, replaces E135079 and 237251A1

1шт.

6

1968430C1

O-RING

O-RING - plug

1шт.

7

E135077

PLUG,Hex, M36 x 1.5

PLUG - pipe, 36 mm - 1.5, replaces 905476R1

1шт.

8

E135033

O-RING,2.2mm Thk x 33mm ID

O-RING - plug, replaces 81284C1

1шт.

9

E135075

PLUG

PLUG - hex socket, 14 mm - 1.5

2шт.

10

1968430C1

O-RING

O-RING - plug

2шт.

10a

933610R1

SEALING RING,M14 x 18 x 1.8

SEALING WASHER, M14 x 18 x 1.8

1шт.

11

A52148

PLUG

PLUG - hex socket, 30 mm - 1.5

1шт.

12

A52368

SEAL

O-RING - plug

1шт.

13

106949A1

PLUG

PLUG - hex, 30 mm - 1.5

1шт.

14

A52368

SEAL

O-RING - plug

1шт.

16

106951A1

SLEEVE

SLEEVE - valve, converter pressure

1шт.

18

106953A1

PISTON

PISTON - converter pressure valve

1шт.

19

106954A1

COMPRESSION SPRING

SPRING - converter pressure valve

1шт.

20

106955A1

WASHER

WASHER - flat, 15 x 28 x 2.5 mm

1шт.

22

129792A1

PLUG

PLUG - hex socket, special, 18 x 1.5 mm

2шт.

23

106970A1

SEALING RING

SEAL - replaces S300495 O-ring

2шт.

24

315733A1

SENSOR

SENSOR - transmission speed, replaces S300494

1шт.

25

106970A1

SEALING RING

SEAL - if used

1шт.

26

S300501

SHIM,2mm Thk

SHIM, , Sender, if used 2mm Thk

1шт.

26

S300506

SHIM,1.8mm Thk

SHIM, , if used 1.8mm Thk

1шт.

26

S300505

BLOCK

SHIM - 1.6 mm thick, if used

1шт.

26

S300497

SHIM,1.5mm Thk

SHIM, , if used 1.5mm Thk

1шт.

26

S300498

SHIM,1.4mm Thk

SHIM, , if used 1.4mm Thk

1шт.

26

S300499

SHIM,1.2mm Thk

SHIM, , if used 1.2mm Thk

1шт.

26

S300500

SHIM,1mm Thk

SHIM, , if used 1mm Thk

1шт.

26

S300502

SHIM,0.5mm Thk

SHIM, , if used 0.5mm Thk

1шт.

26

S300503

SHIM,0.3mm Thk

SHIM, , if used 0.3mm Thk

1шт.

26

S300504

SHIM,0.2mm Thk

SHIM, , if used 0.2mm Thk

1шт.

27

S301958

TUBE

TUBE - suction, no longer available, order 184327A1

1шт.

27a

184327A1

TUBE,480 mm Length

TUBE - suction, if used

1шт.

28

198979A1

GASKET,0.8mm Thk

GASKET - suction tube, replaces S301959

2шт.

29

827-8050

BOLT,Hex, M8 x 1.25 x 50mm, Cl 10.9

BOLT, Hex, M8 x 50, 10.9

4шт.

30

106942A1

SCREW

SCREW - set, 16 - 2.0 x 30 mm

2шт.

31

E135010

PLUG

PLUG - expansion, 22 mm

1шт.

32

E135011

PLUG

PLUG - expansion, 30 mm

1шт.

33

187232A1

EYEBOLT,M20

BOLT, EYE BOLT - hex, lift eye, lift eye

2шт.

34

187325A1

GUIDE RING

BUSHING - axial guide, not shown

1шт.

Use Ref. 34 to salvage 106839A1 transmission housing.

1шт.

Выбрано товаров: 50