Запчасти Case 721B (6-09A) - TRANSMISSION ASSEMBLY, HOUSING, P.I.N. JEE0052701 AND AFTER (06) - POWER TRAIN

Схема запчастей Case 721B - (6-09A) - TRANSMISSION ASSEMBLY, HOUSING, P.I.N. JEE0052701 AND AFTER (06) - POWER TRAIN
27
20
10
30
18
13
22
32
25
2
26
31
8
9
28
24
12
29
24
16
11
3
5
1
26
29
19
33
4
14
23
25
10
7
28
6
9
FIT
1:1
100%

Артикул

Название

Примечание

Количество

241953A1

TRANSMISSION

TRANSMISSION ASSEMBLY - ZF No. 4644 024 135, see figure 6-4 for parts list information, Includes: Ref. 1 - 34

1шт.

241953A1R

REMAN-TRANSMISSION

Remanufactured Transmission; 721B, P.I.N. JEE0052701 & after, Model Number 4WG200, Stock Number 4644 024 135

1шт.

241953A1C

CORE-TRANSMISSION

Return number

1шт.

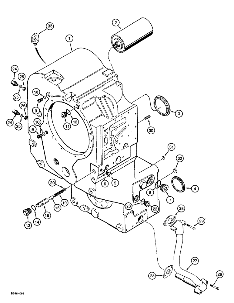
1

106839A1

HOUSING

HOUSING - transmission

1шт.

Use Ref. 34 to salvage 106839A1 transmission housing.

1шт.

2

299380A1

FILTER

FILTER, OIL FILTER - transmission oil, replaces 185161A1

1шт.

3

E135201

SEAL

PLUG - expansion, 106 mm

1шт.

4

E135169

PLUG

PLUG - expansion, 80 mm

2шт.

5

241980A1

PLUG

PLUG - hex, 14 mm - 1.5

1шт.

6

1968430C1

O-RING

O-RING - plug

1шт.

7

E135077

PLUG,Hex, M36 x 1.5

PLUG - pipe, 36 mm - 1.5, replaces 905476R1

1шт.

8

E135033

O-RING,2.2mm Thk x 33mm ID

O-RING - plug, replaces 81284C1

1шт.

9

E135075

PLUG

PLUG - hex socket, 14 mm - 1.5

2шт.

10

1968430C1

O-RING

O-RING - plug

2шт.

11

A52148

PLUG

PLUG - hex socket, 30 mm - 1.5

1шт.

12

A52368

SEAL

O-RING - plug

1шт.

13

E135082

PLUG

PLUG - hex, special

1шт.

14

A52368

SEAL

O-RING - plug

1шт.

16

106951A1

SLEEVE

SLEEVE - valve, converter pressure

1шт.

18

106953A1

PISTON

PISTON - converter pressure valve

1шт.

19

106954A1

COMPRESSION SPRING

SPRING - converter pressure valve

1шт.

20

106955A1

WASHER

WASHER - flat, 15 x 28 x 2.5 mm

1шт.

22

129792A1

PLUG

PLUG - hex socket, special, 18 x 1.5 mm

1шт.

23

106970A1

SEALING RING

SEAL - plug, replaces S300495

1шт.

24

S300494

SENDER UNIT

SENSOR - transmission speed

2шт.

25

106970A1

SEALING RING

SEAL - plug, if used

2шт.

26

S300501

SHIM,2mm Thk

SHIM, , Sender, if used 2mm Thk

1шт.

26

S300506

SHIM,1.8mm Thk

SHIM, , if used 1.8mm Thk

1шт.

26

S300505

BLOCK

SHIM - 1.6 mm thick, if used

1шт.

26

S300497

SHIM,1.5mm Thk

SHIM, , if used 1.5mm Thk

1шт.

26

S300498

SHIM,1.4mm Thk

SHIM, , if used 1.4mm Thk

1шт.

26

S300499

SHIM,1.2mm Thk

SHIM, , if used 1.2mm Thk

1шт.

26

S300500

SHIM,1mm Thk

SHIM, , if used 1mm Thk

1шт.

26

S300502

SHIM,0.5mm Thk

SHIM, , if used 0.5mm Thk

1шт.

26

S300503

SHIM,0.3mm Thk

SHIM, , if used 0.3mm Thk

1шт.

26

S300504

SHIM,0.2mm Thk

SHIM, , if used 0.2mm Thk

1шт.

27

184327A1

TUBE,480 mm Length

TUBE - suction

1шт.

28

198979A1

GASKET,0.8mm Thk

GASKET - suction tube, replaces S301959

2шт.

29

827-8050

BOLT,Hex, M8 x 1.25 x 50mm, Cl 10.9

BOLT, Hex, M8 x 50, 10.9

4шт.

30

106942A1

SCREW

SCREW - set, 16 - 2.0 x 30 mm

2шт.

31

E135010

PLUG

PLUG - expansion, 22 mm

1шт.

32

E135011

PLUG

PLUG - expansion, 30 mm

1шт.

33

187232A1

EYEBOLT,M20

BOLT, EYE BOLT - hex, lift eye

2шт.

34

187325A1

GUIDE RING

BUSHING - axial guide, not shown

1шт.

Use Ref. 34 to salvage 106839A1 transmission housing.

1шт.

Выбрано товаров: 45