Запчасти Case 721B (6-22) - TRANSMISSION ASSEMBLY, THIRD AND FOURTH CLUTCHES (06) - POWER TRAIN

Схема запчастей Case 721B - (6-22) - TRANSMISSION ASSEMBLY, THIRD AND FOURTH CLUTCHES (06) - POWER TRAIN
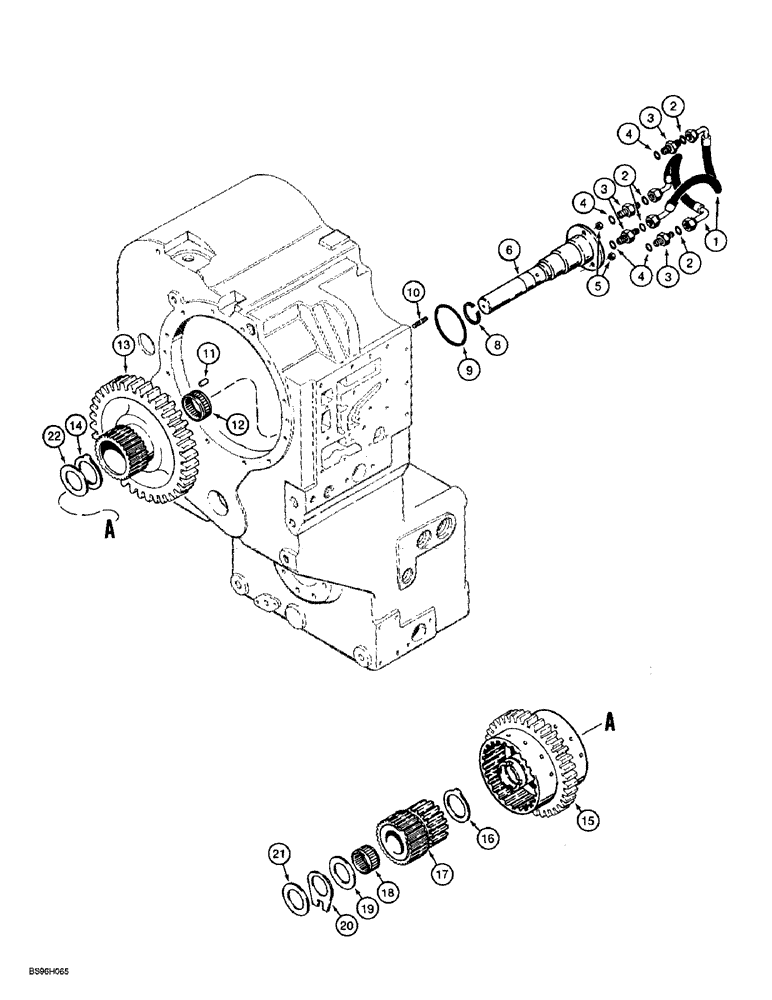
6
4
3
8
15
2
19
12
11
10
3
17
22
13
20
21
18
1
16
2
14
9
4
4
5
3
2
FIT
1:1
100%

Артикул

Название

Примечание

Количество

L129912

TRANSMISSION

TRANSMISSION ASSEMBLY ZF No. 4644 004 219, see figure 6-4 for parts list information, Includes: Ref. 1 - 22 to P.I.N. JEE0052701

1шт.

LR129912

REMAN-TRANSMISSION

721, PIN JAK0022758 & after, Model Number 4WG180, Stock Number 4644 004 219

1шт.

LC129912

CORE-TRANSMISSION

Return Number

1шт.

183093A1

TRANSMISSION

TRANSMISSION ASSEMBLY ZF No. 4644 024 100, replaces L129912 on models, see figure 6-4 for parts list information, Includes: Ref. 1 - 22 to P.I.N. JEE0052701

1шт.

183093A1R

REMAN-TRANSMISSION

Remanufactured Transmission;721B, Prior to P.I.N. JEE0052701, Model Number 4WG200, Stock Number 4644 024 100

1шт.

183093A1C

CORE-TRANSMISSION

Return Number

1шт.

241953A1

TRANSMISSION

TRANSMISSION ASSEMBLY ZF No. 4644 024 135, see figure 6-4 for parts list information, Includes: Ref. 1 - 22 P.I.N., Start Serial: JEE0052701

1шт.

241953A1R

REMAN-TRANSMISSION

Remanufactured Transmission; 721B, P.I.N. JEE0052701 & after, Model Number 4WG200, Stock Number 4644 024 135

1шт.

241953A1C

CORE-TRANSMISSION

Return number

1шт.

2

S300587

O-RING,12.4mm ID x 1.78mm Width

O-RING - adapter, hose end

4шт.

3

S301961

ADAPTER

ADAPTER - straight

4шт.

1

S300584

HOSE

HOSE - 516 mm (20-5/16 inch) long, third and fourth clutches

2шт.

4

S300586

O-RING,2.4mm Thk x 13.3mm ID, 70 Duro

O-RING - adapter, transmission end

4шт.

5

825-1408

NUT,M8, Cl 8

Nut, M8, Cl 8

2шт.

6

E136117

AXLE

AXLE third and fourth clutches, used with L129912 transmission

1шт.

6

185214A1

AXLE

AXLE third and fourth clutches, used with 183093A1 transmission

1шт.

6

237358A1

AXLE

AXLE third and fourth clutches, used with 241953A1 transmission

1шт.

8

E135145

RING,35.2mm ID x 38mm OD x 2mm Thk

RING - piston, axle shaft

3шт.

9

S300460

O-RING,3mm Thk x 49mm ID

O-RING - axle

1шт.

10

E135084

STUD

STUD - 8 - 1.25 x 18 mm

2шт.

11

E135158

BEARING, ROLLER, CYL,Needle, 15.6mm OD x 31mm L

NEEDLE bearing

12шт.

12

E135152

NEEDLE BEARING CAGE,45mm ID x 53mm OD x 27.8mm W

BEARING - needle

1шт.

13

E135275

GEAR

GEAR - third, used with L129912 transmission

1шт.

13

187239A1

PINION

GEAR third, used with 183093A1 transmission

1шт.

14

183516A1

THRUST WASHER,46.5mm ID x 65mm OD x 2.1mm Thk

WASHER - thrust, tabbed, replaces E135121

1шт.

The new thrust washers must not be used with the old. The new and the old thrust washers are different in color. The new thrust washers are gray in color and the old thrust washers are yellow.

1шт.

15

NSS

NOT SOLD SEPARAT

PACK clutch, third and fourth, see figure 6-24 for components

1шт.

16

183527A1

THRUST WASHER,Split, 36mm ID x 65mm OD x 2.1mm Thk

WASHER - thrust, tabbed, used with L129912 and 183093A1 transmissions, no longer available, order 230548A1

1шт.

The new thrust washers must not be used with the old. The new and the old thrust washers are different in color. The new thrust washers are gray in color and the old thrust washers are yellow.

1шт.

16

230548A1

THRUST WASHER

WASHER thrust, tabbed, used with 241953A1 transmission

1шт.

Ref 16 S/B 183527a1which has an od of 65mm and one tab on outside edge. If you order 230548a1 you will get a washer that is 130 mm O.D. 66.8 mm id with notched around the out side

1шт.

17

E135263

GEAR

GEAR - fourth, used with L129912 transmission

1шт.

17

187237A1

PINION

GEAR fourth, used with 183093A1 transmission

1шт.

18

E135147

NEEDLE BEARING CAGE,35mm ID x 50.1mm OD x 30.4mm W

BEARING - needle

1шт.

19

183515A1

THRUST WASHER,35.3mm ID x 70.5mm OD x 1.5mm Thk

WASHER - thrust, 35 x 70 x 1.5 mm, replaces E135120

1шт.

The new thrust washers must not be used with the old. The new and the old thrust washers are different in color. The new thrust washers are gray in color and the old thrust washers are yellow.

1шт.

20

106918A1

THRUST WASHER

WASHER - thrust, notched

1шт.

21

E135098

SHIM,0.4mm Thk

SHIM, (35.1 ID x 70 OD) 0.4mm Thk

1шт.

21

E135099

SHIM,0.6mm Thk

SHIM, (35.1 ID x 70 OD) 0.6mm Thk

1шт.

21

E135100

SHIM,35.1mm ID x 70mm OD x 0.8mm Thk

SHIM, (35.1 ID x 70 OD) 0.8mm Thk

1шт.

21

E135101

SHIM,1.0mm Thk

SHIM, (35.1 ID x 70 OD) 1.0mm Thk

1шт.

21

E135102

SHIM,1.2mm Thk

SHIM, (35.1 ID x 70 OD) 1.2mm Thk

1шт.

21

199081A1

SHIM

SHIM - 1.4 mm thick, replaces E135103

1шт.

21

199082A1

SHIM,35.1mm ID x 70mm OD x 1.6mm Thk

SHIM - 1.6 mm thick, replaces E135104

1шт.

21

199083A1

SHIM

SHIM - 1.8 mm thick, replaces E135105

1шт.

21

199084A1

SHIM,35.1mm ID x 70mm OD x 2mm Thk

SHIM - 2.0 mm thick, replaces E135106

1шт.

21

199085A1

SHIM,35.1mm ID x 70mm OD x 2.2mm Thk

SHIM - 2.2 mm thick, replaces E135107

1шт.

21

199086A1

SHIM

SHIM - 2.4 mm thick, replaces E135108

1шт.

21

199087A1

SHIM

SHIM - 2.6 mm thick, replaces E135109

1шт.

21

199088A1

SHIM,2.8mm Thk

SHIM - 2.8 mm thick, replaces E135110

1шт.

22

242136A1

WASHER

WASHER - flat, used with 241953A1 transmission

1шт.

Выбрано товаров: 51