Запчасти Case 721B (6-30) - TRANSMISSION ASSEMBLY, CONTROL VALVE (06) - POWER TRAIN

Схема запчастей Case 721B - (6-30) - TRANSMISSION ASSEMBLY, CONTROL VALVE (06) - POWER TRAIN
29
20
10
3
13
22
38
32
37
6
26
14
40
23
7
35
10
17
18
33
27
31
39
12
16
4
2
28
6
8
11
5
25
34
24
7
21a
9
15
21
1
30
7
14a
19
29
36
FIT
1:1
100%

Артикул

Название

Примечание

Количество

L129912

TRANSMISSION

TRANSMISSION ASSEMBLY - ZF No. 4644 004 219, see figure 6-4 for parts list information, Includes: Ref. 1 - 40, Serial Range: -JEE0052701

1шт.

LR129912

REMAN-TRANSMISSION

721, PIN JAK0022758 & after, Model Number 4WG180, Stock Number 4644 004 219

1шт.

LC129912

CORE-TRANSMISSION

Return Number

1шт.

183093A1

TRANSMISSION

TRANSMISSION ASSEMBLY - ZF No. 4644 024 100, replaces L129912, see figure 6-4 for parts list information, Includes: Ref. 1 - 40, Serial Range: -JEE0052701

1шт.

183093A1R

REMAN-TRANSMISSION

Remanufactured Transmission;721B, Prior to P.I.N. JEE0052701, Model Number 4WG200, Stock Number 4644 024 100

1шт.

183093A1C

CORE-TRANSMISSION

Return Number

1шт.

241953A1

TRANSMISSION

TRANSMISSION ASSEMBLY - ZF No. 4644 024 135, see figure 6-4 for parts list information, Includes: Ref. 1 - 40, Start Serial: JEE0052701

1шт.

241953A1R

REMAN-TRANSMISSION

Remanufactured Transmission; 721B, P.I.N. JEE0052701 & after, Model Number 4WG200, Stock Number 4644 024 135

1шт.

241953A1C

CORE-TRANSMISSION

Return number

1шт.

100333A1

VALVE

VALVE ASSEMBLY - transmission control, L129912 and 183093A1 transmission, Includes: Ref. 1 - 40

1шт.

250656A1

VALVE

VALVE ASSEMBLY - transmission control, 241953A1 transmission, Includes: Ref. 1 - 40

1шт.

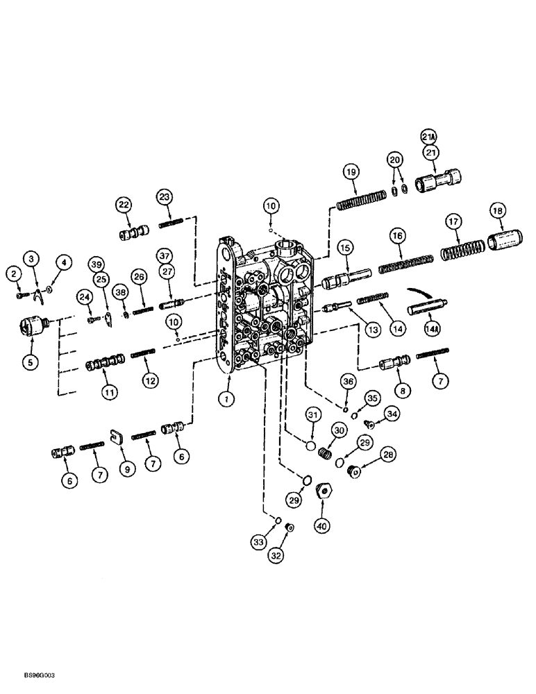
1

100334A1

HOUSING

BODY - transmission control valve, casting stamped 4644-406-372, if used

1шт.

1

178911A1

HOUSING

BODY - transmission control valve, casting stamped 4644-406-526, if used

1шт.

1

185437A1

HOUSING

BODY - transmission control valve, casting stamped 4644-406-560, if used

1шт.

1

237348A1

VALVE

BODY - transmission control valve, casting stamped 4644-306-558, if used

1шт.

2

864-5012

HEX SOC SCREW,M5 x 12mm, Cl 8.8

SCREW - hex socket, 5 - 0.8 x 12 mm

5шт.

3

S300554

LARGE PLATE

PLATE, LARGE PLATE - support, solenoid valve

5шт.

4

S300530

SHIM,5.5mm ID x 13mm OD x 2mm Thk

SHIM, , Washer - flat, special 2mm Thk

5шт.

5

100356A1

VALVE

VALVE - solenoid, L129912 and 183093A1 transmission

5шт.

5

242137A1

SOLENOID VALVE,18v

VALVE - solenoid, 241953A1 transmission

5шт.

6

100349A1

PISTON

SPOOL - number 1 bore

2шт.

7

S300540

COMPRESSION SPRING

SPRING - spool, number 1 spool

3шт.

8

100350A1

PISTON

SPOOL - number 1 bore

1шт.

9

100348A1

LARGE PLATE

PLATE, LARGE SEAT - spring

1шт.

10

S300552

BALL

BALL - valve

10шт.

11

100352A1

PISTON

SPOOL - valve, number 2 bore

1шт.

12

S300540

COMPRESSION SPRING

SPRING - spool, number 2 bore

1шт.

13

100346A1

PISTON

PLUNGER - valve, number 2 bore, used in 100334A1 and 178911A1 transmission control valve body only

1шт.

13

129805A1

PISTON

PLUNGER - valve, number 2 bore, used in 185437A1 transmission control valve body only

1шт.

14

100347A1

COMPRESSION SPRING

SPRING - plunger, number 2 bore, used with plungers, Ref. 13

1шт.

14a

250691A1

PLUG

PLUG - valve, number 2 bore, used in 237348A1 transmission control valve body only

1шт.

15

100342A1

PISTON

PLUNGER - valve, number 3 bore, used in 100334A1, 178911A1 and 185437A1 transmission control valve body only

1шт.

15

250692A1

PLUG

PLUNGER - valve, number 3 bore, used in 237348A1 transmission control valve body only

1шт.

16

100344A1

COMPRESSION SPRING

SPRING - number 3 bore, 124.1 MM long, 10.9 mm O.D.

1шт.

17

100343A1

COMPRESSION SPRING

SPRING - number 3 bore, 77.1 mm long, 21.7 mm O.D.

1шт.

18

100345A1

PISTON

PISTON - valve, number 3 bore

1шт.

19

100335A1

COMPRESSION SPRING

SPRING - spool, number 4 bore

1шт.

20

100337A1

SHIM

SHIM - spring tension

2шт.

21

100336A1

PISTON

SPOOL - valve, number 4 bore, used in 100334A1 transmission control valve body only

1шт.

21a

178912A1

PISTON

SPOOL - valve, used in 178911A1 and 185437A1 transmission control valve body only

1шт.

21b

251514A1

PISTON

Used with Valve 237348A1

1шт.

22

100353A1

PISTON

SPOOL - valve, number 5 bore

1шт.

23

S300540

COMPRESSION SPRING

SPRING - spool, number 5 bore

1шт.

24

864-5012

HEX SOC SCREW,M5 x 12mm, Cl 8.8

SCREW - hex socket, 5 - 0.8 x 12 mm

2шт.

25

100355A1

LARGE PLATE

PLATE, LARGE PLATE - support, used in 100334A1 and 178911A1 transmission control valve body only

1шт.

26

S300550

COMPRESSION SPRING

SPRING - compression

1шт.

27

185461A1

REDUCER

VALVE - reducing, used in 100334A1 and 178911A1 transmission control valve body only, replaces 100354A1

1шт.

28

129792A1

PLUG

PLUG - hex socket, special, 18 x 1.5 mm, replaces 934164R1

2шт.

29

106970A1

SEALING RING

SEAL - replaces S300495

2шт.

30

E135132

SPRING

SPRING - valve

2шт.

31

E135050

BALL

BALL - check, 16 mm O.D.

2шт.

32

A52230

PLUG

PLUG - hex socket, 10 mm - 1

7шт.

33

S300491

O-RING,8mm ID x 1.5mm Width

O-RING - special

7шт.

34

100338A1

PORT

PLUG - orifice, 0.60 mm, if used

1шт.

34

129801A1

PORT

PLUG - orifice, 0.65 mm, if used

1шт.

34

100339A1

PORT

PLUG - orifice, 0.70 mm, if used

1шт.

34

129802A1

PORT

PLUG - orifice, 0.75 mm, if used

1шт.

34

100340A1

PORT

PLUG - orifice, 0.80 mm, if used

1шт.

34

129803A1

PORT

PLUG - orifice, 0.85 mm, if used

1шт.

34

185121A1

JET

PLUG - orifice, 0.95 mm, if used

1шт.

34

129804A1

PORT

PLUG - orifice, 0.90 mm, if used

1шт.

35

S300491

O-RING,8mm ID x 1.5mm Width

O-RING - special, large

1шт.

36

100341A1

O-RING,6mm ID x 1.5mm Width

O-RING - plug, small

1шт.

37

185461A1

REDUCER

VALVE - reducing, used in 185437A1 and 234348A1 transmission control valve body only

1шт.

38

185462A1

RING, SNAP

RING SNAP RING - used in 185437A1 and 234348A1 transmission control valve body only

1шт.

39

185463A1

LARGE PLATE

PLATE, LARGE PLATE - fixing, used in 185437A1 and 234348A1 transmission control valve body only

1шт.

40

185438A1

PLUG

SLEEVE - threaded

1шт.

Выбрано товаров: 67