Запчасти Case 721B (6-36) - FRONT AXLE HOUSING (06) - POWER TRAIN

Схема запчастей Case 721B - (6-36) - FRONT AXLE HOUSING (06) - POWER TRAIN
3
12
6
8
10
7
4
11
5
10
9
1
2
FIT
1:1
100%

Артикул

Название

Примечание

Количество

107932A1

4WD AXLE ASSY

AXLE ASSEMBLY - ZF No. 4474 005 150, front, parts list figures 6-36 - 6-44, Includes: Ref. 1 - 12

1шт.

231367A1

4WD AXLE ASSY

AXLE ASSEMBLY - ZF No. 4460 065 280, front, parts list figures 6-36 - 6-44, Includes: Ref. 1 - 12

1шт.

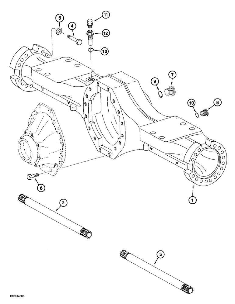
1

121425A1

HOUSING

- axle, used with 107932A1 axle assembly

1шт.

1

308856A1

HOUSING

- axle, used with 231367A1 axle assembly

1шт.

2

121426A1

SHAFT

- axle, 983 mm long

1шт.

3

121427A1

SHAFT

- axle, 1055 mm long

1шт.

4

119379A1

SCREW

BOLT - hex, special, 20 - 2.5 x 85 mm, class 10.9, used with 107932A1 axle assembly

32шт.

4

308829A1

BOLT,Hex, M20 x 1.5 x 75mm, Grade 10.9

- hex, special, 20 - 1.5 x 75 mm, class 10.9, used with 231367A1 axle assembly

32шт.

5

119381A1

BEARING WASHER

WASHER - bearing cap

32шт.

6

A52094

FLANGE BOLT

BOLT - hex flange, special, differential to axle housing

16шт.

7

A48791

PLUG

- hex socket, 42 mm thread

1шт.

8

119349A1

PLUG

- axle housing, special

1шт.

9

A52096

O-RING,2.5mm Thk x 38mm ID

- plug, large, replaces A52372

1шт.

10

A52097

O-RING,2mm Thk x 21mm ID

- plug, small

2шт.

11

A48855

VALVE

- breather

1шт.

12

8603256

PLUG

- axle housing, special

1шт.

Выбрано товаров: 16