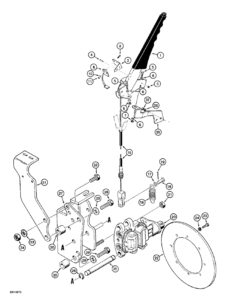
Запчасти Case 721B (7-04) - PARKING BRAKE CONTROLS AND MOUNTING (07) - BRAKES

Схема запчастей Case 721B - (7-04) - PARKING BRAKE CONTROLS AND MOUNTING (07) - BRAKES
28
18
11
6
27
6
30
5
9
21
8
36
4
7
33
25
15
19
31
3
22
6
6
23
16
29
29
32
30
34
24
2
35
5
37
1
20
17
10
28
26
FIT
1:1
100%

Артикул

Название

Примечание

Количество

1

103795A1

LEVER ASSY.

LEVER - actuator, parking brake, replaces 1999673C1

1шт.

2

1339961C1

SUPPORT

BRACKET - mounting, parking brake lever and parking brake switch

1шт.

3

225-14108

NUT,#8-32

- hex, No. 8 NC

2шт.

4

470-1088

SCREW,Slotted Pan Hd, #8-32 x 1/2"

- machine, pan head slotted, No. 8 NC x 1/2 inch

2шт.

5

426-416

BOLT,Hex, 1/4" - 20 x 1", Gr 8

2шт.

6

495-21031

WASHER,1/4"

- flat, 5/16 x 3/4 x 1/16 inch

4шт.

7

231-1444

NUT,1/4"-20, GB

NUT, LOCK, 1/4"-20, GB

2шт.

8

1343288C2

LIMIT SWITCH

SWITCH - parking brake

1шт.

9

140-103

SCREW,Cross Pan Hd, #6 - 32 x 3/4"

2шт.

10

495-31016

WASHER,#6

2шт.

11

230-42406

LOCK NUT,#6-32, GA

NUT - hex, self-locking, No. 6 NC

2шт.

15

L129816

CABLE,1323.09mm L

- brake, parking, Serial Range: brake-lever

1шт.

16

L129805

SPRING

- parking brake

1шт.

17

495-21044

WASHER,3/8"

(flat, 7/16 x 1 x 5/64 inch) 3/8"

1шт.

18

427-6088

CLEVIS PIN,3/8" x 3/4"

PIN - clevis, 3/8 x 7/8 inch, hardened, cable to brake

1шт.

19

432-612

COTTER PIN,3/32" x 3/4"

PIN , SPLIT (COTTER), 3/32" x 3/4"

1шт.

20

L129717

BRAKE, PARKING

BRAKE ASSEMBLY - parking, parts list figure 7-2

1шт.

21

231-1446

NUT,3/8" - 16, Gr 5

NUT - hex, self-locking, 3/8 inch NC

1шт.

22

L129611

BRAKE DISC

DISC - parking brake

1шт.

23

614-10030

BOLT,Hex, M10 x 1.5 x 30mm, Cl 8.8, Full Thd

Full Thd Hex, M10 x 30, 8.8

8шт.

24

892-11010

LOCK WASHER,M10

8шт.

25

L130034

ROD,15.9mm OD x 166mm L

- mounting, Serial Range: brake-bracket

2шт.

26

100-3362

SNAP RING,#62, .480" Dia, E-Type

Ring, Retaining, #62, .480" Dia, E-Type

4шт.

27

L130037

BRACKET

- mounting

1шт.

28

614-20060

BOLT,Hex, M20 x 2.5 x 60mm, Cl 8.8, Full Thd

2шт.

29

496-11081

WASHER,13/16" x 1 1/2" x .134", HDN

Flat 13/16" x 1 1/2" x .134", HDN

2шт.

30

L130035

SPACER

- bracket

2шт.

31

116989A1

SUPPORT

- bracket, parking brake, replaces L129862

1шт.

32

426-824

BOLT,Hex, 1/2" - 13 x 1-1/2", Gr 8

- hex, 1/2 NC x 1-1/2 inch, grade 8

2шт.

33

80679

LOCK WASHER,1/20.507 CST ZND

WASHER, LOCK, 1/2"

2шт.

34

425-108

NUT,1/2" - 13, Gr 5

NUT, , Hex 1/2"-13, G5

2шт.

35

1999796C1

SUPPORT

BRACKET - mounting, parking brake lever

1шт.

36

495-21038

WASHER,5/16"

(flat, 3/8 x 7/8 x 3/32") 5/16"

2шт.

37

231-1445

NUT,5/16"-18, GB

NUT - hex, self-locking, 5/16 inch NC

2шт.

Выбрано товаров: 34