Запчасти Case 721B (8-007A) - HYDRAULIC CIRCUIT, LOADER CONTROL VALVE TO FILTER, XT LOADER (08) - HYDRAULICS

Схема запчастей Case 721B - (8-007A) - HYDRAULIC CIRCUIT, LOADER CONTROL VALVE TO FILTER, XT LOADER (08) - HYDRAULICS
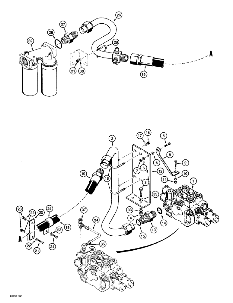
2
2
26
24
10
22
31
27
19
14
35
19
21
17
20
30
11
12
37
6
16
4
33
9
22
36
7
5
29
1
28
18
6
23
3
15
32
22
13
8
34
19
33
FIT
1:1
100%

Артикул

Название

Примечание

Количество

1

117764A1

VALVE

ASSEMBLY - control, two spool, V50-488-B stamped on part, if used, not showm, part list figure 8-31A, see figure 8-66, for mounting hardware, no longer available, order 138753A1 controlvalve, 135646A1 tube, 218-5222 tee & 218-5278 elbow

1шт.

1

133729A1

VALVE

ASSEMBLY - control, two spool, V50-517 stamped on part, if used, not shown, parts list figure 8-31A, see figure 8-66 for mounting hardware, no longer available, order 138753A1 valve

1шт.

1

138753A1

VALVE

ASSEMBLY - control, two spool, V50-517-C stamped on part, if used, shown, parts list figure 8-31A, see 8-66 for mounting hardware

1шт.

1

114617A1

VALVE

ASSEMBLY - control, three spool, V50-464-C stamped on part, if used not shown, parts list Fig. 8-33A, see fig. 8-72 for mounting hardware, no longer available, order 138754A1 control valve, 135646A1 tube, 218-5222 tee & 218-5278 elbow

1шт.

1

133731A1

VALVE

ASSEMBLY - control, three spool, V50-518 stamped on part, if used, not shown, parts list figure 8-33A, see figure 8-72 for mounting hardware

1шт.

1

138754A1

VALVE

ASSEMBLY- control, three spool, V50-518-C stamped on part, if used, not shown, parts list figure 8-33A, see figure 8-72 for mounting hardware

1шт.

1

108611A1

VALVE

VALVVE ASSEMBLY - control, four spool, V50-465-D stamped on part, if used, not shown, parts list Fig. 8-35A, see Fig. 8-76 for mounting hardware, no longer available, order 138755A1 valve, 135646A1 tube, 218-5222 tee, & 218-5278 elbow

1шт.

1

133732A1

VALVE

ASSEMBLY - control, four spool, V50-519 stamped on part, if used, not shown, parts list figure 8-35A, see figure 8-76 for mounting hardware, no longer available, order 138755A1 valve

1шт.

1

138755A1

VALVE

ASSEMBLY - control, four spool, V50-519-C stamped on part, if used, not shown, parts list figure 8-35A, see 8-76 for mounting hardware

1шт.

2

L127085

PIPE,38.09 mm OD

TUBE - return, from loader control valve, replaces 113880A1

1шт.

See figure 8-7E for noise control kit, if used.

1шт.

3

426-828

BOLT,Hex, 1/2" - 13 x 1-3/4", Gr 8

- hex, 1/2 NC x 1-3/4 inch, grade 8

2шт.

4

231-1448

NUT,1/2"-13, GB

- hex, self-locking, 1/2 inch NC

2шт.

5

426-624

BOLT,Hex, 3/8" - 16 x 1-1/2", Gr 8

- hex, 3/8 NC x 1-1/2 inch, grade 8

1шт.

6

496-81003

WASHER,10.31mm ID x 26.98mm OD x 3.07mm Thk

- flat, 13/32 x 1-1/16 x 3/32 inch, hardened

2шт.

7

231-1406

LOCK NUT,3/8"-16, GB

NUT - hex, self-locking, 3/8 inch NC

1шт.

8

L119251

SUPPORT

BRACE - support, tube mounting bracket

1шт.

9

426-624

BOLT,Hex, 3/8" - 16 x 1-1/2", Gr 8

- hex, 3/8 NC x 1-1/2 inch, grade 8

1шт.

10

496-81003

WASHER,10.31mm ID x 26.98mm OD x 3.07mm Thk

- flat, 13/32 x 1-1/16 x 3/32 inch, hardened

1шт.

11

231-1406

LOCK NUT,3/8"-16, GB

NUT - hex, self-locking, 3/8 inch NC

1шт.

12

L119013

SUPPORT

BRACKET - mounting, supply tube

1шт.

13

L124289

CONNECTOR, ELEC

ADAPTER - straight, special, tube to valve, Includes: Ref. 14 and 15

1шт.

14

237-6020

O-RING,0.118" Thk x 1.475" ID, -920, Cl 6, 90 Duro

20-1, 90 Duro, 1.475" ID x .118" Thk, Boss end

1шт.

15

S98648

O-RING

- 1-3/8 ID x 1/16 inch wide, flare end

1шт.

16

L105791

U-BOLT

- special

2шт.

17

495-21038

WASHER,5/16"

(flat, 3/8 x 7/8 x 3/32") 5/16"

4шт.

18

231-1445

NUT,5/16"-18, GB

NUT - hex, self-locking, 5/16 inch NC

4шт.

19

L124235

HOSE,31.8mm ID x 1050mm L, SAE 100R3

- 1050 mm (41-5/16 inch) long, return, Serial Range: valve-filter

1шт.

See figure 8-7E for noise control kit, if used.

1шт.

20

L50641

CONNECTING STRIP

STRAP - mounting, hose clamp

1шт.

21

426-624

BOLT,Hex, 3/8" - 16 x 1-1/2", Gr 8

- hex, 3/8 NC x 1-1/2 inch, grade 8

1шт.

22

495-21044

WASHER,3/8"

(flat, 7/16 x 1 x 5/64 inch) 3/8"

4шт.

23

231-1406

LOCK NUT,3/8"-16, GB

NUT - hex, self-locking, 3/8 inch NC

2шт.

24

426-620

BOLT,Hex, 3/8" - 16 x 1-1/4", Gr 8

1шт.

25

R14097

CLAMP

- P-type

1шт.

26

L126399

TUBE,38.09 mm OD

- return, hose to filter

1шт.

27

218-5074

HYD CONNECTOR,1-7/8" - 12 Male JIC x 1-7/8" - 12 Male ORB

ADAPTER - straight, 1-7/8-12 inch flare x O-ring boss, Includes: Ref. 28

1шт.

28

237-6024

O-RING,0.118" Thk x 1.720" ID, -924, Cl 6, 90 Duro

24-1, 90 Duro, 1.72" ID x .118" Thk

1шт.

29

L105791

U-BOLT

- special

1шт.

30

495-21038

WASHER,5/16"

(flat, 3/8 x 7/8 x 3/32") 5/16"

2шт.

31

231-1445

NUT,5/16"-18, GB

NUT - hex, self-locking, 5/16 inch NC

2шт.

32

L126373

FILTER ASSY

FILTER ASSEMBLY - hydraulic oil, parts list and mounting figure 8-8

1шт.

33

187563A1

SPACER

- 13 x 25 x 28 mm

4шт.

34

135646A1

HYD TUBE,9.25 mm OD, 107, 95 mm Length

TUBE - hydraulic, lift section to inlet/outlet section

1шт.

35

218-5105

ELBOW,90 Degree Elbow, 9/16" - 18 Male JIC x 9/16" - 18 Male ORB

- 90 degree, 9/16-18 inch flare x adj. O-ring boss, Includes: Ref. 36

1шт.

37

218-5222

TEE,37 Degree, 9/16"-18, x 9/16"-18, Fem Sw Run

- swivel, 9/16-18 inch flare branch x flare x swivel

1шт.

36

237-6006

O-RING,0.078" Thk x 0.468" ID, -906, Cl 6, 90 Duro

6-1, 90 Duro, .468" ID x .078" Thk

1шт.

Выбрано товаров: 47