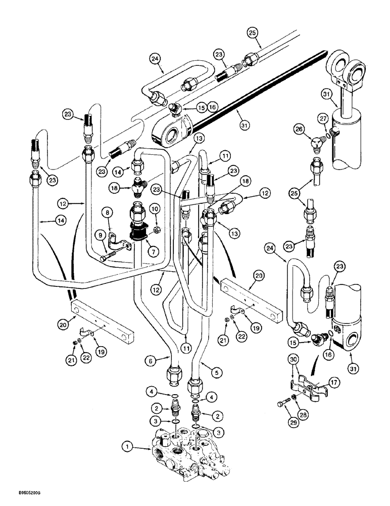
Запчасти Case 721B (8-015A) - HYDRAULIC CIRCUIT, LOADER BUCKET, XT LOADER, P.I.N. JJEE0041109 & AFTER (08) - HYDRAULICS

Схема запчастей Case 721B - (8-015A) - HYDRAULIC CIRCUIT, LOADER BUCKET, XT LOADER, P.I.N. JJEE0041109 & AFTER (08) - HYDRAULICS
24
9
21
31
29
11
18
20
23
11
15
22
2
31
27
22
14
5
4
19
23
23
23
13
28
3
25
16
3
14
7
6
16
21
10
13
31
25
23
30
24
4
1
2
23
12
17
12
23
26
23
19
18
12
8
20
15
FIT
1:1
100%

Артикул

Название

Примечание

Количество

1

REF

INSTRUCTION

VALVE ASSEMBLY - control, loader, see figure 8-7A for correct assembly

1шт.

2

L124290

CONNECTOR, ELEC

ADAPTER - straight, special, Includes: Ref. 3 and 4

2шт.

3

237-6016

O-RING,0.116" Thk x 1.171" ID, -916, Cl 6, 90 Duro

16-1, 90 Duro, 1.171" ID x .118" Thk

1шт.

4

238-6024

O-RING,0.07" Thk x 1.114" ID, -24, Cl 6, 90 Duro

Flare end -024, 90 Duro, 1.114" ID x .070" Thk

1шт.

5

131096A1

TUBE,31.75 mm OD, 826, 51 mm Length

- valve to cylinder, closed end

1шт.

Part of Tilt Kit, P/N 138291A1

1шт.

6

131098A1

TUBE,31.75 mm OD, 826, 222 mm Length

- valve to cylinder, rod end

1шт.

Part of Tilt Kit, P/N 138291A1

1шт.

7

D67298

INSULATOR

- rubber

2шт.

8

L124293

MOUNTING CLIP

CLAMP - tube

2шт.

9

426-620

BOLT,Hex, 3/8" - 16 x 1-1/4", Gr 8

4шт.

Part of Tilt Kit, P/N 138291A1

1шт.

10

231-1446

NUT,3/8" - 16, Gr 5

NUT - hex, self-locking, 3/8 inch NC

4шт.

Part of Tilt Kit, P/N 138291A1

1шт.

11

136325A1

TUBE,25.4 mm OD, 537, 446 mm Length

- bucket, to right-hand cylinder, closed end

1шт.

Part of Tilt Kit, P/N 138291A1

1шт.

12

136319A1

TUBE,25.4 mm OD, 629, 534 mm Length

- bucket, to left-hand cylinder, closed end

1шт.

Part of Tilt Kit, P/N 138291A1

1шт.

13

136321A1

TUBE,25.4 mm OD, 629, 534 mm Length

- bucket, to right-hand cylinder, rod end

1шт.

Part of Tilt Kit, P/N 138291A1

1шт.

14

136323A1

TUBE,25.4 mm OD, 537, 446 mm Length

- bucket, to left-hand cylinder, rod end

1шт.

Part of Tilt Kit, P/N 138291A1

1шт.

15

218-5147

ELBOW,45 Degree Elbow, 1-5/16" - 12 Male JIC x 1-1/16" - 12 Male ORB

Adj., O-ring, Includes: Ref. 16 45º, 1 5/16"-12 x 1 1/16"-12, 37º

2шт.

Part of Tilt Kit, P/N 138291A1

1шт.

16

237-6012

O-RING,0.116" Thk x 0.924" ID, -912, Cl 6, 90 Duro

12-1, 90 Duro, .924 ID x .116" Thk

1шт.

Part of Tilt Kit, P/N 138291A1

1шт.

17

496-41041

WASHER,13/32" x 1 1/8" x .134"

- flat, 13/32 x 1-1/8 x 9/64 inch, hardened

4шт.

Part of Tilt Kit, P/N 138291A1

1шт.

18

218-607

TEE,37º, 1 5/16"-12 x 1 5/8"-12, Run

- 1-5/16 flare branch x 1-5/8 flare x 1-5/16 inch flare

2шт.

Part of Tilt Kit, P/N 138291A1

1шт.

19

H430900

CLAMP

- tube

8шт.

Part of Tilt Kit, P/N 138291A1

1шт.

20

131256A1

BAR

- tapped

4шт.

Part of Tilt Kit, P/N 138291A1

1шт.

21

231-1446

NUT,3/8" - 16, Gr 5

NUT - hex, self-locking, 3/8 inch NC

8шт.

Part of Tilt Kit, P/N 138291A1

1шт.

22

495-11041

WASHER,0.406" ID x 0.812" OD x 0.065" W

(Flat, 13/32 x 13/16 x 1/16") 3/8", SAE

16шт.

Part of Tilt Kit, P/N 138291A1

1шт.

23

131088A1

HOSE ASSY.,19.05mm ID x 1260mm L, SAE 100R12

HOSE - 1260 mm (49-5/8 inch) long, to bucket cylinder tubes

4шт.

Part of Tilt Kit, P/N 138291A1

1шт.

24

131923A1

TUBE

- cylinder, closed end

2шт.

Part of Tilt Kit, P/N 138291A1

1шт.

25

131921A1

TUBE,25.4 mm OD, 779, 58 mm Length

- cylinder, rod end

2шт.

Part of Tilt Kit, P/N 138291A1

1шт.

26

218-5124

ELBOW,90 Degree Elbow, 1-5/16" - 12 Male JIC x 1-1/16" - 12 Male ORB

- 90 degree, 1-5/16-12 flare x 1-1/16-12 inch adj., O-ring boss, Includes: Ref. 27

2шт.

Part of Tilt Kit, P/N 138291A1

1шт.

27

237-6012

O-RING,0.116" Thk x 0.924" ID, -912, Cl 6, 90 Duro

12-1, 90 Duro, .924 ID x .116" Thk

1шт.

28

492-11038

LOCK WASHER,3/8"

2шт.

Part of Tilt Kit, P/N 138291A1

1шт.

29

426-624

BOLT,Hex, 3/8" - 16 x 1-1/2", Gr 8

- hex, 3/8 NC x 1-1/2 inch, grade 8

2шт.

Part of Tilt Kit, P/N 138291A1

1шт.

30

L119234

CLAMP

CLAMP - cylinder tubes

4шт.

31

112551A1

JACK BODY

CYLINDER ASSEMBLY - 114 (4-1/2) ID x 1001 mm (39-13/32 inch) stroke, parts list figure 8-54

2шт.

138291A1

SET

KIT tilt, includes Refs. 5, 6, 9-26, 28, 29 and instructions, converts 3/4 inch I.D. tube lines to 1 inch I.D.

1шт.

This kit is used with 137080A1 front chassis frame shown on page 9-43B when replacing 111217A1 front chassis frame on models prior to P.I.N. JEE0041109, shown on figure 9-42.

1шт.

Выбрано товаров: 55