Запчасти Case 721B (8-058) - MALE MASTER COUPLER (08) - HYDRAULICS

Схема запчастей Case 721B - (8-058) - MALE MASTER COUPLER (08) - HYDRAULICS
10
10
7
11
8
4
2
6
18
7
16
14
3
5
12
6
17
11
15
9
1
20
15
19
13
5
FIT
1:1
100%

Артикул

Название

Примечание

Количество

114513A1

COUPLING

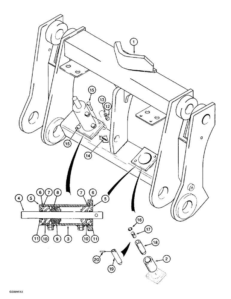
COUPLER ASSEMBLY - male master, Includes: Ref. 1 - 20

1шт.

The complete assembly is available from the supplier through your local dealer. Component parts listed are available at your local dealer.

1шт.

1

NSS

NOT SOLD SEPARAT

FRAME ASSEMBLY - coupler, Includes: Ref. 2

1шт.

2

120827A1

BUSHING

- frame

2шт.

120828A1

CYLINDER

ASSEMBLY - auxiliary bucket, Includes: Ref. 3 - 11

2шт.

3

NSS

NOT SOLD SEPARAT

TUBE - cylinder

1шт.

4

120829A1

ROD

ASSEMBLY - includes piston

1шт.

5

120830A1

GLAND

- cylinder

1шт.

120831A1

SEAL KIT

KIT - seal, cylinder, Includes: Ref. 6 - 11

1шт.

6

NSS

NOT SOLD SEPARAT

RING - backup

2шт.

7

NSS

NOT SOLD SEPARAT

O-RING - gland

2шт.

8

NSS

NOT SOLD SEPARAT

SEAL - piston

1шт.

9

NSS

NOT SOLD SEPARAT

RING - piston

1шт.

10

NSS

NOT SOLD SEPARAT

SEAL - rod

2шт.

11

NSS

NOT SOLD SEPARAT

WIPER - rod

2шт.

12

425-108

NUT,1/2" - 13, Gr 5

NUT, , Hex 1/2"-13, G5

4шт.

13

80679

LOCK WASHER,1/20.507 CST ZND

WASHER, LOCK, 1/2"

4шт.

14

138-173

LOCK PIN,3/8" x 1 3/8", Slotted

PIN, 3/8" x 1 3/8", Slotted

2шт.

15

326-832

BOLT,Hex, 1/2" - 13 x 2", Gr 8

4шт.

16

100-21150

SNAP RING,1.50", Int, #150

Ring, Snap, 1.50", Int, #150

2шт.

17

120832A1

COLLAR

- cylinder rod

2шт.

18

120833A1

PIN

- coupler

2шт.

19

249145A1

PIN

- coupler

2шт.

20

249144A1

PIN

- roll, used with 249145A1 coupler pin

2шт.

Выбрано товаров: 24