Запчасти Case 721B (9-028) - TRUNNION AND LUBRICATION LINES (09) - CHASSIS/ATTACHMENTS

Схема запчастей Case 721B - (9-028) - TRUNNION AND LUBRICATION LINES (09) - CHASSIS/ATTACHMENTS
7
10
2
17
5
14
9
5
1
4
9
8
3
6
6
10
15
11
7
13
12
16
8
FIT
1:1
100%

Артикул

Название

Примечание

Количество

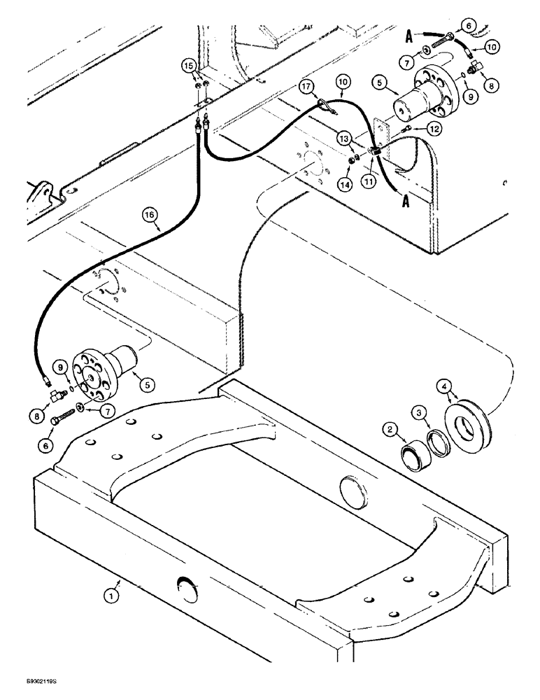
115278A1

TRUNNION

ASSEMBLY - rear frame, Includes: Ref. 1 and 2

1шт.

1

NSS

NOT SOLD SEPARAT

TRUNNION - rear frame

1шт.

2

L109938

BUSHING,70.18mm ID x 82.69mm OD x 41mm L

- trunnion

2шт.

3

D95147

WIPER SEAL,69.8mm ID x 82.58mm OD x 7.92mm Thk

WIPER - piston rod

2шт.

4

302573A1

SHIM

- 3.18 mm (1/8 inch) thick, replaces L110183

3шт.

4

302574A1

SHIM

- 4.76 mm (3/16 inch) thick, replaces L110184

1шт.

5

L119222

AXLE PIN

PIN - trunnion

2шт.

6

426-1240

BOLT,Hex, 3/4" - 10 x 2-1/2", Gr 8

- hex, 3/4 NC x 2-1/2 inch, grade 8

12шт.

7

D34666

WASHER,33.34mm ID x 63.5mm OD x 2.38mm Thk

- flat, special, 3/4 inch

12шт.

8

218-5450

ELBOW,90 Degree, 7/16"-20 ORB x 1/8" NPT Fem

- 90 degree, 7/16-20 O-ring boss x 1/8 inch female PT, Includes: Ref. 9

2шт.

9

237-6004

O-RING,0.072" Thk x 0.351" ID, -904, Cl 6, 90 Duro

4-1, 90 Duro, .351" ID x .072" Thk

1шт.

10

L72667

HOSE

- 1524 mm (60 inch) long, lubrication, front trunnion

1шт.

11

515-23127

CLAMP,1/2", Insul, 3/8" Bolt

P-type, Front lubrication hose to front trunnion bar 1/2", Insul, 3/8" Bolt

3шт.

12

426-512

BOLT,Hex, 5/16" - 18 x 3/4", Gr 8

- hex, 5/16 NC x 3/4 inch, grade 8

1шт.

13

492-11031

LOCK WASHER,5/16"

WASHER, LOCK, 5/16"

3шт.

14

425-105

NUT,5/16"-18, G5

- hex, 5/16 inch NC

3шт.

15

F53473

LOCK NUT,1/8-27 NPSM

- special

2шт.

16

L54694

HOSE,4.8mm ID x 1041mm L

- 1041 mm (41 inch) long, lubrication, rear trunnion

1шт.

17

L18337

CABLE TIE,9.95"-12.1" lg

STRAP - tie, 15 inch, nylon

1шт.

Выбрано товаров: 19