Запчасти Case 721B (9-090) - AIR CONDITIONING CONDENSER AND MOUNTING, CONDENSER HARNESS W/ THREE RELAYS (CONT) (09) - CHASSIS/ATTACHMENTS

Схема запчастей Case 721B - (9-090) - AIR CONDITIONING CONDENSER AND MOUNTING, CONDENSER HARNESS W/ THREE RELAYS (CONT) (09) - CHASSIS/ATTACHMENTS
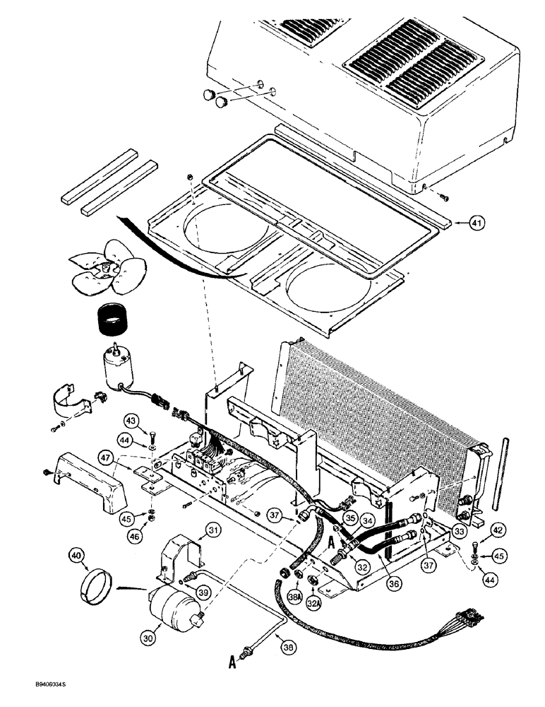
32
45
44
37
30
43
45
33
32a
41
46
44
39
40
34
36
38a
47
37
38
42
31
35
FIT
1:1
100%

Артикул

Название

Примечание

Количество

97182C4

CAPACITOR

CONDENSER ASSEMBLY - air conditioning, , Includes: Ref. 30 - 41 and 1 - 3- on Fig. 9-88

1шт.

30

1990758C2

RECEIVER-DRYER

RECEIVER-DRIER - air conditioning, replaces 143469C2

1шт.

31

1974861C1

SUPPORT

BRACKET - receiver-drier

1шт.

32

1954630C5

HOSE

- 380 mm (15 inch) long, supply, attaches to compressor hose, Includes: Ref. 32A - 37

1шт.

32a

NSS

NOT SOLD SEPARAT

NUT - special, included with hose

1шт.

33

238-5013

O-RING,0.07" Thk x 0.426" ID, -13, Cl 5, 75 Duro

-013, 70 Duro, .426" ID x .070" Thk

1шт.

34

1250594C2

CORE

VALVE - core

1шт.

35

222-981

TUBE NUT,Cap, 3/8"-24, 45 Degree Fl

CAP - hex, 7/16-20 inch female 45 degree flare

1шт.

36

1954627C3

HOSE

- 500 mm (19-11/16 inch) long, Serial Range: condenser-receiver-drier

1шт.

37

238-5011

O-RING,0.07" Thk x 0.301" ID, -11, Cl 5, 75 Duro

-011, 70 Duro, .301" ID x .070" Thk

2шт.

38

1954628C4

TUBE

- return, Includes: Ref. 38A and 39

1шт.

38a

425-1510

JAM NUT,Jam, 5/8"-18, G5

- hex, jam, 5/8 inch NF

1шт.

39

238-5011

O-RING,0.07" Thk x 0.301" ID, -11, Cl 5, 75 Duro

-011, 70 Duro, .301" ID x .070" Thk

1шт.

40

180623C1

SEAL

SEAL - 271 mm (10-11/16 inch) long, cut from 1281436C1 bulk strip, see below, no longer available

1шт.

41

1977897C1

SEAL

SEAL - 750 mm (29-1/2 inch) long, cut from 1977902CX bulk seal, see below, no longer available

1шт.

42

426-616

BOLT,Hex, 3/8" - 16 x 1", Gr 8

2шт.

43

426-620

BOLT,Hex, 3/8" - 16 x 1-1/4", Gr 8

2шт.

44

495-21044

WASHER,3/8"

(flat, 7/16 x 1 x 5/64 inch) 3/8"

4шт.

45

492-11038

LOCK WASHER,3/8"

4шт.

46

425-106

NUT,3/8"-16, Cl 5

2шт.

47

L125787

LARGE PLATE

CLAMP - condenser, Serial Range: cover-hood

2шт.

1281436C1

SEAL

- bulk, 22 (7/8) wide x 30480 mm (1200 inch) long, replaces 198530C1

1шт.

1977902CX

SEAL

- bulk, 25 (1) wide x 15240 mm (600 inch) long

1шт.

Выбрано товаров: 23