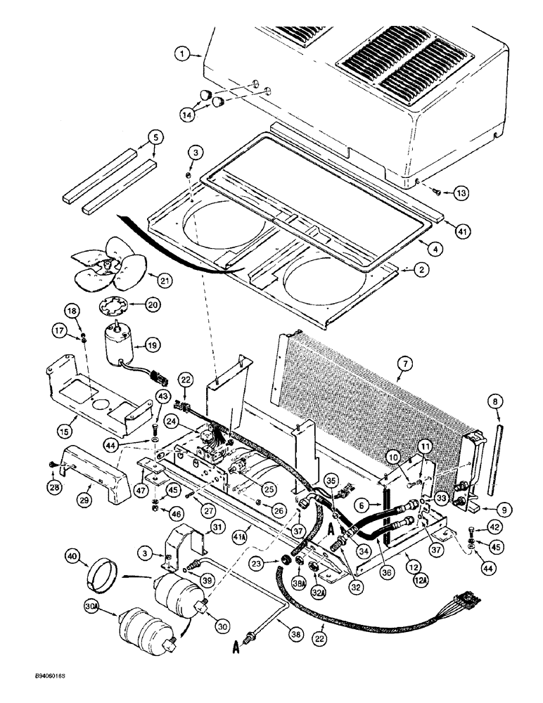
Запчасти Case 721B (9-091A) - AIR CONDITIONING CONDENSER AND MOUNTING, CONDENSER HARNESS W/ TWO RELAYS (09) - CHASSIS/ATTACHMENTS

Схема запчастей Case 721B - (9-091A) - AIR CONDITIONING CONDENSER AND MOUNTING, CONDENSER HARNESS W/ TWO RELAYS (09) - CHASSIS/ATTACHMENTS
15
22
5
36
20
39
28
35
33
11
47
18
13
12a
3
40
44
3
8
37
41a
32
1
14
38
23
25
34
4
21
32a
7
29
27
44
31
43
19
17
10
22
42
24
37
2
41
26
6
12
38a
30
46
45
45
9
30a
FIT
1:1
100%

Артикул

Название

Примечание

Количество

97182C6

CAPACITOR

CONDENSER ASSEMBLY - air conditioning, with brown cover, Case part number stamped on vendor, Includes: Ref. 1 - 26

1шт.

178301A1

ASSEMBLY

CONDENSER ASSEMBLY - air conditioning, with tan cover, if used, Includes: Ref. 1 - 26

1шт.

1

1977874C1

COVER ASSY

COVER - condenser unit, brown, 97182C6

1шт.

1

178303A1

COVER ASSY

- condenser unit, tan, 178301A1

1шт.

2

1974863C2

PROTECTOR

SHROUD - fan

1шт.

3

425-104

NUT,1/4"-20, Cl 5

- hex, 1/4 inch NC

15шт.

4

1977898C1

SEAL

SEAL - 2032 mm (80 inch) long, cut from 198573C1 bulk seal, see below, shroud perimeter

1шт.

5

1977899C1

SEAL

SEAL - 1045 mm (41-1/8 inch) long, cut from 198573C1 bulk seal, see below, shroud baffle

2шт.

6

1327979C1

MOLDING

TRIM - edge, 152 mm (6 inch) long, cut from 1330108CX bulk trim, see below, edge

1шт.

7

97213C1

CAPACITOR

CONDENSER - air conditioning, used with 97182C5, Serial Range: -JEE0040380

1шт.

7a

97213C2

CONDENSER

- air conditioning, used with 97182C6, Start Serial: JEE0040380

1шт.

8

1977901C1

SEAL

SEAL - 227 mm (9 inch) long, cut from 198573C1 bulk seal, see below, condenser flange

2шт.

9

1977900C1

SEAL

SEAL - 787 mm (31 inch) long, cut from 1977902CX bulk seal, see below, lower condenser

1шт.

10

463-1258

SCREW,Hex Hd, 1/4"-20 x 1/2"

- machine, hex head, 1/4 NC x 1/2 inch

4шт.

11

492-11025

LOCK WASHER,1/4"

WASHER, LOCK, 1/4"

4шт.

12

138583A1

SUPPORT

PLATE - support, used on models with brown cover, and all models with tan cover, Serial Range: -JEE0040380

1шт.

12a

178468A1

LARGE PLATE

PLATE - support, used on 97182C6 condenser, used on models with brown cover, Start Serial: JEE0040380

1шт.

13

440-1258

SCREW,Cross Pan Hd, 1/4"-20 x 1/2"

- machine, pan Phillips, 1/4 NC x 1/2 inch

4шт.

14

205-104

HOLE PLUG BUTTON,1"

BUTTON, HOLE PLUG, , Replaces H435478 1"

2шт.

15

137511A1

GUARD

MOUNT - fan motor

2шт.

17

492-11010

LOCK WASHER,#10

WASHER, LOCK, #10

4шт.

18

225-14210

NUT,#10-32

4шт.

19

1977427C2

MOTOR, ELECTRIC

MOTOR - fan, 24 volt

2шт.

19

1977427C2R

REMAN-ELECTRIC MOTOR

721B

2шт.

19

1977427C2C

CORE-ELECTRIC MOTOR

Return Number

2шт.

20

138897A1

SPACER

SHIM - motor

2шт.

21

1977731C1

FAN

BLADE - fan, 9 inch diameter

2шт.

22

137333A1

HARNESS

- condenser

1шт.

23

248-1243

GROMMET,1/2" ID x 13/16" Groove Dia, Diag Cut

1шт.

24

198161A1

RELAY

- mini, 24 volt, Replaces A186288

2шт.

25

A187825

RELAY

BREAKER - circuit, 10 ampere

2шт.

26

225-14210

NUT,#10-32

1шт.

1330108CX

SEAL,304.8mm L

TRIM - edge, bulk, 15240 mm (600 inch) long

1шт.

198573C1

STRIP

SEAL - bulk, 13 (1/2) wide x 15240 mm (600 inch) long

1шт.

1977902CX

SEAL

- bulk, 25 (1) wide x 15240 mm (600 inch) long, Includes: Ref. 27 - 41A

1шт.

27

440-10812

SCREW,Cross Pan Hd, #8-32 x 3/4"

- machine, pan Phillips, No. 8 NC x 3/4 inch

4шт.

28

459-1108

SCREW,Slotted Pan Hd, #10-32 x 1/2"

- machine, pan head slotted, No. 10 NF x 1/2 inch

4шт.

29

1977847C1

COVER

- relay

1шт.

30

143469C2

RESERVOIR

RECEIVER-DRIER - air conditioning system, used with 97185C5 condenser, Serial Range: -JEE0040380

1шт.

30a

1990758C2

RECEIVER-DRYER

RECEIVER-DRIER - air conditioning, used with 97185C6 condenser, Start Serial: JEE0040380

1шт.

31

1974861C1

SUPPORT

BRACKET - receiver-drier

1шт.

32

1954630C5

HOSE

- 380 mm (15 inch) long, supply, attaches to compressor hose, Includes: Ref. 32A - 34

1шт.

32a

NSS

NOT SOLD SEPARAT

HOSE - 380 mm (15 inch) long, supply, attaches to compressor hose

1шт.

33

238-5013

O-RING,0.07" Thk x 0.426" ID, -13, Cl 5, 75 Duro

-013, 70 Duro, .426" ID x .070" Thk

1шт.

34

1250594C2

CORE

VALVE - core, supply hose

1шт.

35

178460A1

PLUG

CAP - valve

1шт.

36

1954627C3

HOSE

- 500 mm (19-11/16 inch) long, condenser to receiver-drier, Includes: Ref. 37

1шт.

37

238-5011

O-RING,0.07" Thk x 0.301" ID, -11, Cl 5, 75 Duro

-011, 70 Duro, .301" ID x .070" Thk

2шт.

38

1954628C4

TUBE

- return, Includes: Ref. 38A and 39

1шт.

38a

425-1510

JAM NUT,Jam, 5/8"-18, G5

- hex, jam, 5/8 inch NF

1шт.

39

238-5011

O-RING,0.07" Thk x 0.301" ID, -11, Cl 5, 75 Duro

-011, 70 Duro, .301" ID x .070" Thk

1шт.

40

180623C1

SEAL

SEAL - 271 mm (10-11/16 inch) long, cut from 1281436C1 bulk strip, see below

1шт.

41

1977897C1

SEAL

SEAL - 750 mm (29-1/2 inch) long, cut from 1977902CX bulk seal, see below

1шт.

41a

NSS

NOT SOLD SEPARAT

FOAM - urethane, support palte insulator, lowwer rear, cut from 1999409C1 bulk, see below

1шт.

42

426-616

BOLT,Hex, 3/8" - 16 x 1", Gr 8

2шт.

43

426-620

BOLT,Hex, 3/8" - 16 x 1-1/4", Gr 8

2шт.

44

495-21044

WASHER,3/8"

(flat, 7/16 x 1 x 5/64 inch) 3/8"

4шт.

45

492-11038

LOCK WASHER,3/8"

4шт.

46

425-106

NUT,3/8"-16, Cl 5

2шт.

47

L125787

LARGE PLATE

CLAMP - condenser, Serial Range: cover-hood

2шт.

1281436C1

SEAL

- bulk, 22 (7/8) wide x 30480 mm (1200 inch) long, Replaces 198530C1

1шт.

1977902CX

SEAL

- bulk, 25 (1) wide x 15240 mm (600 inch) long

1шт.

1999409C1

FOAM

- uethane, 12 inch (305 mm) long

1шт.

Выбрано товаров: 63