Запчасти Case 821B (6-02) - TRANSMISSION HYDRAULIC CIRCUIT (06) - POWER TRAIN

Схема запчастей Case 821B - (6-02) - TRANSMISSION HYDRAULIC CIRCUIT (06) - POWER TRAIN
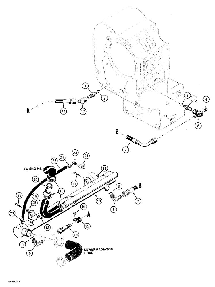
16
20
9
15
1
25
7
13
23
7
16
11
2
5
17
9
1
2
6
8
13
11
19
10
22
21
14
21
26
14
24
8
FIT
1:1
100%

Артикул

Название

Примечание

Количество

1

106867A1

ADAPTER

- straight, included with transmission

2шт.

2

S300450

O-RING,23.3mm ID x 2.4mm Width

- adapter, included with transmission

2шт.

5

L125441

FITTING

CROSS - special

1шт.

6

217-439

PLUG,Hex Soc, 1/2" - 14 NPTF

- hex socket headless, 1/2 inch PT

1шт.

7

L128119

HOSE ASSY.,25.4mm ID x 870mm L

HOSE - 870 mm (34-1/4 inch) long, to In port of transmission oil cooler, replaces L128009 hose

1шт.

8

218-5110

ELBOW,90 Degree Elbow, 1-5/16" - 12 Male JIC x 1-5/16" - 12 Male ORB

90º, 1-5/16-12 inch flare x adj O-ring boss, Incl. Ref. 9

2шт.

9

237-6016

O-RING,0.116" Thk x 1.171" ID, -916, Cl 6, 90 Duro

16-1, 90 Duro, 1.171" ID x .118" Thk

1шт.

10

L125987

COOLER,Transnission

COOLER - transmission oil

1шт.

11

426-824

BOLT,Hex, 1/2" - 13 x 1-1/2", Gr 8

- hex, 1/2 NC x 1-1/2 inch, grade 8

4шт.

13

231-1448

NUT,1/2"-13, GB

- hex, self-locking, 1/2 inch NC, if used

4шт.

14

L128010

HOSE,25.4mm ID x 1180mm L, SAE 100R1

- 1180 mm (46-1/2 inch) long, to Out port of transmission oil cooler

1шт.

15

515-23381

CLAMP,1 1/2", Insul, 3/8" Bolt

P-type 1 1/2", Insul, 3/8" Bolt

1шт.

16

231-1446

NUT,3/8" - 16, Gr 5

NUT - hex, self-locking, 3/8 inch NC

1шт.

17

218-5176

ELBOW,45 Degree Elbow, 1-5/16" - 12 Male JIC x 1-5/16" - 12 Female JIC

- 45 degree, 1-5/16-12 inch flare x swivel

1шт.

18

214-1432

HOSE CLAMP,#32, 1.56" - 2.5", Type F Worm

CLAMP, HOSE, , Adjustable #32, 1.56/2.50 Type F Worm

3шт.

19

L127974

RADIATOR HOSE,50.00 mm ID x 200.00 mm, SAE 20R4 Class C or D-1

- Formed, Transmission oil cooler to engine 50.00 mm ID x 200.00 mm, SAE 20R4 Class C or D-1

1шт.

20

L117015

TUBE,50.8 mm OD x 77 mm L

- from hose at transmission oil cooler to engine

1шт.

21

1954736C1

HOSE CLAMP,#24

CLAMP, HOSE, , Adjustable #24

2шт.

22

31-1067

HOSE,0.63" ID x 36.00"

- 914 mm (36 inch) long, cut from 97252CX bulk hose, to engine 0.63" ID x 36.00"

1шт.

23

217-144

45 ELBOW,45 Degree Elbow, 5/8" Hose Barb x 1/2" Male NPTF

- 45 degree, 5/8 stem end x 1/2 inch PT

1шт.

24

221-1693

TEE,Street, 1/2" NPT

- street, 1/2 inch PT, at engine

1шт.

25

495-21056

WASHER,1/2"

- flat, 9/16 x 1-3/8 x 7/64 inch

2шт.

26

R52337

WASHER

- Belleville, at rear cooler mounting

2шт.

Выбрано товаров: 23