Запчасти Case 821B (6-09A) - TRANSMISSION ASSEMBLY, HOUSING, P.I.N. JEE0052701 AND AFTER (06) - POWER TRAIN

Схема запчастей Case 821B - (6-09A) - TRANSMISSION ASSEMBLY, HOUSING, P.I.N. JEE0052701 AND AFTER (06) - POWER TRAIN
25
1
9
26
8
22
23
27
31
25a
7
33
10
24
19
5
27
2
24
30
32
6
13
29
16
3
14
18
15
28
4
20
9
10
12
23
22
21
26
17
FIT
1:1
100%

Артикул

Название

Примечание

Количество

241954A1

TRANSMISSION

TRANSMISSION ASSEMBLY - ZF No. 4644 024 131, see Fig. 6-4 for parts list information, includes: Ref. 1 - 34

1шт.

241954A1R

REMAN-TRANSMISSION

Remanufactured Transmission; 821B, P.I.N. JEE0052701 & After, Model Number 4WG200, Stock Number 4644 024 065

1шт.

241954A1C

CORE-TRANSMISSION

Return number

1шт.

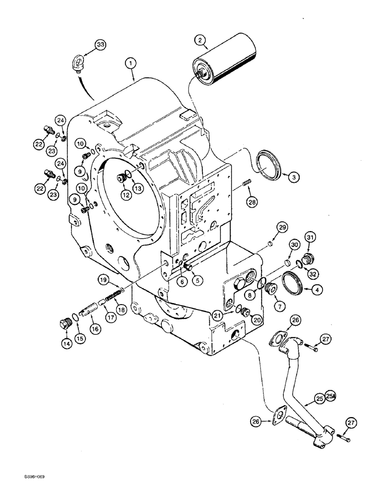
1

106839A1

HOUSING

HOUSING - transmission

1шт.

Use Ref. 34 to salvage 106839A1 transmission housing.

1шт.

2

185161A1

FILTER

FILTER - transmission oil, replaces S301612 filter

1шт.

3

E135201

SEAL

PLUG - expansion, 106 mm

1шт.

4

E135169

PLUG

PLUG - expansion, 80 mm

2шт.

5

241980A1

PLUG

PLUG - hex, 14 mm - 1.5

1шт.

6

1968430C1

O-RING

O-RING - plug

1шт.

7

E135077

PLUG,Hex, M36 x 1.5

PLUG - pipe, 36 mm - 1.5

1шт.

8

E135033

O-RING,2.2mm Thk x 33mm ID

O-RING - plug

1шт.

9

E135075

PLUG

PLUG - hex socket, 14 mm - 1.5

2шт.

10

1968430C1

O-RING

O-RING - plug

2шт.

12

A52148

PLUG

PLUG - hex socket, 30 mm - 1.5

1шт.

13

A52368

SEAL

O-RING - plug

1шт.

14

106949A1

PLUG

PLUG - hex, 30 mm - 1.5

1шт.

15

A52368

SEAL

O-RING - plug

1шт.

16

106951A1

SLEEVE

SLEEVE - valve, converter pressure

1шт.

17

106953A1

PISTON

PISTON - converter pressure valve

1шт.

18

106954A1

COMPRESSION SPRING

SPRING - converter pressure valve

1шт.

19

106955A1

WASHER

WASHER - flat, 15 x 28 x 2.5 mm

1шт.

20

129792A1

PLUG

PLUG - hex socket, special, 18 x 1.5 mm

1шт.

21

106970A1

SEALING RING

SEAL - plug

1шт.

22

S300494

SENDER UNIT

SENSOR - transmission speed

2шт.

23

106970A1

SEALING RING

SEAL - plug if used

2шт.

24

S300506

SHIM,1.8mm Thk

SHIM, 1.8mm Thk

1шт.

24

S300505

BLOCK

SHIM - 1.6 mm thick

1шт.

24

S300497

SHIM,1.5mm Thk

SHIM, 1.5mm Thk

1шт.

24

S300498

SHIM,1.4mm Thk

SHIM, 1.4mm Thk

1шт.

24

S300499

SHIM,1.2mm Thk

SHIM, 1.2mm Thk

1шт.

24

S300500

SHIM,1mm Thk

SHIM, 1mm Thk

1шт.

24

S300501

SHIM,2mm Thk

SHIM, 2mm Thk

1шт.

24

S300502

SHIM,0.5mm Thk

SHIM, 0.5mm Thk

1шт.

24

S300503

SHIM,0.3mm Thk

SHIM, 0.3mm Thk

1шт.

24

S300504

SHIM,0.2mm Thk

SHIM, 0.2mm Thk

1шт.

25

184327A1

TUBE,480 mm Length

TUBE - suction

1шт.

26

198979A1

GASKET,0.8mm Thk

GASKET - suction tube

2шт.

27

827-8050

BOLT,Hex, M8 x 1.25 x 50mm, Cl 10.9

BOLT, Hex, M8 x 50, 10.9

4шт.

28

187245A1

ASSEMBLY,Serrated, 3/8" - 16 x 1 1/4"

SCREW - set, special

2шт.

29

E135010

PLUG

PLUG - expansion, 22 mm

1шт.

30

E135011

PLUG

PLUG - expansion, 30 mm

1шт.

31

E135081

PLUG

PLUG - hex, included with transmission

1шт.

32

3133948R1

O-RING,2mm Thk x 23mm ID

O-RING - included with transmission

1шт.

33

187232A1

EYEBOLT,M20

BOLT, EYE BOLT - hex, lift eye

2шт.

34

187325A1

GUIDE RING

BUSHING axial guide, not shown, used to repair shaft mounting holes refer to TSG for machining and installation instructions of bushing

1шт.

Use Ref. 34 to salvage 106839A1 transmission housing.

1шт.

Выбрано товаров: 0