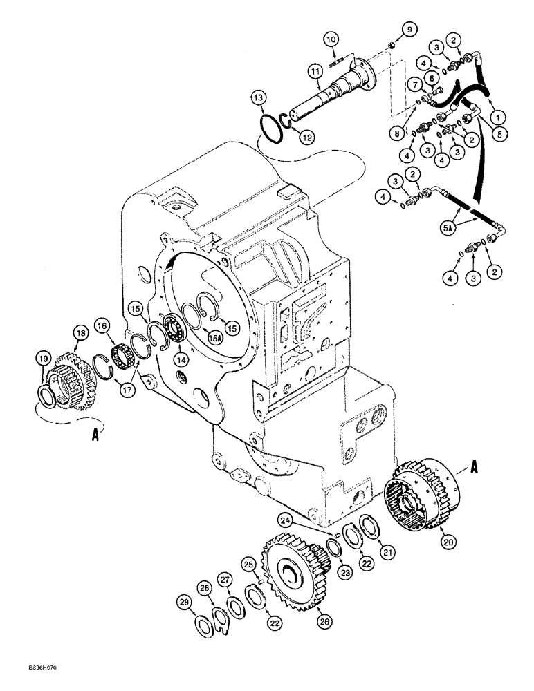
Запчасти Case 821B (6-16) - TRANSMISSION ASSEMBLY, FORWARD AND LOW CLUTCHES (06) - POWER TRAIN

Схема запчастей Case 821B - (6-16) - TRANSMISSION ASSEMBLY, FORWARD AND LOW CLUTCHES (06) - POWER TRAIN
4
4
16
9
3
24
15a
27
3
2
4
3
20
18
2
2
26
5
19
8
1
2
10
13
4
6
21
4
3
15
28
17
11
29
22
22
25
3
15
12
5a
23
14
7
FIT
1:1
100%

Артикул

Название

Примечание

Количество

L129917

TRANSMISSION

TRANSMISSION ASSEMBLY - ZF No. 4644 024 216, see Fig. 6-4 for parts list information, includes: Ref. 1 - 29

1шт.

LR129917

REMAN-TRANSMISSION

821B, Prior to P.I.N. JEE0052701, Model Number 4WG200, Stock Number 4644 024 065

1шт.

LC129917

CORE-TRANSMISSION

Return Number

1шт.

LR129917

REMAN-TRANSMISSION

821, PIN JAK0024165 & After, Model Number 4WG200, Stock Number 4644 024 216

1шт.

LC129917

CORE-TRANSMISSION

Return Number

1шт.

183098A1

TRANSMISSION

TRANSMISSION ASSEMBLY - ZF No. 4644 024 065, see Fig. 6-4 for parts list information, includes: Ref. 1 - 29

1шт.

183098A1R

REMAN-TRANSMISSION

821B Case Wheel Loader (Nort America), Transmission Assembly

1шт.

183098A1C

CORE-TRANSMISSION

Return Number

1шт.

241954A1

TRANSMISSION

, Start Serial: JEE0052701

1шт.

241954A1R

REMAN-TRANSMISSION

Remanufactured Transmission; 821B, P.I.N. JEE0052701 & After, Model Number 4WG200, Stock Number 4644 024 065

1шт.

241954A1C

CORE-TRANSMISSION

Return Number

1шт.

1

S300583

HOSE

HOSE - 620 mm (24-7/16 inch) long, forward clutch, L129917 and 183098A1 transmission

1шт.

1

S300584

HOSE

HOSE - 516 mm (20-5/16 inch) long, forward clutch, 241954A1 transmission

1шт.

2

S300587

O-RING,12.4mm ID x 1.78mm Width

O-RING - adapter, hose side

3шт.

3

S301961

ADAPTER

ADAPTER - straight

3шт.

4

S300586

O-RING,2.4mm Thk x 13.3mm ID, 70 Duro

O-RING - adapter, transmission side

3шт.

5

S301960

HOSE

HOSE - 750 mm (29-1/2 inch) long, low clutch, if used

1шт.

5a

S300583

HOSE

HOSE - 620 mm (24-7/16 inch) long, low clutch, if used

1шт.

6

S301962

BANJO BOLT

BOLT - hex, hollow, used with Ref. 5, S301960 hose

1шт.

7

S301617

O-RING,2mm Thk x 13mm ID

O-RING - bolt, hose end, used with Ref. 5, S301960 hose

1шт.

8

S301616

GASKET,2.5mm Thk x 18mm ID

O-RING - bolt, transmission end, used with Ref. 5, S301960 hose

1шт.

9

825-1408

NUT,M8, Cl 8

Nut, M8, Cl 8

2шт.

10

E135084

STUD

STUD - 8 - 1.25 x 18 mm

2шт.

11

185213A1

SHAFT

AXLE - forward and low clutches, L129917 transmission, replaces E136113 axle

1шт.

11

185213A1

SHAFT

AXLE - forward and low clutches, 183098A1 and 241954a1 transmissions

1шт.

12

E135145

RING,35.2mm ID x 38mm OD x 2mm Thk

RING - piston, axle shaft

3шт.

13

S300460

O-RING,3mm Thk x 49mm ID

O-RING - axle

1шт.

14

ST560

BEARING, BALL,45 mm ID x 75 mm OD x 16 mm

BEARING - ball, replaces L33515 bearing

1шт.

15

K24302

RING, SNAP

RING SNAP RING - snap, internal

2шт.

15a

S301544

SHIM,0.3mm Thk

SHIM, (M60 ID x 75 OD) 0.3mm Thk

1шт.

15a

S301545

SHIM,0.5mm Thk

SHIM, (M60 ID x 75 OD) 0.5mm Thk

1шт.

15a

103598A1

SHIM,60mm ID x 75mm OD x 1.2mm Thk

SHIM - 60 ID x 75 OD x 0.9 mm thick

1шт.

15a

S301546

SHIM,1mm Thk

SHIM, (M60 ID x 75 OD) 1mm Thk

1шт.

15a

103597A1

SHIM

SHIM - 60 ID x 75 OD x 1.2 mm thick, no longer available, order S301456, shim

1шт.

15a

S301548

SHIM,1.6mm Thk

SHIM, (M60 ID x 75 OD), No longer available, Order S301546 shim, Replaces S301547 shim 1.6mm Thk

1шт.

15a

S301548

SHIM,1.6mm Thk

SHIM, (M60 ID x 75 OD), No longer available, Order S301548 shim 1.6mm Thk

2шт.

15a

S301548

SHIM,1.6mm Thk

SHIM, (M60 ID x 75 OD) 1.6mm Thk

2шт.

16

E135148

ROLLER CAGE BEARING,45mm ID x 75mm OD x 28mm W

BEARING - roller

1шт.

17

E135002

PISTON RING,69.6mm ID x 75.8mm OD x 3mm Thk

RING - retaining, internal bearing

2шт.

18

106877A1

PINION

GEAR - low

1шт.

19

183516A1

THRUST WASHER,46.5mm ID x 65mm OD x 2.1mm Thk

WASHER - thrust, tabbed, replaces E135117 washer

1шт.

The new thrust washers must not be used with the old. The new and the old thrust washers are different in color. The new thrust washers are gray in color and the old thrust washers are yellow.

1шт.

20

NSS

NOT SOLD SEPARAT

PACK - clutch, low and forward, see Fig. 6-20 for components

1шт.

21

183547A1

THRUST WASHER,35.3mm ID x 65.4mm OD x 1.5mm Thk

WASHER - thrust, replaces E135123 washer

1шт.

The new thrust washers must not be used with the old. The new and the old thrust washers are different in color. The new thrust washers are gray in color and the old thrust washers are yellow.

1шт.

22

E135267

WASHER, THRUST

WASHER - thrust, tabbed, tabbed

2шт.

23

E135268

WASHER

WASHER - flat, 48 x 54.7 x 0.8 mm

1шт.

E136114

ROLLER BEARING

KIT - bearing, replaces S300462 kit, includes: Ref. 24 and 25

1шт.

24

NSS

NOT SOLD SEPARAT

NEEDLE - bearing

14шт.

25

NSS

NOT SOLD SEPARAT

NEEDLE - bearing

14шт.

26

237374A1

PINION

GEAR - L129917 and 241954A1 transmission, replaces S300461 gear

1шт.

26

187235A1

PINION

GEAR - 183098A1 transmission

1шт.

27

183515A1

THRUST WASHER,35.3mm ID x 70.5mm OD x 1.5mm Thk

WASHER - thrust, 35 x 70 x 1.5 mm, replaces E135120 washer

1шт.

The new thrust washers must not be used with the old. The new and the old thrust washers are different in color. The new thrust washers are gray in color and the old thrust washers are yellow.

1шт.

28

S301949

WASHER

WASHER - thrust, notched, replaces E135203 washer

1шт.

29

E135097

SHIM,35.1mm ID x 70mm OD x 0.2mm Thk

SHIM, (35.1 mm ID x 70 mm OD) 0.2mm Thk

1шт.

29

E135098

SHIM,0.4mm Thk

SHIM, (35.1 ID x 70 OD) 0.4mm Thk

1шт.

29

E135099

SHIM,0.6mm Thk

SHIM, (35.1 ID x 70 OD) 0.6mm Thk

1шт.

29

E135100

SHIM,35.1mm ID x 70mm OD x 0.8mm Thk

SHIM, (35.1 ID x 70 OD) 0.8mm Thk

1шт.

29

E135101

SHIM,1.0mm Thk

SHIM, (35.1 ID x 70 OD) 1.0mm Thk

1шт.

29

E135102

SHIM,1.2mm Thk

SHIM, (35.1 ID x 70 OD) 1.2mm Thk

1шт.

29

199081A1

SHIM

SHIM - 1.4 mm thick, replaces E135103 shim

1шт.

29

199082A1

SHIM,35.1mm ID x 70mm OD x 1.6mm Thk

SHIM - 1.6 mm thick, replaces E135104 shim

1шт.

29

199083A1

SHIM

SHIM - 1.8 mm thick, replaces E135105 shim

1шт.

29

199084A1

SHIM,35.1mm ID x 70mm OD x 2mm Thk

SHIM - 2.0 mm thick, replaces E135106 shim

1шт.

29

199085A1

SHIM,35.1mm ID x 70mm OD x 2.2mm Thk

SHIM - 2.2 mm thick, replaces E135107 shim

1шт.

29

199086A1

SHIM

SHIM - 2.4 mm thick, replaces E135108 shim

1шт.

29

199087A1

SHIM

SHIM - 2.6 mm thick, replaces E135109 shim

1шт.

29

199088A1

SHIM,2.8mm Thk

SHIM - 2.8 mm thick, replaces E135110 shim

1шт.

Выбрано товаров: 69