Запчасти Case 821B (6-26) - TRANSMISSION ASSEMBLY, THIRD AND FOURTH CLUTCHES (06) - POWER TRAIN

Схема запчастей Case 821B - (6-26) - TRANSMISSION ASSEMBLY, THIRD AND FOURTH CLUTCHES (06) - POWER TRAIN
17
11
4
2
16
3
2
8
12
1
10
2
9
13
20
5
19
14
18
21
7
6
3
3
4
15
4
FIT
1:1
100%

Артикул

Название

Примечание

Количество

L129917

TRANSMISSION

ASSEMBLY ZF No. 4644 024 216, see Fig. 6-4 for parts list information, includes: Ref. 1 - 21

1шт.

LR129917

REMAN-TRANSMISSION

821, PIN JAK0024165 & After, Model Number 4WG200, Stock Number 4644 024 216

1шт.

LC129917

CORE-TRANSMISSION

Return Number

1шт.

LR129917

REMAN-TRANSMISSION

821B, Prior to P.I.N. JEE0052701, Model Number 4WG200, Stock Number 4644 024 065

1шт.

LC129917

CORE-TRANSMISSION

Return Number

1шт.

183098A1

TRANSMISSION

ASSEMBLY ZF No. 4644 024 065, see Fig. 6-4 for parts list information, includes: Ref. 1 - 21

1шт.

183098A1R

REMAN-TRANSMISSION

821B Case Wheel Loader (North America), Assembly

1шт.

183098A1C

CORE-TRANSMISSION

Return Number

1шт.

241954A1

TRANSMISSION

, Start Serial: JEE0052701

1шт.

241954A1R

REMAN-TRANSMISSION

Remanufactured Transmission; 821B, P.I.N. JEE0052701 & After, Model Number 4WG200, Stock Number 4644 024 065

1шт.

241954A1C

CORE-TRANSMISSION

Return Number

1шт.

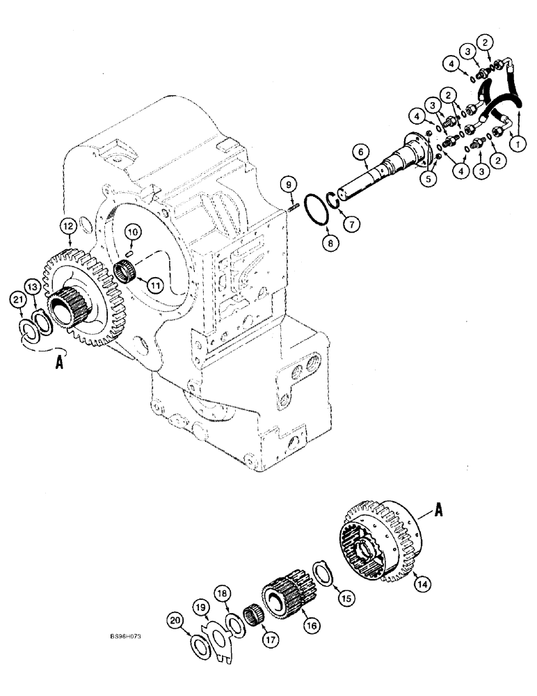
1

S300584

HOSE

HOSE - third and fourth clutches, 516 mm (20-5/16 inch) long

2шт.

2

S300586

O-RING,2.4mm Thk x 13.3mm ID, 70 Duro

O-RING - adapter, hose end

4шт.

3

S301961

ADAPTER

ADAPTER - straight

4шт.

4

S300587

O-RING,12.4mm ID x 1.78mm Width

O-RING - adapter, transmission end

4шт.

5

825-1408

NUT,M8, Cl 8

Nut, M8, Cl 8

2шт.

6

E136117

AXLE

AXLE third and fourth clutches, L129917 transmission, no longer available, order axle 237358A1

1шт.

6

237358A1

AXLE

AXLE third and fourth clutches, 183098A1 transmission, replaces axle 185214A1

1шт.

6

237358A1

AXLE

AXLE third and fourth clutches, 241954A1 transmission

1шт.

7

E135145

RING,35.2mm ID x 38mm OD x 2mm Thk

RING - piston, axle shaft

3шт.

8

S300460

O-RING,3mm Thk x 49mm ID

O-RING - axle

1шт.

9

E135084

STUD

STUD - 8 - 1.25 x 18 mm

2шт.

10

E135158

BEARING, ROLLER, CYL,Needle, 15.6mm OD x 31mm L

NEEDLE - bearing

12шт.

11

E135152

NEEDLE BEARING CAGE,45mm ID x 53mm OD x 27.8mm W

BEARING - needle

1шт.

12

E135275

GEAR

GEAR - third, L129917 transmission

1шт.

12

187239A1

PINION

GEAR third, 183098A1 and 241954A1 transmission

1шт.

13

183516A1

THRUST WASHER,46.5mm ID x 65mm OD x 2.1mm Thk

WASHER - thrust, tabbed, replaces E135121 washer

1шт.

The new thrust washers must not be used with the old. The new and the old thrust washers are different in color. The new thrust washers are gray in color and the old thrust washers are yellow.

1шт.

14

NSS

NOT SOLD SEPARAT

PACK clutch, third and fourth, see Fig. 6-28 or page 6-29B for components

1шт.

15

230548A1

THRUST WASHER

WASHER thrust, tabbed, L129917 and 183098A1 transmissions, replaces E135122 and 183527A1 washers

1шт.

The new thrust washers must not be used with the old. The new and the old thrust washers are different in color. The new thrust washers are gray in color and the old thrust washers are yellow.

1шт.

Ref 15 S/B 183527A1which has an OD of 65 mm and one tab on outside edge. If you order 230548A1 you will get a washer that is 130 mm OD 66.8 mm ID with notched around the out side.

1шт.

16

E135263

GEAR

GEAR - fourth, L129917 transmission

1шт.

16

187237A1

PINION

GEAR fourth, 183098A1 and 241954A1 transmissions

1шт.

17

E135147

NEEDLE BEARING CAGE,35mm ID x 50.1mm OD x 30.4mm W

BEARING - needle

1шт.

18

183515A1

THRUST WASHER,35.3mm ID x 70.5mm OD x 1.5mm Thk

WASHER - thrust, 35 x 70 x 1.5 mm, replaces E135120 washer

1шт.

The new thrust washers must not be used with the old. The new and the old thrust washers are different in color. The new thrust washers are gray in color and the old thrust washers are yellow.

1шт.

19

106918A1

THRUST WASHER

WASHER - thrust, notched

1шт.

20

E135098

SHIM,0.4mm Thk

SHIM, (35.1 ID x 70 OD) 0.4mm Thk

1шт.

20

E135099

SHIM,0.6mm Thk

SHIM, (35.1 ID x 70 OD) 0.6mm Thk

1шт.

20

E135100

SHIM,35.1mm ID x 70mm OD x 0.8mm Thk

SHIM, (35.1 ID x 70 OD) 0.8mm Thk

1шт.

20

E135101

SHIM,1.0mm Thk

SHIM, (35.1 ID x 70 OD) 1.0mm Thk

1шт.

20

E135102

SHIM,1.2mm Thk

SHIM, (35.1 ID x 70 OD) 1.2mm Thk

1шт.

20

199081A1

SHIM

SHIM - 1.4 mm thick, replaces E135103 shim

1шт.

20

199082A1

SHIM,35.1mm ID x 70mm OD x 1.6mm Thk

SHIM - 1.6 mm thick, replaces E135104 shim

1шт.

20

199083A1

SHIM

SHIM - 1.8 mm thick, replaces E135105 shim

1шт.

20

199084A1

SHIM,35.1mm ID x 70mm OD x 2mm Thk

SHIM - 2.0 mm thick, replaces E135106 shim

1шт.

20

199085A1

SHIM,35.1mm ID x 70mm OD x 2.2mm Thk

SHIM - 2.2 mm thick, replaces E135107 shim

1шт.

20

199086A1

SHIM

SHIM - 2.4 mm thick, replaces E135108 shim

1шт.

20

199087A1

SHIM

SHIM - 2.6 mm thick, replaces E135109 shim

1шт.

20

199088A1

SHIM,2.8mm Thk

SHIM - 2.8 mm thick, replaces E135110 shim

1шт.

21

242136A1

WASHER

WASHER - flat, 241954A1 transmission

1шт.

Выбрано товаров: 0