Запчасти Case 821B (6-30) - TRANSMISSION ASSEMBLY, OUTPUT SHAFT AND GEAR (06) - POWER TRAIN

Схема запчастей Case 821B - (6-30) - TRANSMISSION ASSEMBLY, OUTPUT SHAFT AND GEAR (06) - POWER TRAIN
5
4
6
5
16
6
8
11
9
10
20
3
1
1
17
19
14
6
3
2
13
7
2
12
18
15
FIT
1:1
100%

Артикул

Название

Примечание

Количество

L129917

TRANSMISSION

ASSEMBLY - ZF No. 4644 024 216, see Fig. 6-4 for parts list information, includes: Ref. 1 - 21

1шт.

LR129917

REMAN-TRANSMISSION

821, PIN JAK0024165 & After, Model Number 4WG200, Stock Number 4644 024 216

1шт.

LC129917

CORE-TRANSMISSION

Return Number

1шт.

LR129917

REMAN-TRANSMISSION

821B, Prior to P.I.N. JEE0052701, Model Number 4WG200, Stock Number 4644 024 065

1шт.

LC129917

CORE-TRANSMISSION

Return Number

1шт.

183098A1

TRANSMISSION

ASSEMBLY - ZF No. 4644 024 065, see Fig. 6-4 for parts list information, includes: Ref. 1 - 21

1шт.

183098A1R

REMAN-TRANSMISSION

821B Case Wheel Loader (North America), Assembly

1шт.

183098A1C

CORE-TRANSMISSION

Return Number

1шт.

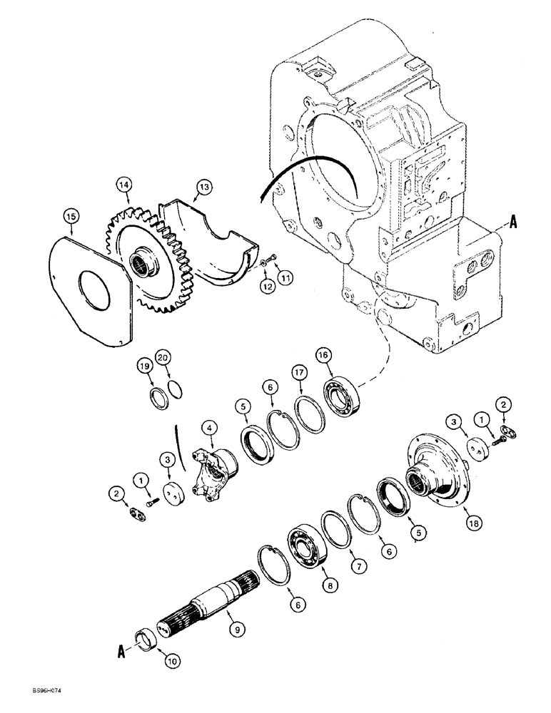
1

100438A1

SCREW

BOLT - hex, special, 10 - 1.5 x 30 mm

4шт.

2

E135165

PLATE

PLATE - locking

2шт.

3

E135181

WASHER

RETAINER - flange

2шт.

4

106940A1

SHIN

FLANGE - output, rear

1шт.

5

E135151

OIL SEAL

- oil, flange

2шт.

6

S300472

CIRCLIP

RING - snap, internal

3шт.

7

E135260

NOTCHED DISK

SHIM - 0.2 mm thick

1шт.

7

S300473

SHIM,0.3mm Thk

1шт.

7

S300474

SHIM,0.5mm Thk

1шт.

7

E135096

SHIM,100mm ID x 119.8mm OD x 1.5mm Thk

1шт.

7

E135095

SHIM,1.6mm Thk

1шт.

7

E135094

SHIM,100mm ID x 119.8mm OD x 1.7mm Thk

1шт.

7

E135093

SHIM,100mm ID x 119.8mm OD x 1.8mm Thk

1шт.

7

S301086

SHIM,0.2mm Thk

1шт.

7

185061A1

SHIM

- 1.0 mm thick

1шт.

7

185062A1

SHIM

- 1.1 mm thick

1шт.

7

33-1082T1

SHIM

- 1.2 mm thick, replaces 185063A1 shim

1шт.

7

185064A1

SHIM

- 1.3 mm thick

1шт.

7

185065A1

SHIM,100mm ID x 119.83mm OD x 1.4mm Thk

- 1.4 mm thick

1шт.

8

ST297

BEARING, BALL

BEARING - ball, 4-3/4 inch OD, replaces L31494 bearing

1шт.

9

E135255

SHAFT

- output

1шт.

10

E135112

BUSHING

- output shaft

1шт.

11

613-8016

BOLT,Hex, M8 x 1.25 x 16mm, Cl 8.8, Full Thd

- hex, 8 - 1.25 x 16 mm

2шт.

12

895-11008

WASHER,9mm ID x 16mm OD x 1.6mm Thk

- flat, 9 x 17 x 1.6 mm

2шт.

13

S300451

COVER

- output gear

1шт.

14

E135256

PINION

GEAR - output, L129917 transmission

1шт.

14

187241A1

PINION

GEAR - output, 183098A1 transmission

1шт.

15

E135245

PLATE

- output gear

1шт.

16

S300471

BEARING, ROLLER,65 mm ID x 120 mm OD x 23 mm

BEARING - roller

1шт.

17

E135164

RACE

- bearing

1шт.

18

106941A1

SHIN

FLANGE - output, parking brake, front

1шт.

19

187242A1

WASHER

SPACER - 0.6 mm thick, if used, 183098A1 transmission only

1шт.

20

187243A1

WASHER

SPACER - 1.1 mm thick, if used, 183098A1 transmission only

1шт.

21

187244A1

GASKET,4mm Thk x 48mm ID

O-RING - sealing, 183098A1 transmission only, not shown

2шт.

Выбрано товаров: 0