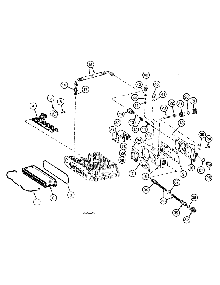
Запчасти Case 821B (6-37A) - TRANSMISSION ASSEMBLY, CONTROL VALVE - 241954A1 TRANSMISSION, P.I.N. JEE0052701 & AFTER (06) - POWER TRAIN

Схема запчастей Case 821B - (6-37A) - TRANSMISSION ASSEMBLY, CONTROL VALVE - 241954A1 TRANSMISSION, P.I.N. JEE0052701 & AFTER (06) - POWER TRAIN
1
23
35
41
42
6
25
29
15
33
27
31
9
45
38
10
4
30
39
12
17
36
8
22
5
14
20
3
34
35
26
2
43
21
24
28
44
18
19
40
32
37
13
16
11
7
FIT
1:1
100%

Артикул

Название

Примечание

Количество

241954A1

TRANSMISSION

TRANSMISSION ASSEMBLY - ZF No. 4644 024 131, see Fig. 6-4 for parts list information, includes: Ref. 1 - 45

1шт.

241954A1R

REMAN-TRANSMISSION

Remanufactured Transmission; 821B, P.I.N. JEE0052701 & After, Model Number 4WG200, Stock Number 4644 024 065

1шт.

241954A1C

CORE-TRANSMISSION

Return number

1шт.

250656A1

VALVE

VALVE ASSEMBLY - transmission control, includes all items in this figure and Fig. 6-34 and page 6-35B, includes: Ref. 1 - 45

1шт.

1

100361A1

CLAMP

CLAMP - wire, solenoid cover

1шт.

2

129808A1

COVER

COVER - solenoid

1шт.

3

129809A1

O-RING,159.2mm ID x 5.7mm Width

SEAL - solenoid cover

1шт.

4

100357A1

HARNESS

HARNESS - transmission control valve

1шт.

5

100359A1

LARGE PLATE

PLATE, LARGE BRACKET - harness mounting

1шт.

6

199064A1

SCREW

SCREW - cap

2шт.

7

249919A1

GASKET

GASKET - control valve body to solenoid housing

1шт.

8

249921A1

HOUSING

HOUSING - solenoid valve

1шт.

9

249922A1

GASKET

GASKET - solenoid housing to front cover

1шт.

10

100362A1

HOUSING

COVER - valve, front

1шт.

11

100368A1

COMPRESSION SPRING

SPRING - relief spool

1шт.

12

100366A1

PISTON

SPOOL - relief

1шт.

13

100369A1

O-RING,9.5mm ID x 2mm Width

O-RING - plug

1шт.

14

237315A1

CONNECTION,ELECTRIC

ADAPTER - special, hose to front cover

1шт.

15

249920A1

HOSE

HOSE - front cover to control valve body

1шт.

16

242138A1

LOOM

ADAPTER - special, control valve, Serial Range: body-hose

1шт.

17

S300491

O-RING,8mm ID x 1.5mm Width

O-RING - special, adapter

1шт.

18

S300552

BALL

BALL - valve

9шт.

19

S301601

PLUG

PLUG - hex, special

1шт.

20

S301602

O-RING,2mm Thk x 17mm ID

O-RING - plug

1шт.

21

131082A1

PISTON

PISTON - 21.0 mm

1шт.

21

100365A1

PISTON

PISTON - 21.5 mm

1шт.

22

S301604

SHIM

SHIM - 2.0 mm thick

1шт.

22

S301605

SHIM

SHIM - 3.0 mm thick

1шт.

22

S301606

SHIM

SHIM - 4.0 mm thick

1шт.

22

S301607

SHIM

SHIM - 6.0 mm thick

1шт.

22

S301608

SHIM

SHIM - 8.0 mm thick

1шт.

23

250684A1

PIN

PLUNGER - valve

1шт.

24

864-6060

HEX SOC SCREW,M6 x 60mm, Cl 8.8

BOLT - hex socket, 6 - 1.0 x 60 mm

9шт.

25

3078026R1

WASHER,M6.4

WASHER - flat, special

9шт.

26

129792A1

PLUG

PLUG - hex socket, special, 18 x 1.5 mm

1шт.

27

106970A1

SEALING RING

SEAL - plug

1шт.

28

249923A1

SOLENOID VALVE

VALVE ASSEMBLY - solenoid, includes: Ref. 28 and 29

1шт.

29

102459A1

O-RING

O-RING - small, not shown

1шт.

30

NSS

NOT SOLD SEPARAT

O-RING - large, not shown

2шт.

31

864-5010

HEX SOC SCREW,M5 x 10mm, Cl 8.8

SCREW, Hex Soc Hd, M5 x 10, 8.8

2шт.

32

892-11005

LOCK WASHER,M5

WASHER, LOCK, M5

2шт.

33

S300552

BALL

BALL - valve

4шт.

34

785759R1

BALL

BALL - valve

1шт.

35

100349A1

PISTON

SPOOL - solenoid valve

2шт.

36

S300540

COMPRESSION SPRING

SPRING - spool

2шт.

37

100348A1

LARGE PLATE

PLATE, LARGE SEAT - spring

1шт.

38

100080A1

O-RING,2mm Thk x 19mm ID, 70 Duro

O-RING - switch

1шт.

39

249885A1

SOLENOID SWITCH

SWITCH - solenoid valve

1шт.

40

A52230

PLUG

PLUG - hex socket, 10 mm - 1

1шт.

41

S300491

O-RING,8mm ID x 1.5mm Width

O-RING - special, plug

1шт.

42

100367A1

PLUG

PLUG - hex socket, special

1шт.

43

100369A1

O-RING,9.5mm ID x 2mm Width

O-RING - plug

1шт.

44

249925A1

SPRING

SPRING - valve

1шт.

45

249924A1

PISTON

SPOOL - valve

1шт.

Выбрано товаров: 0