Запчасти Case 821B (7-02) - PARKING BRAKE (07) - BRAKES

Схема запчастей Case 821B - (7-02) - PARKING BRAKE (07) - BRAKES
4
5
4
2
5
3
10
8
7
11
6
6
9
12
1
FIT
1:1
100%

Артикул

Название

Примечание

Количество

L129717

BRAKE, PARKING

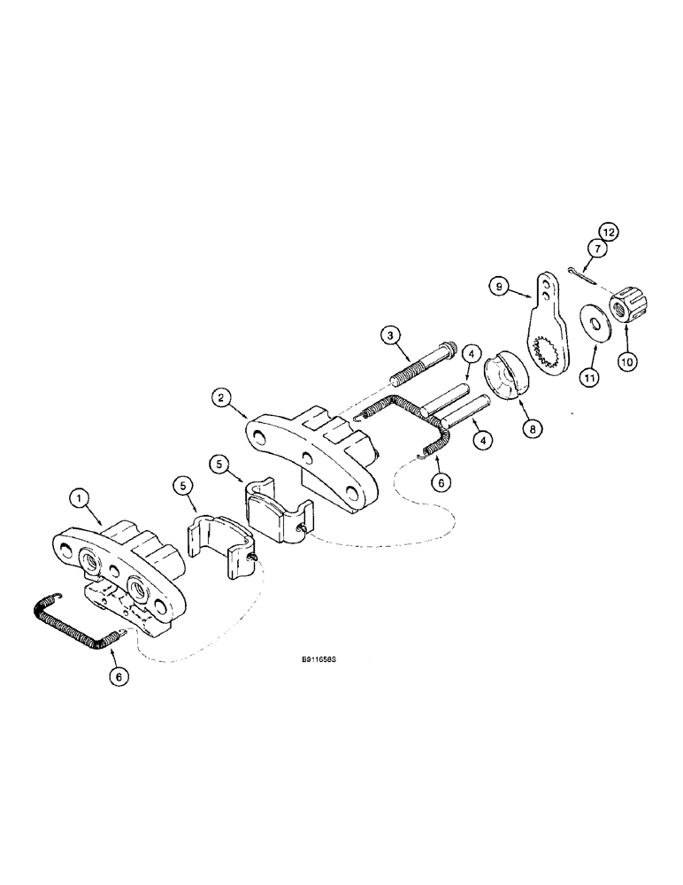
BRAKE ASSEMBLY - parking, see Fig. 7-4 for mounting, includes: Ref. 1 - 12

1шт.

1

NSS

NOT SOLD SEPARAT

CARRIER - parking brake, transmission side

1шт.

2

NSS

NOT SOLD SEPARAT

CARRIER - parking brake, cam and lever side

1шт.

3

NSS

NOT SOLD SEPARAT

BOLT - special, 12 point

3шт.

4

2-3195T1

PIN

- special, replaces 101981A1 pin

2шт.

90-7287T91

KIT

- pad, service, replaces 101987A1 kit

1шт.

S113625

BRAKE, PARKING

LINING ASSEMBLY - parking brake, replaces 101975A1 lining assembly, includes: Ref. 5 and 6

2шт.

5

NSS

NOT SOLD SEPARAT

PAD - brake lining, includes holder

1шт.

6

S107628

SPRING

- brake pad, replaces 101976A1 spring

1шт.

7

101985A1

PIN, SPLIT (COTTER)

PIN - cotter, special

1шт.

101988A1

KIT

- cam and lever, includes: Ref. 8 - 12

1шт.

8

90-7292T1

CAM

- parking brake, replaces 101982A1 cam

1шт.

9

101983A1

LEVER

- brake actuator

1шт.

90-7295T91

SET

KIT - lever hardware, replaces 101992A1 kit, includes: Ref. 10 - 12

1шт.

101986A1

SLOTTED NUT

NUT AND WASHER ASSEMBLY - special

1шт.

10

NSS

NOT SOLD SEPARAT

NUT - castle

1шт.

11

101984A1

WASHER

- flat

1шт.

12

101985A1

PIN, SPLIT (COTTER)

PIN - cotter, special

1шт.

Выбрано товаров: 18