Запчасти Case 821B (7-06) - BRAKE PEDALS AND BRAKE SWITCHES (07) - BRAKES

Схема запчастей Case 821B - (7-06) - BRAKE PEDALS AND BRAKE SWITCHES (07) - BRAKES
11
6
23
24
21
27
8
11
20
2
4
13
10
10
10
1
19
29
11
4
4
19
17
29
20
9
16
26
14
8
28
5
25
11
22
3
24
12
2
7
4
9
18
4
4
15
10
FIT
1:1
100%

Артикул

Название

Примечание

Количество

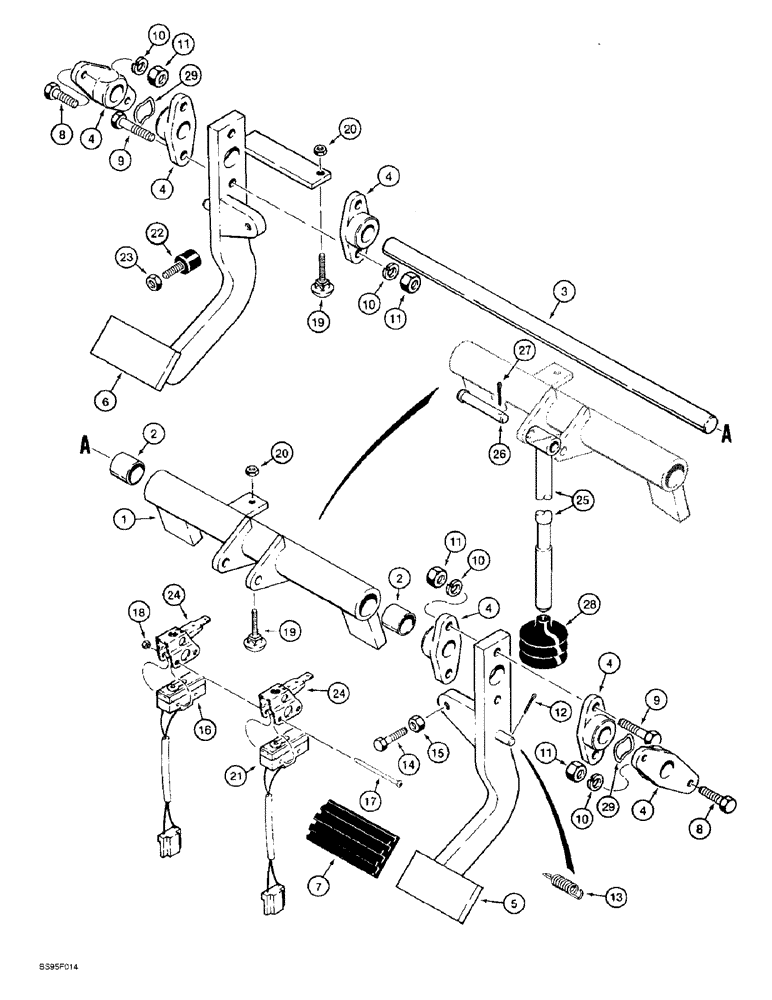
1

113658A1

SHAFT ASSY.

SHAFT ASSEMBLY - brake, outer, pedal mounting, includes: Ref. 2

1шт.

2

1280291C1

BUSHING,19.13mm ID x 22.3mm OD x 19.05mm L

- 19 mm (3/4 inch) diameter

2шт.

3

1339999C3

SHAFT

- brake, inner

1шт.

4

A77310

SUPPORT,0.754" ID x 1.375" OD x 0.81"

- pivot, brake pedal

6шт.

5

193827A1

PEDAL

- brake, right-hand, gray, replaces 1970044C1 pedal

1шт.

6

193826A1

PEDAL

- brake, left-hand, l gray, replaces 1977913C1 pedal

1шт.

7

1958503C1

PROTECTIVE COVER

PAD - pedal

2шт.

8

426-620

BOLT,Hex, 3/8" - 16 x 1-1/4", Gr 8

4шт.

9

426-624

BOLT,Hex, 3/8" - 16 x 1-1/2", Gr 8

- hex, 3/8 NC x 1-1/2 inch, grade 8

4шт.

10

492-11038

LOCK WASHER,3/8"

8шт.

11

425-106

NUT,3/8"-16, Cl 5

8шт.

12

432-616

COTTER PIN,3/32" x 1"

3/32" x 1"

4шт.

13

1970023C1

SPRING

- mounts to clevis pin in upper pedestal cover

2шт.

14

537326R1

BOLT

BOLT - hex, special, 5/16 NC x 1-1/2 inch

2шт.

15

425-145

JAM NUT,Jam, 5/16"-18, G5

2шт.

16

A187827

IGNITION SWITCH

SWITCH - declutch

1шт.

17

440-10632

SCREW,Cross Pan Hd, #6-32 x 2"

- machine, pan Phillips, No. 6 NC x 2 inch

2шт.

18

225-14106

NUT,#6-32

2шт.

19

A181036

SQUARE BOLT

- carriage, special

2шт.

20

425-144

JAM NUT,Jam, 1/4"-20, G5

- hex, jam, 1/4 inch NC

2шт.

21

A187830

SWITCH

- brake lamps

1шт.

22

F44935

BUMPER

- brake pedal, mounted to cab or canopy

2шт.

23

425-145

JAM NUT,Jam, 5/16"-18, G5

2шт.

24

A187828

ACTIVATOR

ACTUATOR - switch, brake lamp and declutch

2шт.

25

1344307C3

ROD

- brake valve

1шт.

26

427-6225

CLEVIS PIN,3/8" x 2 1/4"

PIN - clevis, 3/8 x 2-1/4 inch, hardened

1шт.

27

432-616

COTTER PIN,3/32" x 1"

3/32" x 1"

1шт.

28

A145931

BELLOWS

BOOT - brake rod

1шт.

29

G49413

WASHER

- wave

2шт.

Выбрано товаров: 29