Запчасти Case 821B (8-02) - HYDRAULIC RESERVOIR (08) - HYDRAULICS

Схема запчастей Case 821B - (8-02) - HYDRAULIC RESERVOIR (08) - HYDRAULICS
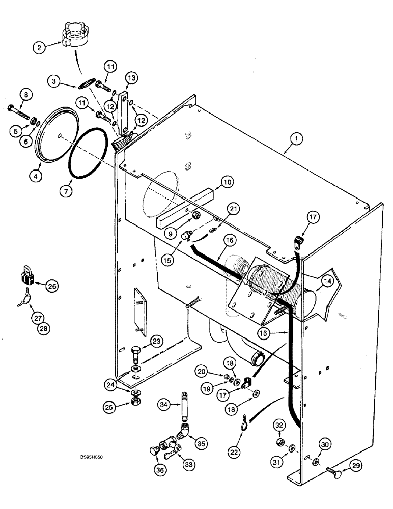
8
20
18
18
15
1
5
28
31
10
17
34
32
33
16
2
3
24
30
4
9
12
23
7
13
6
16
35
11
36
12
29
26
27
19
11
17
22
26
14
21
FIT
1:1
100%

Артикул

Название

Примечание

Количество

107369A1

TANK, HYDRAULIC OIL

RESERVOIR ASSEMBLY - hydraulic, includes: Ref. 1 - 10

1шт.

1

NSS

NOT SOLD SEPARAT

RESERVOIR - hydraulic

1шт.

2

L128669

CAP

- filler, internal thread

1шт.

3

R46984

GASKET

- filler cap

1шт.

4

L128352

COVER

- access, hydraulic filter

1шт.

5

L78045

WASHER

- flat, special

1шт.

6

238-5112

O-RING,0.103" Thk x 0.487" ID, -112, Cl 5, 75 Duro

Access cover bolt -112, 70 Duro, .487" ID x .103" Thk

1шт.

7

238-5442

O-RING,0.275" Thk x 7.22" ID, -442, Cl 5, 75 Duro

- 7-1/4 ID x 1/4 inch wide

1шт.

8

113-2462

BOLT,Hex, 1/2" - 13 x 3", Gr 5

1шт.

9

131-510

LOCK NUT,1/2"-13

NUT - heavy hex, self-locking, 1/2 inch NC

1шт.

10

L50741

BAR

- cover retainer

1шт.

L116247

GAUGE

ASSEMBLY - sight, hydraulic oil, includes: Ref. 11 - 13

1шт.

11

N13213

BOLT

BOLT - special, no longer available, order complete gauge assembly, L116247

2шт.

12

238-7112

O-RING,0.103" Thk x 0.487" ID, -112, Cl 7, 75 Duro

Sight gauge -112, Cl 7, .487" ID x .103" Thk

4шт.

13

NSS

NOT SOLD SEPARAT

GAUGE - sight, order L116247 sight gauge assembly

1шт.

14

196955A1

FILTER SCREEN

FILTER - suction, screen, replaces L104990 screen

1шт.

15

235417A1

VENT

BREATHER - pressure/vacuum, replaces L127658 breather

1шт.

16

L76635

HOSE,0.38" ID x 72.00", SAE 30R2 Type 1

0.38" ID x 72.00", SAE 30R2, Type I, Drain; Cut From S118400X Bulk Hose; See Below

1шт.

17

515-23159

CLAMP,5/8", Insul, 3/8" Bolt

P-type, Upper clamp uses air cleaner hardware 5/8", Insul, 3/8" Bolt

2шт.

18

495-21044

WASHER,3/8"

(flat, 7/16 x 1 x 5/64 inch) 3/8"

2шт.

19

492-11038

LOCK WASHER,3/8"

1шт.

20

425-106

NUT,3/8"-16, Cl 5

1шт.

21

214-1704

HOSE CLAMP,#04, 0.25" - 0.62", Type M Worm

CLAMP, HOSE, , Adjustable #4, 0.25/0.62 Type M Worm

1шт.

22

L18337

CABLE TIE,9.95"-12.1" lg

STRAP - tie, 15 inch, nylon

1шт.

23

426-1044

BOLT,Hex, 5/8" - 11 x 2-3/4", Gr 8

- hex, 5/8 NC x 2-3/4 inch, grade 8

4шт.

24

T53567

BEARING WASHER,16.66mm ID x 33.33mm OD x 3.43mm Thk

WASHER - flat, special, hardened

8шт.

25

425-1010

NUT,5/8"-11, G5

4шт.

26

D93753

PADLOCK

- includes keys, if used, includes: Ref. 27 and 28

1шт.

27

D93751

SET OF 2 KEYS

KEY - for Yale padlock only, if used

2шт.

28

R29555

KEY

- for Master padlock only, if used

2шт.

29

433-620

CARRIAGE BOLT,Sq Nk, 3/8" - 16 x 1 1/4", Gr 5

BOLT, CARRIAGE, Short NK, 3/8"-16 x 1 1/4", G5

2шт.

30

495-21056

WASHER,1/2"

- flat, 9/16 x 1-3/8 x 7/64 inch

2шт.

31

495-21044

WASHER,3/8"

(flat, 7/16 x 1 x 5/64 inch) 3/8"

2шт.

32

425-106

NUT,3/8"-16, Cl 5

2шт.

33

L124327

DRAIN VALVE

VALVE - drain, hydraulic reservoir

1шт.

34

221-220

PIPE,Nipple, 3/4" NPT x 4 1/2"

NIPPLE - straight, 3/4 PT x 4-1/2 inch

1шт.

35

217-1020

90 ELBOW,3/4" - 14 Female x 3/4" - 14 Male

- street, 90 degree, 3/4 inch PT x female PT

1шт.

36

217-442

PLUG,3/4" - 14

- hex socket headless, 3/4 inch PT

1шт.

S118400X

LARGE HOSE,9.53mm ID x 7620mm L, SAE 30R2

HOSE - bulk, 10 (3/8) x 15 (5/8) x 7620 mm (300 inch) long

1шт.

Выбрано товаров: 39