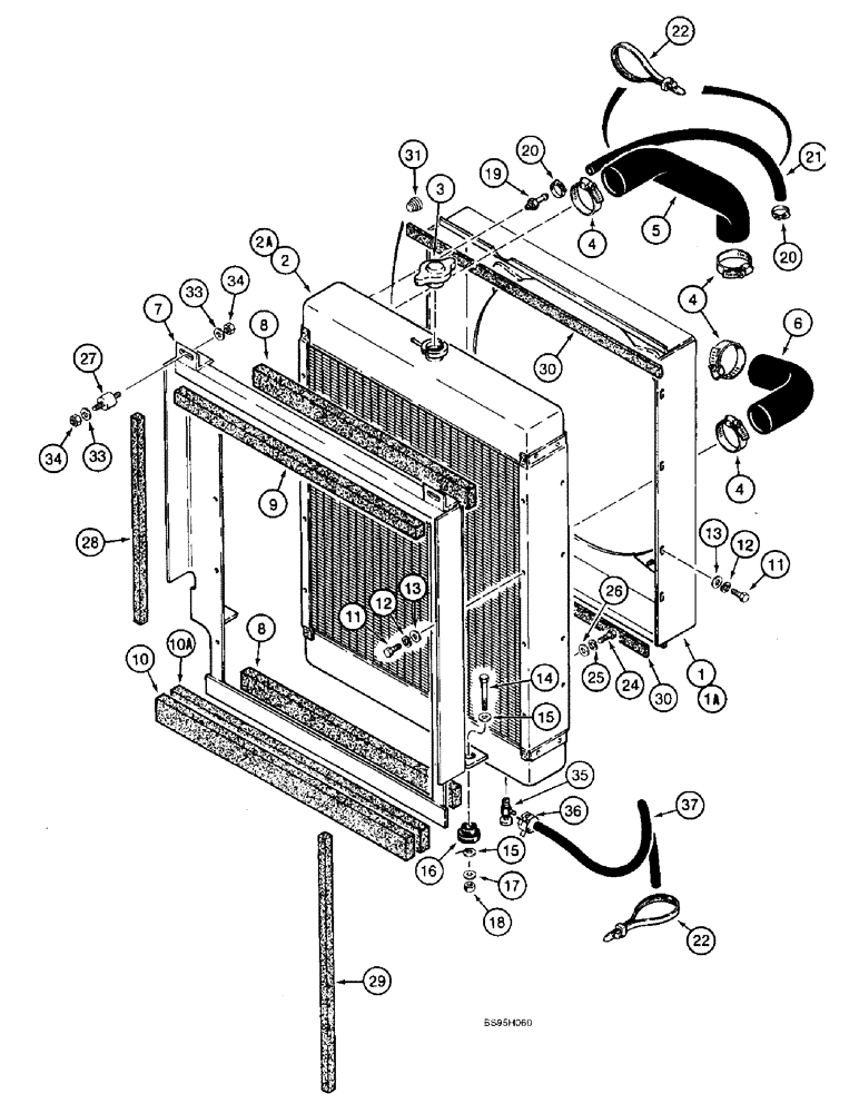
Запчасти Case 821B (2-04) - RADIATOR AND RADIATOR MOUNTING (02) - ENGINE

Схема запчастей Case 821B - (2-04) - RADIATOR AND RADIATOR MOUNTING (02) - ENGINE
11
5
34
8
4
34
4
24
19
15
29
31
1a
12
30
10a
25
8
30
20
18
16
27
33
1
3
14
22
37
11
2
15
13
4
10
13
36
28
12
20
26
22
33
17
6
2a
35
21
9
7
FIT
1:1
100%

Артикул

Название

Примечание

Количество

1

A189325

DEFLECTOR

SHROUD - radiator, Serial Range: -JEE0050601

1шт.

1a

198822A1

SHROUD

- radiator, Start Serial: JEE0050601

1шт.

2

A190840

RADIATOR

- engine cooling, no longer available, order Ref. 2A, 131230A1 radiator and Ref. 31, 217-436 plug

1шт.

2a

131230A2

RADIATOR

- engine cooling, also order Ref. 31, 217-436 plug

1шт.

3

A170241

RADIATOR CAP

CAP, RADIATOR, Filler, 15 psi

1шт.

4

214-3148

HOSE CLAMP,2-1/4" - 3-1/8", HD Worm

CLAMP - adj, 2-1/4 - 3-1/8 inch dia

4шт.

5

L125159

RADIATOR HOSE,56.80 mm ID x 380.00 mm, SAE 20R4 Class SC or D-1

- Upper, Formed 56.80 mm ID x 380.00 mm, SAE 20R4 Class SC or D-1

1шт.

6

L127973

RADIATOR HOSE,56.80 mm ID x 180.00 mm, SAE 20R4 Class C or D-1

- Lower, Formed 56.80 mm ID x 180.00 mm, SAE 20R4 Class C or D-1

1шт.

7

111187A1

SUPPORT

- radiator

1шт.

8

L127665

SEAL

- adhesive backed, 676 mm (26-5/8 inch) long, upper and lower support

2шт.

9

L128306

SEALING STRIP,50mm W x 765mm L x 38mm Thk

- adhesive backed, 765 mm (30-1/8 inch) long, upper support

1шт.

10

L127664

SEAL

- adhesive backed, 800 mm (31-1/2 inch) long, lower support

1шт.

10a

L128353

FOAM INSULATION,61mm W x 765mm L x 10mm Thk

- adhesive backed, 765 mm (30-1/8 inch) long, lower support

1шт.

11

614-8020

BOLT,Hex, M8 x 1.25 x 20mm

- hex, full threads, 8 - 1.25 x 20 mm

16шт.

12

892-11008

LOCK WASHER,8mm ID

WASHER, LOCK, M8

16шт.

13

495-21038

WASHER,5/16"

(flat, 3/8 x 7/8 x 3/32") 5/16"

16шт.

14

426-840

BOLT,Hex, 1/2" - 13 x 2-1/2", Gr 8

- hex, 1/2 NC x 2-1/2 inch, grade 8

2шт.

15

495-81239

WASHER,17/32" x 2 1/4" x .180"

- flat, 17/32 x 2-1/4 x 3/16 inch

4шт.

16

L46821

SHOCK ABSORBER

INSULATOR - rubber mount

2шт.

17

496-21053

WASHER,17/32" x 1 1/16" x .134"

- flat, 17/32 x 1-1/16 x 1/8 inch, hardened

2шт.

18

231-1448

NUT,1/2"-13, GB

- hex, self-locking, 1/2 inch NC

2шт.

19

217-151

FITTING,3/8" Hose Barb x 1/4" Male NPTF

Adapter - straight 3/8" Hose X 1/4" NPTF Beaded

1шт.

20

214-1406

HOSE CLAMP,#06, 0.44" - 0.78", Type F Worm

CLAMP, HOSE, , Adj. #06, .44/.78 Type F Worm

2шт.

21

A161557

HOSE,9.60 mm ID x 558.80 mm, SAE 20R3

- Air vent, Radiator 9.60 mm ID x 558.80 mm, SAE 20R3

1шт.

22

L18337

CABLE TIE,9.95"-12.1" lg

STRAP - tie, 15 inch, nylon

1шт.

24

614-8016

BOLT,Hex, M8 x 1.25 x 16mm, Cl 8.8, Full Thd

- hex, full threads, 8 - 1.25 x 16 mm

8шт.

25

892-11008

LOCK WASHER,8mm ID

WASHER, LOCK, M8

8шт.

26

895-15008

WASHER,9mm ID x 20mm OD x 1.6mm Thk

8шт.

27

L127163

BOLT

MOUNT - isolation

1шт.

28

113246A1

SEAL

- adhesive backed, left-hand side

1шт.

29

L127666

SEALING STRIP,25mm W x 787mm L x 25mm Thk

- adhesive backed, 787 mm (31 inch) long, right-hand side

1шт.

30

120112A1

INSULATOR,30mm W x 725mm L x 10mm Thk

- shroud, upper and lower

2шт.

31

217-436

PLUG,Hex Soc, 3/8" - 18 NPTF

- hex socket headless, 3/8 inch PT

1шт.

33

496-81003

WASHER,10.31mm ID x 26.98mm OD x 3.07mm Thk

- flat, 13/32 x 1-1/16 x 3/32 inch, hardened

4шт.

34

131-206

NUT,3/8"-16

NUT - heavy hex, self-locking, 3/8 inch NC

4шт.

35

A27862

COCK, DRAIN

VALVE - drain

1шт.

36

A171099

HOSE CLAMP,13.2mm - 15.4mm

CLAMP - spring-type

1шт.

37

D71599

HOSE,6.40 mm ID x 1016.00 mm, SAE 30R6 or SAE 30R7

FUEL HOSE, , Cut From P/N A21561X Bulk Hose 6.40 mm ID x 1016.00 mm, SAE 30R6 or SAE 30R7

1шт.

A21561X

HOSE,6.35mm ID x 7620mm L

- bulk, 6 (1/4) x 13 (1/2) x 7620 mm (300 inch) long

1шт.

Выбрано товаров: 39