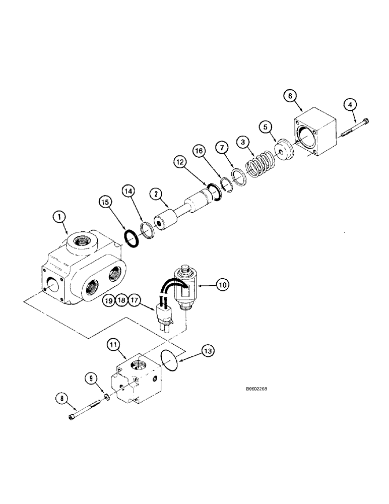
Запчасти Case 821B (8-90) - RIDE CONTROL MASTER DIRECTIONAL VALVE ASSEMBLY (08) - HYDRAULICS

Схема запчастей Case 821B - (8-90) - RIDE CONTROL MASTER DIRECTIONAL VALVE ASSEMBLY (08) - HYDRAULICS
1
15
4
3
11
16
14
7
19
17
8
12
6
2
10
9
13
18
5
FIT
1:1
100%

Артикул

Название

Примечание

Количество

107866A1

VALVE

ASSEMBLY - master directional, with electrical connector, ride control, includes: Ref. 1 - 19

1шт.

1

NSS

NOT SOLD SEPARAT

BODY - valve, order 107866A1 valve assembly

1шт.

2

NSS

NOT SOLD SEPARAT

SPOOL - valve, order 107866A1 valve assembly

1шт.

3

33-1165T1

COMPRESSION SPRING

SPRING - compression

1шт.

4

33-1168T1

HEX SOC SCREW

SCREW - hex socket, special, 1/4 NC x 2 inch, grade 8

4шт.

5

33-1171T1

SPACER

- spring

1шт.

6

33-1170T1

CAP

End

1шт.

7

33-1164T1

WASHER

- spool

1шт.

8

33-1167T1

HEX SOC SCREW

SCREW - socket head, special, 1/4 NC x 2-1/2 inch, grade 8

4шт.

9

493-41026

LOCK WASHER,Ext Tooth, 1/4"

WASHER - external tooth lock, 1/4 inch

4шт.

10

122965A1

SOLENOID

- 24 volt

1шт.

11

122971A1

VALVE BODY

HOUSING - solenoid

1шт.

12

R24866

RING

SEAL - quad ring

1шт.

13

189344A1

O-RING

- housing, solenoid end

1шт.

14

189345A1

SEAL

- teflon

1шт.

15

189346A1

O-RING

- spool

1шт.

16

D23692

SNAP RING,#100, Ext, Crescent

Ring, Snap, #100, Ext, Crescent

1шт.

17

195842A1

SEAL

- cable, not shown

2шт.

18

190256A1

TERMINAL CONNECTOR

- terminal, not shown

2шт.

19

190258A1

BODY

- connector, not shown

1шт.

Выбрано товаров: 20