Запчасти Case 821B (9-015A) - LOADER BUCKET TEETH (ESCO) (09) - CHASSIS/ATTACHMENTS

Схема запчастей Case 821B - (9-015A) - LOADER BUCKET TEETH (ESCO) (09) - CHASSIS/ATTACHMENTS
3
8
8
9
7
2
4
1
9
FIT
1:1
100%

Артикул

Название

Примечание

Количество

254813A1

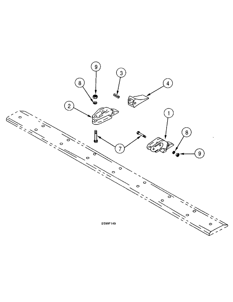
BUCKET TOOTH

TOOTH ASSEMBLY - bucket, marked ESCO, includes: Ref. 1 - 6

7шт.

For H and L teeth see figures 9-16 through 9-20. ESCO and H and L teeth should not be mixed on the same bucket.

1шт.

254812A1

TEETH

TOOTH ASSEMBLY - bucket, marked ESCO, includes: Ref. 1 - 6

2шт.

For H and L teeth see figures 9-16 through 9-20. ESCO and H and L teeth should not be mixed on the same bucket.

1шт.

1

NSS

NOT SOLD SEPARAT

SHANK - bucket, corner

1шт.

2

NSS

NOT SOLD SEPARAT

SHANK - bucket, center

1шт.

3

254815A1

PIN

- flex, point retaining

1шт.

4

254814A1

BUCKET TOOTH

POINT - tooth, standard

1шт.

5

254816A1

BUCKET TOOTH

POINT - tooth, abrasion, not shown

1шт.

6

254817A1

BUCKET TOOTH

POINT - tooth, penetration, not shown

1шт.

7

426-1656

BOLT,Hex, 1" - 8 x 3-1/2", Gr 8

- hex, 1 NC x 3-1/2 inch, grade 8

18шт.

8

496-11081

WASHER,13/16" x 1 1/2" x .134", HDN

Flat 13/16" x 1 1/2" x .134", HDN

18шт.

9

425-1612

NUT,3/4"-10, G5, Hvy

Hex 3/4"-10, G5, Hvy

18шт.

Выбрано товаров: 13