Запчасти Case 821B (9-040) - FRONT FRAME AND FENDERS (09) - CHASSIS/ATTACHMENTS

Схема запчастей Case 821B - (9-040) - FRONT FRAME AND FENDERS (09) - CHASSIS/ATTACHMENTS
3
16
4
8
10
7
13
2
15
1
17
10
9
9
18
14
7
8
11
FIT
1:1
100%

Артикул

Название

Примечание

Количество

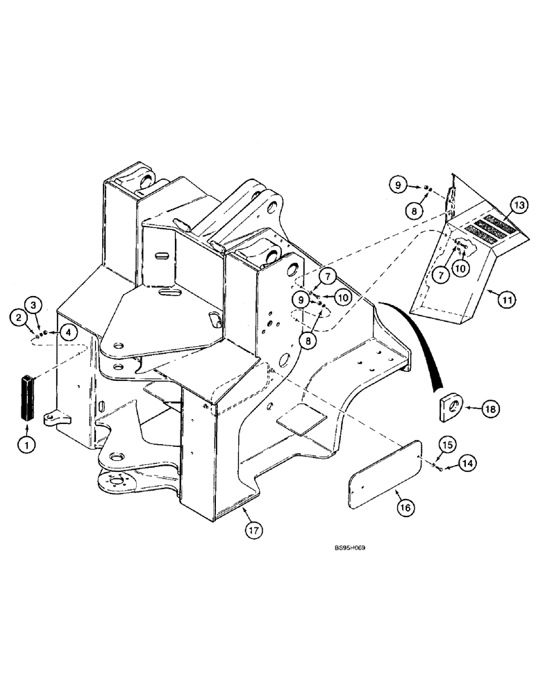
1

L108504

BUMPER

- rubber, chassis

2шт.

2

495-11041

WASHER,0.406" ID x 0.812" OD x 0.065" W

(Flat, 13/32 x 13/16 x 1/16") 3/8", SAE

4шт.

3

492-11038

LOCK WASHER,3/8"

4шт.

4

425-106

NUT,3/8"-16, Cl 5

4шт.

7

495-21056

WASHER,1/2"

- flat, 9/16 x 1-3/8 x 7/64 inch

10шт.

8

80679

LOCK WASHER,1/20.507 CST ZND

WASHER, LOCK, 1/2"

10шт.

9

425-108

NUT,1/2" - 13, Gr 5

NUT, , Hex 1/2"-13, G5

10шт.

10

426-824

BOLT,Hex, 1/2" - 13 x 1-1/2", Gr 8

- hex, 1/2 NC x 1-1/2 inch, grade 8

10шт.

11

L125342

FENDER

- front, right-hand

1шт.

12

L125343

FENDER

- front, left-hand, not shown

1шт.

13

D55216

PAD,2" x 9"

PAD - anti-skid, front fender

6шт.

14

426-824

BOLT,Hex, 1/2" - 13 x 1-1/2", Gr 8

- hex, 1/2 NC x 1-1/2 inch, grade 8

4шт.

15

187563A1

SPACER

- 13 x 25 x 28 mm

4шт.

16

L125240

LARGE PLATE

COVER - access, front frame

2шт.

17

107737A1

FUNNEL

FRAME - front chassis

1шт.

18

NSS

NOT SOLD SEPARAT

BRACKET - lift and tie down, welded to front frame, if used

2шт.

Выбрано товаров: 16