Запчасти Case 821B (9-050) - SUSPENSION SEATS - BROWN (09) - CHASSIS/ATTACHMENTS

Схема запчастей Case 821B - (9-050) - SUSPENSION SEATS - BROWN (09) - CHASSIS/ATTACHMENTS
20
4
24
21
26
18
6
1
17
9
25
28
27
22
2
9
15
16
12
27
3
8
5
23
13
14
11
10
7
19
FIT
1:1
100%

Артикул

Название

Примечание

Количество

1954778C1

SEAT ASSY.

SEAT ASSEMBLY - suspension, vinyl, cab or canopy models, includes parts in Fig. 9-48 and 9-52, includes: Ref. 1 - 28

1шт.

97150C1

SEAT ASSY.

SEAT ASSEMBLY - suspension, cloth, cab models, includes parts in Figs. 9-48 and 9-52, no longer available, order seat assembly 1954778C1 above, includes: Ref. 1 - 28

1шт.

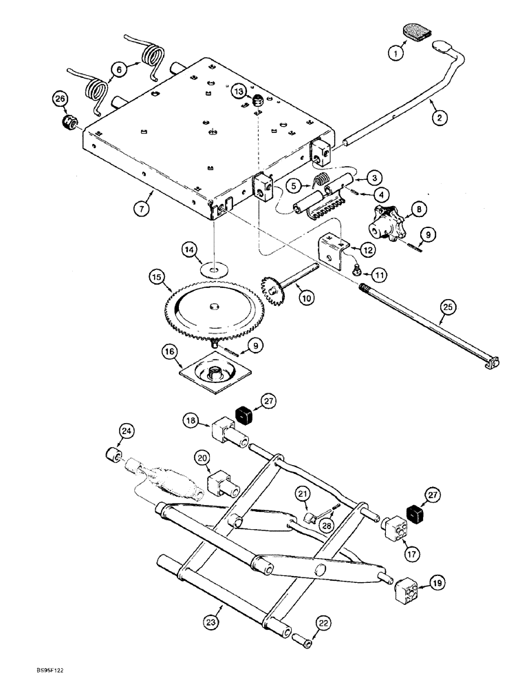
1

A45472

CAP

- height adjustment lever

1шт.

2

D82857

LEVER

- height adjustment

1шт.

Part of KIT, P/N 1977722C1 and also includes Refs. in Figs. 9-48 and 9-52

1шт.

3

130672A1

KIT

- height adjustment, replaces A47381 latch

1шт.

Part of KIT, P/N 1977722C1 and also includes Refs. in Figs. 9-48 and 9-52

1шт.

4

38-21010

PIN,3.96mm OD x 15.88mm L, Coiled

1шт.

Part of KIT, P/N 1977722C1 and also includes Refs. in Figs. 9-48 and 9-52

1шт.

5

A47382

SPRING

- latch

1шт.

Part of KIT, P/N 1977722C1 and also includes Refs. in Figs. 9-48 and 9-52

1шт.

6

A47384

SPRING

- housing, replaces D82863 spring

2шт.

Part of KIT, P/N 1977722C1 and also includes Refs. in Figs. 9-48 and 9-52

1шт.

7

A47761

PLATE

HOUSING - upper, replaces N6870 housing

1шт.

Part of KIT, P/N 1977722C1 and also includes Refs. in Figs. 9-48 and 9-52

1шт.

8

123969A1

SEAT ACCESSORY

Kit - Knob and shaft assy, Incl handle, decals, and shaft portion of Ref 10, Replaces 118578C1, Incl Ref. 9

1шт.

Part of KIT, P/N 1977722C1 and also includes Refs. in Figs. 9-48 and 9-52

1шт.

9

38-31016

PIN,5/32" x 1", Coiled

Includes Ref. 10 5/32" x 1", Coiled

2шт.

Part of KIT, P/N 1977722C1 and also includes Refs. in Figs. 9-48 and 9-52

1шт.

130674A1

SET

KIT - weight adjustment, includes Ref. 10 and also Ref. 14 thrust washer

1шт.

10

130674A1

SET

KIT - weight adjustment, replaces A45513 shaft

1шт.

Part of KIT, P/N 1977722C1 and also includes Refs. in Figs. 9-48 and 9-52

1шт.

11

411-48

CARRIAGE BOLT,Sq Nk, 1/4" - 20 x 1/2", Gr 2

BOLT - carriage, 1/4 NC x 1/2 inch, grade 2

2шт.

Part of KIT, P/N 1977722C1 and also includes Refs. in Figs. 9-48 and 9-52

1шт.

12

A45531

BRACKET

- shaft

1шт.

Part of KIT, P/N 1977722C1 and also includes Refs. in Figs. 9-48 and 9-52

1шт.

13

231-1444

NUT,1/4"-20, GB

NUT, LOCK, 1/4"-20, GB

2шт.

Part of KIT, P/N 1977722C1 and also includes Refs. in Figs. 9-48 and 9-52

1шт.

14

D82834

WASHER

- thrust, no longer available separately, order 130674A1 kit which includes Ref. 10 shown above

1шт.

Part of KIT, P/N 1977722C1 and also includes Refs. in Figs. 9-48 and 9-52

1шт.

15

A45505

GEAR

- suspension plate

1шт.

Part of KIT, P/N 1977722C1 and also includes Refs. in Figs. 9-48 and 9-52

1шт.

16

A45504

SPRING WASHER

- spring

1шт.

Part of KIT, P/N 1977722C1 and also includes Refs. in Figs. 9-48 and 9-52

1шт.

1977725C1

SLIDER

KIT - slider block, includes: Ref. 17 - 28

1шт.

Part of KIT, P/N 1977722C1 and also includes Refs. in Figs. 9-48 and 9-52

1шт.

17

A45517

BLOCK

- slider, 2-9/16 inch wide

1шт.

18

A45515

BLOCK

- slider, 1-9/16 inch wide

1шт.

19

A45516

BLOCK

- slider, 2-3/16 inch wide

1шт.

20

A45512

BLOCK

- slider, 1-3/16 inch wide

1шт.

21

A49160

INDICATOR

- ride height

1шт.

22

A47760

BUSHING

TUBE - bearing

4шт.

23

A47759

ARM

- suspension

1шт.

Part of KIT, P/N 1977722C1 and also includes Refs. in Figs. 9-48 and 9-52

1шт.

24

A45501

BUSHING,0.504" ID x 0.87" OD x 1.417"

BEARING - shock absorber

1шт.

Part of KIT, P/N 1977722C1 and also includes Refs. in Figs. 9-48 and 9-52

1шт.

25

112884A1

SHAFT,368mm L

- bearing

1шт.

Part of KIT, P/N 1977722C1 and also includes Refs. in Figs. 9-48 and 9-52

1шт.

26

230-4218

LOCK NUT,1/2"-13, GA

NUT - hex, self-locking, 1/2 inch NC

1шт.

Part of KIT, P/N 1977722C1 and also includes Refs. in Figs. 9-48 and 9-52

1шт.

27

A45054

BUMPER,Neoprene

- seat

2шт.

Part of KIT, P/N 1977722C1 and also includes Refs. in Figs. 9-48 and 9-52

1шт.

28

38-11010

LOCK PIN,5/32" x 5/8", Slotted

Pin, 5/32" x 5/8", Slotted

1шт.

Part of KIT, P/N 1977722C1 and also includes Refs. in Figs. 9-48 and 9-52

1шт.

1977722C1

SUSPENSION BLOCK

KIT - seat suspension, includes Refs. 1 - 16 and 23 - 28

1шт.

Выбрано товаров: 0