Запчасти Case 821B (9-053E) - SUSPENSION SEATS - GRAY (09) - CHASSIS/ATTACHMENTS

Схема запчастей Case 821B - (9-053E) - SUSPENSION SEATS - GRAY (09) - CHASSIS/ATTACHMENTS
31
15
22
17
5
24
6
11
12
18
14
2
16
1
10
4
9
19
21
28
8
29
23
27
29
13
7
25
30
3
20
26
32
FIT
1:1
100%

Артикул

Название

Примечание

Количество

177639A1

SEAT

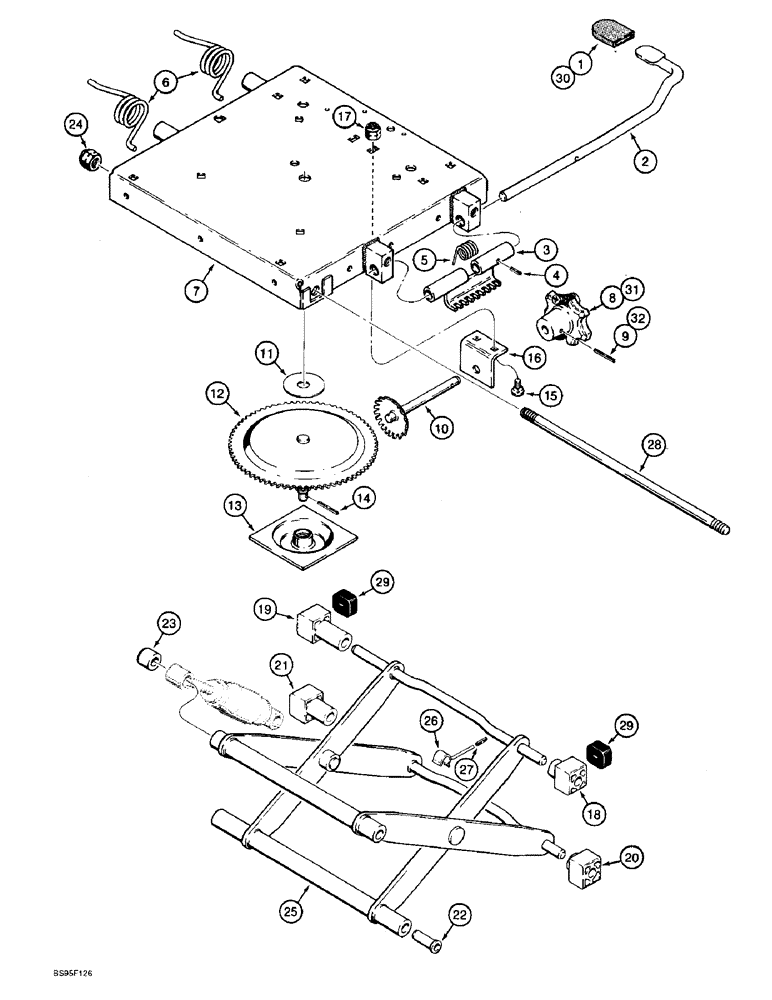
ASSEMBLY - suspension, vinyl, cab or canopy models, includes parts in Fig. 9-53A, page 9-53D and Fig. 9-53G, includes: Ref. 1 - 31

1шт.

177638A1

SEAT

ASSEMBLY - suspension, cloth, cab models, includes parts in Fig. 9-53A, page 9-53D and Fig. 9-53G, includes: Ref. 1 - 31

1шт.

130672A1

KIT

- height adjustment, includes: Ref. 1 - 5

1шт.

1

NSS

NOT SOLD SEPARAT

CAP - height adjustment lever

1шт.

2

NSS

NOT SOLD SEPARAT

LEVER - height adjustment

1шт.

Part of KIT, P/N 1977722C1 and also includes Refs. in Figs. 9-53A, page 9-53D, and Fig. 9-53G

1шт.

3

NSS

NOT SOLD SEPARAT

LATCH - lever

1шт.

Part of KIT, P/N 1977722C1 and also includes Refs. in Figs. 9-53A, page 9-53D, and Fig. 9-53G

1шт.

4

38-31012

PIN,3.96mm OD x 19.05mm L, Coiled

1шт.

Part of KIT, P/N 1977722C1 and also includes Refs. in Figs. 9-53A, page 9-53D, and Fig. 9-53G

1шт.

5

A47382

SPRING

- latch

1шт.

Part of KIT, P/N 1977722C1 and also includes Refs. in Figs. 9-53A, page 9-53D, and Fig. 9-53G

1шт.

6

A47384

SPRING

- housing

2шт.

Part of KIT, P/N 1977722C1 and also includes Refs. in Figs. 9-53A, page 9-53D, and Fig. 9-53G

1шт.

7

A47761

PLATE

HOUSING - upper

1шт.

Part of KIT, P/N 1977722C1 and also includes Refs. in Figs. 9-53A, page 9-53D, and Fig. 9-53G

1шт.

123969A1

SEAT ACCESSORY

Kit - Height adjustment, Incl Ref 8 - 14

1шт.

8

NSS

NOT SOLD SEPARAT

KNOB ASSEMBLY - weight adjusting, includes handle and decals, which are not serviced separately

1шт.

Part of KIT, P/N 1977722C1 and also includes Refs. in Figs. 9-53A, page 9-53D, and Fig. 9-53G

1шт.

9

38-31016

PIN,5/32" x 1", Coiled

2шт.

Part of KIT, P/N 1977722C1 and also includes Refs. in Figs. 9-53A, page 9-53D, and Fig. 9-53G

1шт.

130674A1

SET

KIT - weight adjustment

1шт.

10

NSS

NOT SOLD SEPARAT

SHAFT - gear, adjustment, weight

1шт.

Part of KIT, P/N 1977722C1 and also includes Refs. in Figs. 9-53A, page 9-53D, and Fig. 9-53G

1шт.

11

NSS

NOT SOLD SEPARAT

WASHER - thrust

1шт.

Part of KIT, P/N 1977722C1 and also includes Refs. in Figs. 9-53A, page 9-53D, and Fig. 9-53G

1шт.

12

NSS

NOT SOLD SEPARAT

GEAR - suspension plate

1шт.

Part of KIT, P/N 1977722C1 and also includes Refs. in Figs. 9-53A, page 9-53D, and Fig. 9-53G

1шт.

13

NSS

NOT SOLD SEPARAT

WASHER - spring

1шт.

Part of KIT, P/N 1977722C1 and also includes Refs. in Figs. 9-53A, page 9-53D, and Fig. 9-53G

1шт.

14

38-11616

LOCK PIN,1/4" x 1", Slotted

Pin, 1/4" x 1", Slotted

1шт.

Part of KIT, P/N 1977722C1 and also includes Refs. in Figs. 9-53A, page 9-53D, and Fig. 9-53G

1шт.

15

411-48

CARRIAGE BOLT,Sq Nk, 1/4" - 20 x 1/2", Gr 2

BOLT - carriage, 1/4 NC x 1/2 inch, grade

2шт.

Part of KIT, P/N 1977722C1 and also includes Refs. in Figs. 9-53A, page 9-53D, and Fig. 9-53G

1шт.

16

A45531

BRACKET

- shaft

1шт.

Part of KIT, P/N 1977722C1 and also includes Refs. in Figs. 9-53A, page 9-53D, and Fig. 9-53G

1шт.

17

231-1444

NUT,1/4"-20, GB

NUT, LOCK, 1/4"-20, GB

2шт.

Part of KIT, P/N 1977722C1 and also includes Refs. in Figs. 9-53A, page 9-53D, and Fig. 9-53G

1шт.

1250509C1

BUSHING

KIT - slider block, includes: Ref. 18 - 24

1шт.

Part of KIT, P/N 1977722C1 and also includes Refs. in Figs. 9-53A, page 9-53D, and Fig. 9-53G

1шт.

18

NSS

NOT SOLD SEPARAT

BLOCK - slider, 2-9/16 inch wide

1шт.

19

NSS

NOT SOLD SEPARAT

BLOCK - slider, 1-9/16 inch wide

1шт.

20

NSS

NOT SOLD SEPARAT

BLOCK - slider, 2-3/16 inch wide

1шт.

21

NSS

NOT SOLD SEPARAT

BLOCK - slider, 1-3/16 inch wide

1шт.

22

NSS

NOT SOLD SEPARAT

TUBE - bearing

4шт.

23

NSS

NOT SOLD SEPARAT

BEARING - shock absorber

2шт.

Part of KIT, P/N 1977722C1 and also includes Refs. in Figs. 9-53A, page 9-53D, and Fig. 9-53G

1шт.

24

230-4218

LOCK NUT,1/2"-13, GA

NUT - hex, self-locking, 1/2 inch NC

2шт.

Part of KIT, P/N 1977722C1 and also includes Refs. in Figs. 9-53A, page 9-53D, and Fig. 9-53G

1шт.

25

A47759

ARM

- suspension

1шт.

Part of KIT, P/N 1977722C1 and also includes Refs. in Figs. 9-53A, page 9-53D, and Fig. 9-53G

1шт.

130673A1

SET OF PARTS

KIT - height indicator, includes Ref. 26 and 27

1шт.

26

NSS

NOT SOLD SEPARAT

INDICATOR - ride height

1шт.

27

38-11616

LOCK PIN,1/4" x 1", Slotted

Pin, 1/4" x 1", Slotted

1шт.

Part of KIT, P/N 1977722C1 and also includes Refs. in Figs. 9-53A, page 9-53D, and Fig. 9-53G

1шт.

28

112884A1

SHAFT,368mm L

- bearing

1шт.

Part of KIT, P/N 1977722C1 and also includes Refs. in Figs. 9-53A, page 9-53D, and Fig. 9-53G

1шт.

29

A45054

BUMPER,Neoprene

- seat

2шт.

Part of KIT, P/N 1977722C1 and also includes Refs. in Figs. 9-53A, page 9-53D, and Fig. 9-53G

1шт.

130921A1

KNOB

KIT - knob, also includes Ref. 16 in Fig. 9-53A, includes: Ref. 30 - 32

1шт.

30

NSS

NOT SOLD SEPARAT

CAP - height adjustment lever

1шт.

31

NSS

NOT SOLD SEPARAT

KNOB ASSEMBLY - weight adjusting, includes handle and decals, which are not serviced separately

1шт.

Part of KIT, P/N 1977722C1 and also includes Refs. in Figs. 9-53A, page 9-53D, and Fig. 9-53G

1шт.

32

38-31016

PIN,5/32" x 1", Coiled

1шт.

Part of KIT, P/N 1977722C1 and also includes Refs. in Figs. 9-53A, page 9-53D, and Fig. 9-53G

1шт.

1977722C1

SUSPENSION BLOCK

KIT - seat suspension support, includes Refs. 2 - 17, Refs. 23 - 25, Refs. 27 - 29, Refs. 31 and 32

1шт.

Выбрано товаров: 66