Запчасти Case 821B (2-14) - MUFFLER AND EXHAUST SYSTEM, PRIOR TO P.I.N. JEE0050601 (02) - ENGINE

Схема запчастей Case 821B - (2-14) - MUFFLER AND EXHAUST SYSTEM, PRIOR TO P.I.N. JEE0050601 (02) - ENGINE
6
13
7
12
15
7
14
10
7
15
7
19
7
17
1
8
9
3
2
13
13
12
16
5
12
11
8
14
18
4
FIT
1:1
100%

Артикул

Название

Примечание

Количество

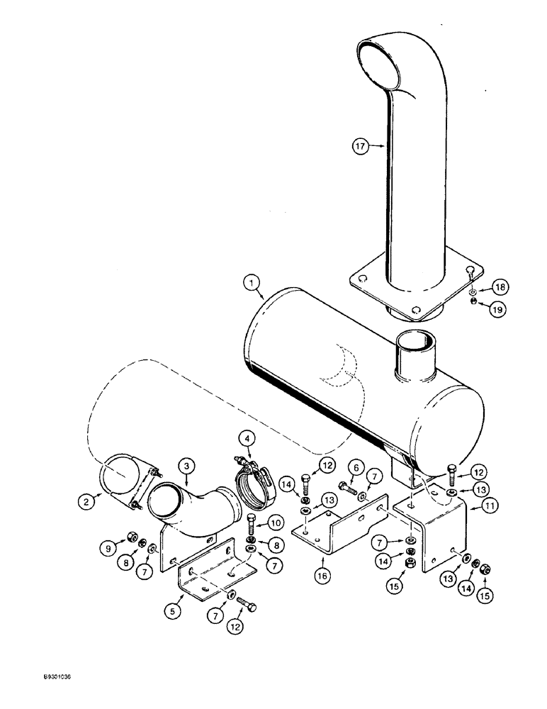
1

A189406

MUFFLER

- exhaust

1шт.

2

A162896

CLAMP

- muffler, includes hardware

1шт.

3

A184986

ELBOW

- turbocharger exhaust

1шт.

4

A170807

CLAMP,102mm ID

retaining, special

1шт.

5

A189061

SUPPORT

BRACKET - turbocharger elbow

1шт.

6

614-10035

BOLT,Hex, M10 x 1.5 x 35mm, Cl 8.8, Full Thd

- hex, full threads, 10 - 1.5 x 35 mm

2шт.

7

D41740

WASHER

- flat, special, 3/8 inch

10шт.

8

892-11010

LOCK WASHER,M10

4шт.

9

825-1410

NUT,M10, Cl 8

2шт.

10

614-10030

BOLT,Hex, M10 x 1.5 x 30mm, Cl 8.8, Full Thd

Full Thd Hex, M10 x 30, 8.8

2шт.

11

A189408

SUPPORT

BRACKET - muffler, upper

1шт.

12

614-10030

BOLT,Hex, M10 x 1.5 x 30mm, Cl 8.8, Full Thd

Full Thd Hex, M10 x 30, 8.8

8шт.

13

895-11010

WASHER,11mm ID x 20mm OD x 2mm Thk

- flat, 11 x 20 x 2 mm

8шт.

14

892-11010

LOCK WASHER,M10

8шт.

15

825-1410

NUT,M10, Cl 8

4шт.

16

A189011

SUPPORT

BRACKET - muffler, lower

1шт.

17

L127961

WHISTLE

PIPE - exhaust, curved, muffler

1шт.

18

496-81003

WASHER,10.31mm ID x 26.98mm OD x 3.07mm Thk

- flat, 13/32 x 1-1/16 x 3/32 inch, hardened

4шт.

19

231-1446

NUT,3/8" - 16, Gr 5

NUT - hex, self-locking, 3/8 inch NC

4шт.

Выбрано товаров: 19