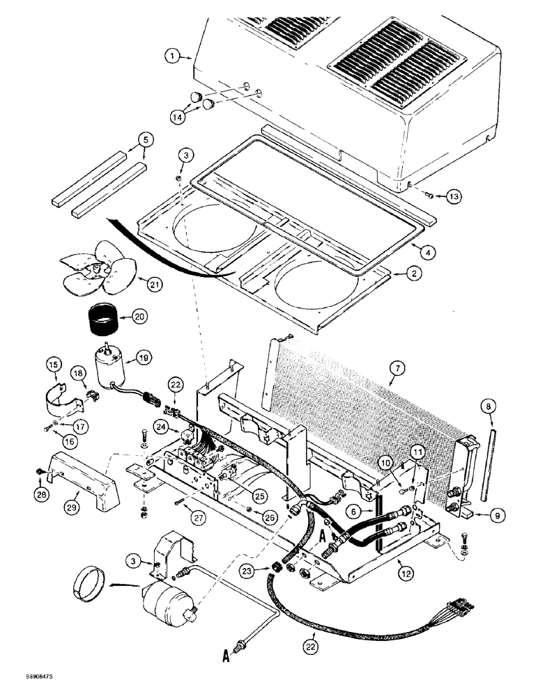
Запчасти Case 821B (9-086) - AIR CONDITIONING CONDENSER AND MOUNTING, CONDENSER HARNESS (09) - CHASSIS/ATTACHMENTS

Схема запчастей Case 821B - (9-086) - AIR CONDITIONING CONDENSER AND MOUNTING, CONDENSER HARNESS (09) - CHASSIS/ATTACHMENTS
16
25
29
8
20
5
28
21
22
24
15
17
3
1
3
2
27
11
10
23
6
12
25
14
13
18
7
19
22
4
9
FIT
1:1
100%

Артикул

Название

Примечание

Количество

97182C4

CAPACITOR

CONDENSER ASSEMBLY - air conditioning, no longer available, order 97182C6 condenser, parts list Fig. 9-89A and page 9-89D

1шт.

1

1977874C1

COVER ASSY

COVER - condenser unit, brown

1шт.

2

1974863C2

PROTECTOR

SHROUD - fan

1шт.

3

425-104

NUT,1/4"-20, Cl 5

- hex, 1/4 inch NC

7шт.

4

1977898C1

SEAL

SEAL - 2032 mm (80 inch) long, cut from 198573C1 bulk seal, see below, shroud perimeter

1шт.

5

1977899C1

SEAL

SEAL - 1045 mm (41-1/8 inch) long, cut from 198573C1 bulk seal, see below, shroud baffle

2шт.

6

1327979C1

MOLDING

TRIM - edge, 152 mm (6 inch) long, cut from 1330108CX bulk trim, see below, edge

1шт.

7

97213C2

CONDENSER

- air conditioning

1шт.

8

1977901C1

SEAL

SEAL - 227 mm (9 inch) long, cut from 198573C1 bulk seal, see below, condenser flange

2шт.

9

1977900C1

SEAL

SEAL - 787 mm (31 inch) long, cut from 1977902CX bulk seal, see below, lower condenser

2шт.

10

463-1258

SCREW,Hex Hd, 1/4"-20 x 1/2"

- machine, hex head, 1/4 NC x 1/2 inch

4шт.

11

492-11025

LOCK WASHER,1/4"

WASHER, LOCK, 1/4"

4шт.

12

1974859C1

SUPPORT

PLATE - support, no longer available, order 138583A1 plate, Ref. 12, shown in Fig. 9-89A

1шт.

13

440-1258

SCREW,Cross Pan Hd, 1/4"-20 x 1/2"

- machine, pan Phillips, 1/4 NC x 1/2 inch

4шт.

14

205-104

HOLE PLUG BUTTON,1"

BUTTON, HOLE PLUG, 1"

2шт.

15

1975923C1

MOUNTING CLIP

BRACKET - mounting, fan

2шт.

16

163-14

SCREW,Hex Wshr Hd, 1/4" - 20 x 1"

- machine, hex washer head, 1/4 inch NC x 1 inch

2шт.

17

496-21028

WASHER,.281" x 5/8" x .075", HDN

- flat, 9/32 x 5/8 x 5/64 inch, hardened

2шт.

18

131-852

SPRING NUT,Ret, 1/4"-20

Speed grip Ret, 1/4"-20

2шт.

19

1977427C2

MOTOR, ELECTRIC

MOTOR - fan, 24 volt

2шт.

19

1977427C2R

REMAN-ELECTRIC MOTOR

821B

2шт.

19

1977427C2C

CORE-ELECTRIC MOTOR

Return Number

2шт.

20

D83118

ISOLATOR

INSULATOR - motor

2шт.

21

1977731C1

FAN

BLADE - fan, 9 inch diameter, condenser

2шт.

22

A187775

HARNESS

- condenser, no longer available, order 137333A1 harness with 2 relays, Ref. 22, Fig. 9-89A

1шт.

23

117963

GROMMET,1/2" ID x 1 1/16" x .062"

- rubber, 1/2 x 1-1/16 x 5/16 inch

1шт.

24

198161A1

RELAY

- mini, 24 volt, replaces A186288 relay

3шт.

25

A187825

RELAY

BREAKER - circuit, 10 ampere

2шт.

26

225-14210

NUT,#10-32

1шт.

27

340-10812

SCREW,Cross Pan Hd, #8-32 x 3/4"

- machine, pan Phillips, No. 8 NC x 3/4 inch

4шт.

28

459-1108

SCREW,Slotted Pan Hd, #10-32 x 1/2"

- machine, pan head slotted, No. 10 NF x 1/2 inch

4шт.

29

1977847C1

COVER

- relay

1шт.

1330108CX

SEAL,304.8mm L

TRIM - edge, bulk, 15240 mm (600 inch) long

1шт.

198573C1

STRIP

SEAL - bulk, 13 (1/2) wide x 15240 mm (600 inch) long

1шт.

1977902CX

SEAL

- bulk, 25 (1) wide x 15240 mm (600 inch) long

1шт.

30

143469C2

RESERVOIR

RECEIVER-DRIER - air conditioning system

1шт.

31

1974861C1

SUPPORT

BRACKET - receiver-drier

1шт.

32

1954630C3

HOSE

- 380 mm (15 inch) long, supply, attaches to compressor hose, includes: Ref. 32A - 35

1шт.

32a

NSS

NOT SOLD SEPARAT

NUT - special, included with hose

1шт.

33

238-5013

O-RING,0.07" Thk x 0.426" ID, -13, Cl 5, 75 Duro

-013, 70 Duro, .426" ID x .070" Thk

1шт.

34

1250594C1

CORE

VALVE - core

1шт.

35

222-981

TUBE NUT,Cap, 3/8"-24, 45 Degree Fl

CAP - hex, 7/16-20 inch female 45 degree flare

1шт.

36

1954627C2

HOSE

- 500 mm (19-11/16 inch) long, condenser to receiver-drier, includes: Ref. 36

1шт.

37

238-5011

O-RING,0.07" Thk x 0.301" ID, -11, Cl 5, 75 Duro

-011, 70 Duro, .301" ID x .070" Thk

2шт.

38

1954628C3

TUBE

- return, includes: Ref. 38A and 39

1шт.

38a

425-1510

JAM NUT,Jam, 5/8"-18, G5

- hex, jam, 5/8 inch NF

1шт.

39

238-5011

O-RING,0.07" Thk x 0.301" ID, -11, Cl 5, 75 Duro

-011, 70 Duro, .301" ID x .070" Thk

1шт.

40

180623C1

SEAL

SEAL - 271 mm (10-11/16 inch) long, cut from 1281436C1 bulk strip, see below

1шт.

41

1977897C1

SEAL

SEAL - 750 mm (29-1/2 inch) long, cut from 1977902CX bulk seal, see below

1шт.

42

426-616

BOLT,Hex, 3/8" - 16 x 1", Gr 8

2шт.

43

426-620

BOLT,Hex, 3/8" - 16 x 1-1/4", Gr 8

2шт.

44

495-21044

WASHER,3/8"

(flat, 7/16 x 1 x 5/64 inch) 3/8"

4шт.

45

492-11038

LOCK WASHER,3/8"

4шт.

46

425-106

NUT,3/8"-16, Cl 5

2шт.

47

L125787

LARGE PLATE

CLAMP - condenser, Serial Range: cover-hood

2шт.

198530C1

SEAL

SEAL - bulk, 22 (7/8) wide x 15240 mm (600 inch) long

1шт.

1977902CX

SEAL

- bulk, 25 (1) wide x 15240 mm (600 inch) long

1шт.

Выбрано товаров: 0