Запчасти Case 821B (3-02) - FOOT THROTTLE CONTROL (03) - FUEL SYSTEM

Схема запчастей Case 821B - (3-02) - FOOT THROTTLE CONTROL (03) - FUEL SYSTEM
23
22
18
25
19
20
39
12
45
6
17
12
8
10
19
7
1
29
41
43
47
42
35
44
21
2
36
24
9
5
4
19
27
37
14
3
32
20
28
30
40
21
26
15
38
7
46
22
34
13
11
33
31
16
27
FIT
1:1
100%

Артикул

Название

Примечание

Количество

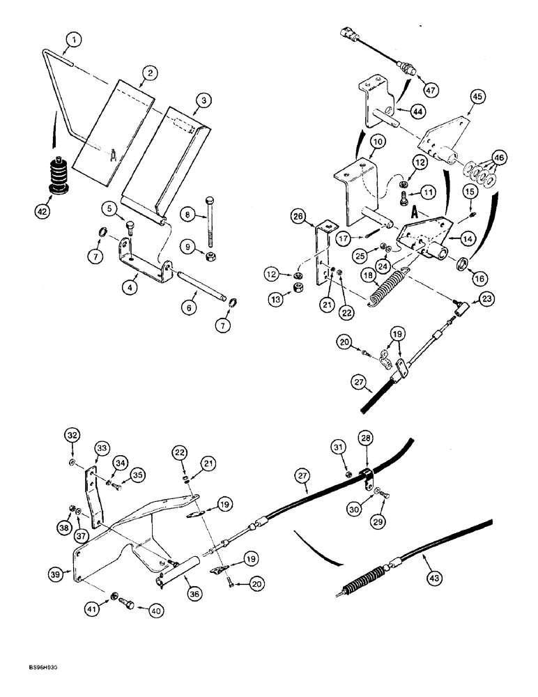
1

1339978C1

STEM

ROD - accelerator, foot, Serial Range: pedal-bellcrank

1шт.

2

L71193

ANTI-SKID STRIP

- non-skid, 3-1/2 x 8-51/64 inch

1шт.

3

1969946C1

PEDAL

- accelerator

1шт.

4

1969948C1

SUPPORT

MOUNT - accelerator pedal

1шт.

5

426-612

BOLT,Hex, 3/8" - 16 x 3/4", Gr 8

- hex, 3/8 NC x 3/4 inch, grade 8

2шт.

6

1969947C1

ROD

- pivot, pedal

1шт.

7

100-1137

SNAP RING,#37, Ext

Ring, Snap, #37, Ext

2шт.

8

113-2286

BOLT,Hex, 3/8" - 16 x 4", Gr 5

Hex 3/8"-16 x 4", G5

1шт.

9

425-106

NUT,3/8"-16, Cl 5

1шт.

10

113828A1

BRACKET

- accelerator bellcrank, no longer available, order Ref. 44, 113828A2 bracket

1шт.

11

426-612

BOLT,Hex, 3/8" - 16 x 3/4", Gr 8

- hex, 3/8 NC x 3/4 inch, grade 8

2шт.

12

492-11038

LOCK WASHER,3/8"

3шт.

13

425-106

NUT,3/8"-16, Cl 5

1шт.

14

1339981C2

LEVER ASSY.

LEVER - accelerator pivot, prior to P.I.N. JEE0052701

1шт.

15

219-8

LUBE NIPPLE,1/4" - 28 NPTF

NIPPLE, LUBE, , straight, taper 1/4"-28 NPT x .54" lg

1шт.

16

495-81176

WASHER,21/32" x 1" x .060"

- flat, 21/32 x 1 x 3/64 inch, used with Ref. 14, 1339981C2 lever

1шт.

17

432-820

COTTER PIN,1/8" x 1 1/4"

PIN, SPLIT (COTTER), 1/8" x 1-1/4"

1шт.

18

L106237

SPRING

- accelerator return

1шт.

19

L12441

CLAMP

- two-piece, cable

2шт.

20

463-11012

SCREW,Hex Hd, #10-24 x 3/4"

- machine, hex head, No. 10 NC x 3/4 inch

4шт.

21

492-11010

LOCK WASHER,#10

WASHER, LOCK, #10

4шт.

22

225-14110

NUT,#10-24

4шт.

23

A76747

BALL JOINT,#10 -32 x 7/8" L

- ball, throttle cable, at accelerator pivot lever

1шт.

24

495-31025

WASHER,3/16"

- flat, 1/4 x 9/16 x 3/64 inch

1шт.

25

131-63

LOCK NUT,1/4"-28, G8

NUT - light hex, self-locking, 1/4 inch NF

1шт.

26

L127151

SUPPORT

BRACKET - mounting, cable

1шт.

27

L127491

CABLE

- accelerator, no longer available, order Ref. 43, 133118A1 accelerator cable with boot

1шт.

28

515-2395

CLAMP,3/8", Insul, 3/8" Bolt

1шт.

29

426-616

BOLT,Hex, 3/8" - 16 x 1", Gr 8

1шт.

30

496-21041

WASHER,13/32" x 13/16" x .089", HDN

- flat, 13/32 x 13/16 x 3/32", hardened

1шт.

31

231-1446

NUT,3/8" - 16, Gr 5

NUT - hex, self-locking, 3/8 inch NC

1шт.

32

895-11006

WASHER,6.6mm ID x 12mm OD x 1.6mm Thk

2шт.

33

L125821

LEVER

BAR - support, ball joint at engine

1шт.

34

892-11006

LOCK WASHER,M6

WASHER, LOCK, M6

2шт.

35

614-6016

BOLT,Hex, M6 x 1 x 16mm, Cl 8.8, Full Thd

2шт.

36

1974525C1

BALL JOINT

JOINT - ball, throttle cable, at engine

1шт.

37

495-31025

WASHER,3/16"

- flat, 1/4 x 9/16 x 3/64 inch

1шт.

38

131-63

LOCK NUT,1/4"-28, G8

NUT - light hex, self-locking, 1/4 inch NF

1шт.

39

107324A1

SUPPORT

BRACKET - mounting, accelerator cable

1шт.

40

627-12025

BOLT,Hex, M12 x 1.75 x 25mm, Cl 10.9, Full Thd

- hex, full threads, 12 - 1.75 x 25 mm, class 10.9

2шт.

41

892-11012

LOCK WASHER,M12

WASHER, LOCK, M12

2шт.

42

113833A1

BOOT

- rubber

1шт.

43

133118A1

CABLE,2050mm L

- accelerator, with boot

1шт.

44

113828A2

BRACKET

- accelerator bellcrank

1шт.

45

241728A1

LEVER

- accelerator pivot, P.I.N. JEE0052701 and after

1шт.

46

495-81176

WASHER,21/32" x 1" x .060"

- flat, 21/32 x 1 x 3/64 inch, used with item 45, 241728A1 lever

4шт.

47

241956A1

SWITCH

- proximity, autoshift, P.I.N. JEE0052701 and after

1шт.

48

22-824

CABLE TIE,3/16" x 7 1/4"

STRAP - tie, 7 inch, Not shown

1шт.

49

627-12045

BOLT,Hex, M12 x 1.75 x 45mm, Cl 10.9, Full Thd

- hex, full threads, 12 - 1.75 x 45 mm, class 10.9, Not shown

1шт.

Выбрано товаров: 49