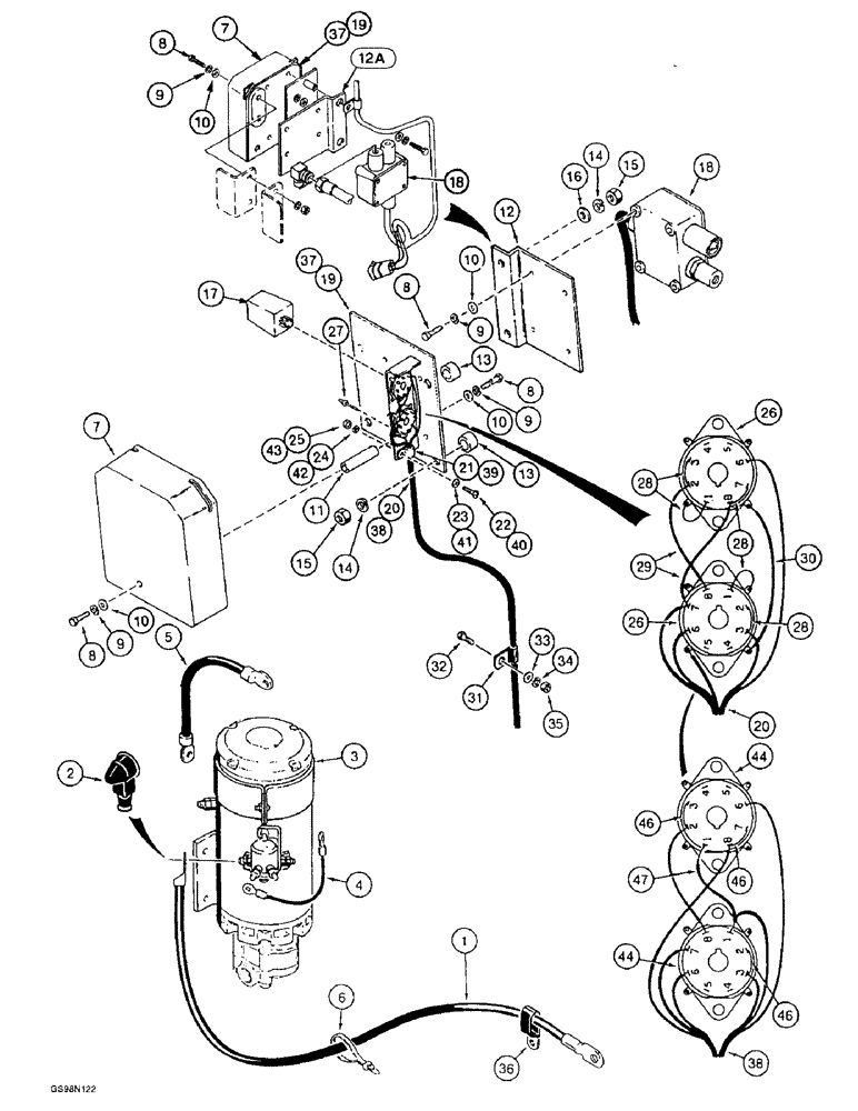
Запчасти Case 821B (4-34) - AUXILIARY STEERING ELECTRICAL CIRCUIT (04) - ELECTRICAL SYSTEMS

Схема запчастей Case 821B - (4-34) - AUXILIARY STEERING ELECTRICAL CIRCUIT (04) - ELECTRICAL SYSTEMS
36
10
28
26
40
44
46
24
28
17
7
2
7
1
46
15
38
38
30
47
39
32
12a
4
23
27
20
31
13
34
19
10
16
46
8
8
8
37
26
37
21
5
25
35
8
11
10
3
18
14
9
9
44
22
6
12
13
33
19
28
29
20
18
9
41
43
14
9
42
15
10
FIT
1:1
100%

Артикул

Название

Примечание

Количество

1

L130015

CABLE ASSY.

CABLE - starter to auxiliary steering pump

1шт.

2

L126713

BOOT

- plastic, cable at power steering pump

1шт.

3

REF

INSTRUCTION

PUMP AND MOTOR ASSEMBLY - auxiliary steering, see Fig. 5-12 for correct assembly

1шт.

4

A18457

ELECTRICAL WIRE

WIRE - ground, 320 mm (13 inch) long

1шт.

5

L57536

CABLE

- pump, ground, Serial Range: -JEE0053038

1шт.

5

20-2459T1

CABLE

- battery, pump, ground, Start Serial: JEE0053038

1шт.

6

L18337

CABLE TIE,9.95"-12.1" lg

STRAP - tie, 15 inch, nylon

1шт.

7

L114612

COVER

- relay panel

1шт.

8

426-412

BOLT,Hex, 1/4" - 20 x 3/4", Gr 8

- hex, 1/4 NC x 3/4 inch, grade 8

6шт.

9

492-11025

LOCK WASHER,1/4"

WASHER, LOCK, 1/4"

6шт.

10

495-11028

WASHER,1/4", SAE

(flat, 9/32 x 5/8 x 1/16") 1/4", SAE

6шт.

11

L114195

SPACER

- cover to socket assembly

1шт.

12

243564A1

BRACKET

- relay mounting, used with L126826 non rotated switch, Ref. 18, replaces L129945 bracket

1шт.

Attach to L124084 relay mounting panel, Ref. 1, shown on figure 4-32. Moisture and debris can enter the switch housing through the opening for the wiring harness.

1шт.

12a

243564A1

BRACKET

- relay mounting, used with L126826 rotated switch, Ref. 18

1шт.

13

S77915

SPACER

- bracket to socket assembly

2шт.

14

492-11038

LOCK WASHER,3/8"

4шт.

15

425-106

NUT,3/8"-16, Cl 5

4шт.

16

495-11041

WASHER,0.406" ID x 0.812" OD x 0.065" W

(Flat, 13/32 x 13/16 x 1/16") 3/8", SAE

2шт.

17

L113460

RELAY,24V

- steering, auxiliary

2шт.

18

L126826

IGNITION SWITCH

SWITCH - pressure, auxiliary steering, see Fig. 5-12 for pressure hose and auxiliary steering hydraulic circuit

1шт.

Attach to L124084 relay mounting panel, Ref. 1, shown on figure 4-32. Moisture and debris can enter the switch housing through the opening for the wiring harness.

1шт.

18a

A149798

FUSE

- tan, 5 ampere, not shown

1шт.

L129933

SOCKET

Assembly - relay, see page 4-35B for modification kit, includes: Ref. 19 - 30, Serial Range: -JEE0042310

1шт.

19

NSS

NOT SOLD SEPARAT

BRACKET - relay socket mounting

1шт.

20

NSS

NOT SOLD SEPARAT

HARNESS - relay

1шт.

21

L73526

CLAMP

- relay harness

1шт.

22

140-104

SCREW,Cross Pan Hd, #8 - 32 x 3/4"

1шт.

23

495-21019

WASHER,#8

1шт.

24

492-11008

LOCK WASHER,#8

Washer, Lock, #8

1шт.

25

225-14108

NUT,#8-32

- hex, No. 8 NC

1шт.

26

L57132

SOCKET

- relay

2шт.

27

151-526

RIVET,Pop, 1/8" x .337"

- Break mandrel Pop, 1/8" x .337"

4шт.

28

L70845

ELECTRICAL WIRE

WIRE - ground

5шт.

29

NSS

NOT SOLD SEPARAT

WIRE -, Serial Range: relay-relay

2шт.

30

NSS

NOT SOLD SEPARAT

WIRE -, Serial Range: socket-socket

1шт.

31

515-25111

CLAMP,7/16", Insul, 1/2" Bolt

P-type, Relay harness to hydraulic tank 7/16", Insul, 1/2" Bolt

1шт.

32

33-620

CARRIAGE BOLT,Sq Nk, 3/8" - 16 x 1 1/4", Gr 5

BOLT - carriage, 3/8 NC x 1-1/4 inch

1шт.

33

495-21044

WASHER,3/8"

(flat, 7/16 x 1 x 5/64 inch) 3/8"

1шт.

34

492-11038

LOCK WASHER,3/8"

1шт.

35

425-106

NUT,3/8"-16, Cl 5

1шт.

36

L71188

CLAMP,15.75mm ID, Coated, 13.46mm Bolt Hole, P Type

- P-type, 5/8 inch diameter, uses existing hardware

2шт.

192085A1

SUPPORT

SOCKET ASSEMBLY - relay, includes: Ref. 37 - 47, Start Serial: JEE0042310

1шт.

37

NSS

NOT SOLD SEPARAT

BRACKET - relay socket mounting

1шт.

38

NSS

NOT SOLD SEPARAT

HARNESS - relay

1шт.

39

L73526

CLAMP

- relay harness

1шт.

40

140-104

SCREW,Cross Pan Hd, #8 - 32 x 3/4"

1шт.

41

495-21019

WASHER,#8

1шт.

42

492-11008

LOCK WASHER,#8

Washer, Lock, #8

1шт.

43

225-14108

NUT,#8-32

- hex, No. 8 NC

1шт.

44

L57132

SOCKET

- relay

2шт.

45

151-526

RIVET,Pop, 1/8" x .337"

- Break mandrel Pop, 1/8" x .337"

4шт.

46

L70845

ELECTRICAL WIRE

WIRE - ground

3шт.

47

NSS

NOT SOLD SEPARAT

WIRE -, Serial Range: relay-relay

2шт.

Выбрано товаров: 54