Запчасти Case 921B (8-016) - HYDRAULIC CIRCUIT - COOLER BYPASS VALVE TO OIL FILTER AND HYDRAULIC RESERVOIR (08) - HYDRAULICS

Схема запчастей Case 921B - (8-016) - HYDRAULIC CIRCUIT - COOLER BYPASS VALVE TO OIL FILTER AND HYDRAULIC RESERVOIR (08) - HYDRAULICS
16
13
10
17
2
20
5
18
21
3
14
9
7
15
8
19
22
11
6
4
10
12
7
21
1
23
FIT
1:1
100%

Артикул

Название

Примечание

Количество

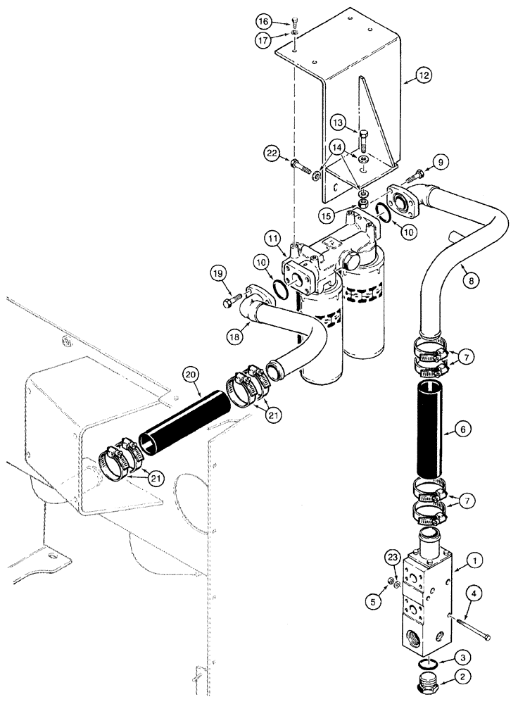
1

L127968

VALVE BODY

ASSEMBLY - cooler bypass, parts list figure 8-4

1шт.

2

218-5162

PLUG,Hex Hd, 1 7/8"-12 ORB

PLUG - hex, 1-7/8-12 inch O-ring boss

1шт.

3

237-6024

O-RING,0.118" Thk x 1.720" ID, -924, Cl 6, 90 Duro

1шт.

4

426-664

BOLT,Hex, 3/8" - 16 x 4", Gr 8

BOLT - hex, 3/8 NC x 4 inch, grade 8

2шт.

5

231-1446

NUT,3/8" - 16, Gr 5

2шт.

6

L130001

HOSE,69mm ID x 280mm L

280 mm (11 inch) long, cooler bypass valve to tube

1шт.

7

214-3148

HOSE CLAMP,2-1/4" - 3-1/8", HD Worm

Adj

4шт.

8

L128148

TUBE,50.8 mm OD

cooler bypass valve to filter

1шт.

9

426-824

BOLT,Hex, 1/2" - 13 x 1-1/2", Gr 8

4шт.

10

238-6228

O-RING,0.139" Thk x 2.234" ID, -228, Cl 6, 90 Duro

2шт.

11

L127992

FILTER ASSY

hydraulic oil, parts list figure 8-4

1шт.

12

L128567

SUPPORT

BRACKET - mounting, filter

1шт.

13

326-832

BOLT,Hex, 1/2" - 13 x 2", Gr 8

1шт.

14

187563A1

SPACER

13 x 25 x 28 mm

4шт.

15

231-1448

NUT,1/2"-13, GB

hex, self-locking, NC

1шт.

16

426-616

BOLT,Hex, 3/8" - 16 x 1", Gr 8

4шт.

17

492-11038

LOCK WASHER,3/8"

4шт.

18

L128151

TUBE,50.8 mm OD x 295, 307 mm L

filter to hose at hydraulic reservoir

1шт.

19

426-824

BOLT,Hex, 1/2" - 13 x 1-1/2", Gr 8

4шт.

20

L130001

HOSE,69mm ID x 280mm L

280 mm (1 1 inch) long, tube to hydraulic reservoir

1шт.

21

214-3148

HOSE CLAMP,2-1/4" - 3-1/8", HD Worm

Adj

4шт.

22

426-828

BOLT,Hex, 1/2" - 13 x 1-3/4", Gr 8

2шт.

23

495-21044

WASHER,3/8"

(flat, 7/16 x 1 x 5/64 inch)

2шт.

Выбрано товаров: 0