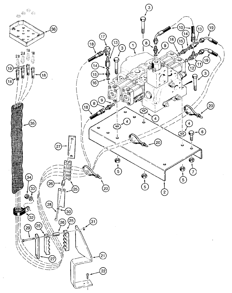
Запчасти Case 921B (8-046) - REMOTE LOADER CONTROL CIRCUIT - HOSE SEPARATOR TO TWO SPOOL VALVE (08) - HYDRAULICS

Схема запчастей Case 921B - (8-046) - REMOTE LOADER CONTROL CIRCUIT - HOSE SEPARATOR TO TWO SPOOL VALVE (08) - HYDRAULICS
21
18
13
32
20
22
5
19
27
11
25
4
14
33
9
4
14
7
2
29
3
15
4
3
3
5
26
18
18
6
28
36
27
16
19
5
13
12
20
35
25
15
25
26
9
34
31
19
30
1
17
8
10
16
18
8
20
FIT
1:1
100%

Артикул

Название

Примечание

Количество

1

136966A1

VALVE

ASSEMBLY - control, two spool, parts list figure 8-18

1шт.

2

L129610

SUPPORT

BRACKET - mounting, loader control valve

1шт.

3

426-1056

BOLT,Hex, 5/8" - 11 x 3-1/2", Gr 8

BOLT - hex, 5/8 NC x 3-1/2 inch, grade 8

3шт.

4

495-21069

WASHER,5/8"

flat, 11/16 x 1-3/4 x 9/64 inch

3шт.

5

232-14110

LOCK NUT,5/8"-11, GC

3шт.

6

426-1028

BOLT,Hex, 5/8" - 11 x 1-3/4", Gr 8

4шт.

7

232-14110

LOCK NUT,5/8"-11, GC

4шт.

8

218-5057

HYD CONNECTOR,9/16" - 18 JIC x 9/16" - 18 ORB

2шт.

10

1339964C1

HOSE,9.53mm ID x 501.7mm L, SAE 100R1

502 mm (19-7/8 inch) long, inlet and outlet section to tee at port 1A

1шт.

11

218-5243

TEE,9/16" - 18 Male JIC x 9/16" - 18 Male JIC x 9/16" - 18 Male ORB

1шт.

L110143

VALVE

check, loader lift, at ports 2A and 2B

2шт.

13

NSS

NOT SOLD SEPARAT

BODY - check valve

1шт.

15

218-5057

HYD CONNECTOR,9/16" - 18 JIC x 9/16" - 18 ORB

1шт.

17

218-980

ELBOW,90 Degree, 9/16"-18, 37 Degree x 9/16"-18, 37 Degree Fem Sw

1шт.

18

L129590

HOSE ASSY.

2900 mm (114-3/16 inch) long, hose separator to ports 1B and 2B

2шт.

19

L129587

HOSE ASSY.

3450 mm (135-7/8 inch) long, hose separator to ports 1A and 2A

2шт.

20

L18337

CABLE TIE,9.95"-12.1" lg

CABLE STRAP tie, 15 inch, retaining

3шт.

21

107426A1

SUPPORT

BRACKET - mounting, clamp

1шт.

22

61-45016

SCREW,1/2" - 13 x 1"

hex socket, 1/2 NC x 1 inch

2шт.

25

L124271

FIXING BRACKET

CLAMP - rubber, hose retaining

4шт.

26

L126936

SPACER

34 mm long, hose clamp

4шт.

27

L124270

LARGE PLATE

PLATE, LARGE mounting, hose clamp

2шт.

28

426-640

BOLT,Hex, 3/8" - 16 x 2-1/2", Gr 8

BOLT - hex, 3/8 NC x 2-1/2 inch, grade 8

2шт.

29

326-644

BOLT,Hex, 3/8" - 16 x 2-3/4", Gr 8

2шт.

30

492-11038

LOCK WASHER,3/8"

2шт.

31

231-1446

NUT,3/8" - 16, Gr 5

2шт.

32

515-25444

CLAMP,1 3/4", Insul, 7/16" Bolt

P-type, 1-3/4 inch ID

1шт.

33

495-21044

WASHER,3/8"

(flat, 7/16 x 1 x 5/64 inch)

1шт.

34

231-1446

NUT,3/8" - 16, Gr 5

1шт.

35

S120426

TUBE

GUARD - hose protector

1шт.

36

REF

INSTRUCTION

SEPARATOR - hose, loader control, see items 10 and 10A on figures 8-42 or 8-44 for correct separator

1шт.

9

237-6006

O-RING,0.078" Thk x 0.468" ID, -906, Cl 6, 90 Duro

1шт.

12

237-6006

O-RING,0.078" Thk x 0.468" ID, -906, Cl 6, 90 Duro

1шт.

14

237-6006

O-RING,0.078" Thk x 0.468" ID, -906, Cl 6, 90 Duro

1шт.

16

237-6006

O-RING,0.078" Thk x 0.468" ID, -906, Cl 6, 90 Duro

1шт.

Выбрано товаров: 35