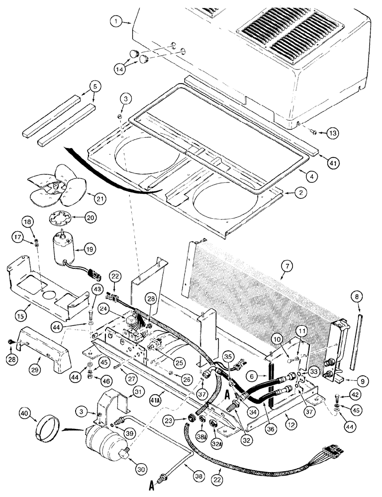
Запчасти Case 921B (9-070) - AIR CONDITIONING CONDENSER AND MOUNTING (09) - CHASSIS/ATTACHMENTS

Схема запчастей Case 921B - (9-070) - AIR CONDITIONING CONDENSER AND MOUNTING (09) - CHASSIS/ATTACHMENTS
28
6
13
44
17
39
4
5
19
32
3
11
37
20
18
15
28
45
21
42
22
8
22
33
45
14
41a
36
7
9
43
31
3
38a
37
40
34
12
38
10
35
1
29
27
24
2
30
32a
46
44
23
25
44
26
41
FIT
1:1
100%

Артикул

Название

Примечание

Количество

178301A1

ASSEMBLY

CONDENSER - air conditioning, if used

1шт.

1

178303A1

COVER ASSY

condenser unit, includes item 41 shown below

1шт.

2

1974863C2

PROTECTOR

SHROUD - fan

1шт.

3

425-104

NUT,1/4"-20, Cl 5

15шт.

4

1977898C1

SEAL

SEAL - 2032 mm (80 inch) long, cut from 198573C1 bulk seal, see below

1шт.

5

1977899C1

SEAL

SEAL - 1045 mm (41-1/8 inch) long, cut from 198573C1 bulk seal, see below

2шт.

6

1327979C1

MOLDING

TRIM - edge, 152 mm (6 inch) long, cut from 1330108CX bulk trim, see below

1шт.

7

97213C2

CONDENSER

air conditioning

1шт.

8

1977901C1

SEAL

SEAL - 227 mm (9 inch) long, cut from 198573C1 bulk seal, see below

2шт.

9

1977900C1

SEAL

SEAL - 787 mm (31 inch) long, cut from 1977902CX bulk seal, see below

1шт.

10

463-1258

SCREW,Hex Hd, 1/4"-20 x 1/2"

4шт.

11

492-11025

LOCK WASHER,1/4"

4шт.

12

138583A1

SUPPORT

PLATE - support

1шт.

13

440-1258

SCREW,Cross Pan Hd, 1/4"-20 x 1/2"

4шт.

14

205-104

HOLE PLUG BUTTON,1"

Replaces H435478

2шт.

15

137511A1

GUARD

MOUNT - fan motor

2шт.

17

492-11010

LOCK WASHER,#10

4шт.

18

225-14210

NUT,#10-32

4шт.

19

1977427C2

MOTOR, ELECTRIC

fan, 24 volt

2шт.

19

1977427C2R

REMAN-ELECTRIC MOTOR

921B

2шт.

19

1977427C2C

CORE-ELECTRIC MOTOR

Return Number

2шт.

20

138897A1

SPACER

SHIM - motor

2шт.

21

1977731C1

FAN

BLADE - fan, 9 inch diameter

2шт.

22

137333A1

HARNESS

condenser

1шт.

23

248-1243

GROMMET,1/2" ID x 13/16" Groove Dia, Diag Cut

Rubber

1шт.

24

198161A1

RELAY

mini, 24 volt, replaces A186288

2шт.

25

A187825

RELAY

BREAKER - circuit, 10 ampere

2шт.

26

225-14210

NUT,#10-32

1шт.

27

440-10812

SCREW,Cross Pan Hd, #8-32 x 3/4"

4шт.

28

459-1108

SCREW,Slotted Pan Hd, #10-32 x 1/2"

4шт.

29

1977847C1

COVER

relay

1шт.

1330108CX

SEAL,304.8mm L

TRIM - edge, bulk, 15240 mm (600 inch) long

1шт.

198573C1

STRIP

SEAL - bulk, 13 (1/2) wide x 15240 mm (600 inch) long

1шт.

1977902CX

SEAL

bulk, 25 (1) wide x 15240 mm (600 inch) long

1шт.

30

1990758C2

RECEIVER-DRYER

air conditioning

1шт.

31

1974861C1

SUPPORT

BRACKET - receiver-drier

1шт.

32

1954630C3

HOSE

380 mm (15 inch) long, supply, attaches to compressor hose

1шт.

32a

NSS

NOT SOLD SEPARAT

NUT - special, included with hose

1шт.

33

238-5013

O-RING,0.07" Thk x 0.426" ID, -13, Cl 5, 75 Duro

1шт.

34

1250594C2

CORE

VALVE - hose

1шт.

35

178460A1

PLUG

CAP - valve

1шт.

36

1954627C2

HOSE

500 mm (19-11/16 inch) long, Serial Range: condenser-receiver-drier

1шт.

37

238-5011

O-RING,0.07" Thk x 0.301" ID, -11, Cl 5, 75 Duro

2шт.

38

1954628C3

TUBE

TUBE - return

1шт.

38a

425-1510

JAM NUT,Jam, 5/8"-18, G5

1шт.

39

238-5011

O-RING,0.07" Thk x 0.301" ID, -11, Cl 5, 75 Duro

1шт.

40

180623C1

SEAL

SEAL - 271 mm (10-11/1 6 inch) long, cut from 1281436C1 bulk strip, see below

1шт.

41

1977897C1

SEAL

SEAL - 750 mm (29-1/2 inch) long, cut from 1977902CX bulk seal, see below

1шт.

41a

1999409C1

FOAM

urethane, 12 inch (305 mm) long, support plate insulator, lower rear

1шт.

42

426-628

BOLT,Hex, 3/8" - 16 x 1-3/4", Gr 8

2шт.

43

426-620

BOLT,Hex, 3/8" - 16 x 1-1/4", Gr 8

2шт.

44

495-21044

WASHER,3/8"

(flat, 7/16 x 1 x 5/64 inch)

6шт.

45

492-11038

LOCK WASHER,3/8"

4шт.

46

425-106

NUT,3/8"-16, Cl 5

2шт.

198530C1

SEAL

SEAL - bulk, 22 (7/8) wide x 15240 mm (600 inch) long

1шт.

1977902CX

SEAL

bulk, 25 (1) wide x 15240 mm (600 inch) long

1шт.

Выбрано товаров: 56