Запчасти Case 921B (4-030) - AUXILIARY STEERING ELECTRICAL CIRCUIT (04) - ELECTRICAL SYSTEMS

Схема запчастей Case 921B - (4-030) - AUXILIARY STEERING ELECTRICAL CIRCUIT (04) - ELECTRICAL SYSTEMS
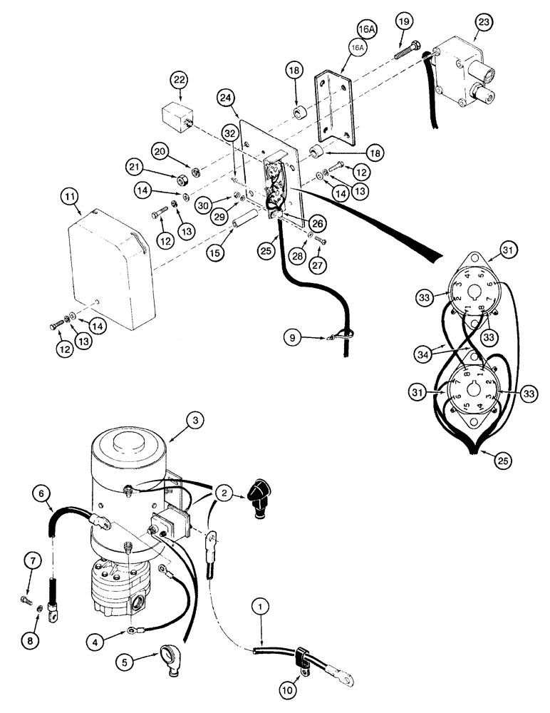
8
1
14
26
3
13
18
33
2
4
9
21
29
12
33
18
28
14
33
32
31
13
30
14
12
27
7
16a
22
10
20
15
24
34
23
16a
12
11
13
31
19
6
25
25
5
FIT
1:1
100%

Артикул

Название

Примечание

Количество

1

130815A1

CABLE

1320 mm (52 inch) long, starter to solenoid, if used

1шт.

1

278999A1

CABLE ASSY.

930 mm (36-5/8 inch) long, starter to solenoid, if used

1шт.

2

L126713

BOOT

plastic, front of solenoid

1-3шт.

3

107627A1

PUMP, HYDRAULIC

AND MOTOR ASSEMBLY - auxiliary steering, see figure 5-18 for mounting and parts list

1шт.

4

185028A1

CABLE

WIRE - jumper, 127 mm (5 inch) long, solenoid to pump, if used

1шт.

5

S64612

BOOT

rubber, rear harness and jumper wire on rear of solenoid

2шт.

6

176182A1

CABLE

ground, 48-7/16 inch (1230 mm) long, Serial Range: solenoid-engine

1шт.

7

627-12025

BOLT,Hex, M12 x 1.75 x 25mm, Cl 10.9, Full Thd

1шт.

8

892-11012

LOCK WASHER,M12

1шт.

9

L18337

CABLE TIE,9.95"-12.1" lg

CABLE STRAP tie, 15 inch

1шт.

10

515-23159

CLAMP,5/8", Insul, 3/8" Bolt

P-type, Uses existing hardware, Mounts to bracket on rear of hydraulic reservoir

2шт.

11

L114612

COVER

relay panel

1шт.

12

426-412

BOLT,Hex, 1/4" - 20 x 3/4", Gr 8

6шт.

13

492-11025

LOCK WASHER,1/4"

6шт.

14

495-11028

WASHER,1/4", SAE

(flat, 9/32 x 5/8 x 1/16")

6шт.

15

L114195

SPACER

relay cover

1шт.

16

L129136

SUPPORT

BRACKET - relay mounting, mounts to hydraulic reservoir shown on figure 8-2, used with L126826 non rotated switch, item 23, no longer available, order 243555A1 bracket below

1шт.

Moisture and debris can enter the switch housing through the opening for the wiring harness.

1шт.

16a

243555A1

SUPPORT

BRACKET - relay mounting, mounts to hydraulic reservoir shown on figure 8-3, used with L126826 rotated switch, item 23

1шт.

Moisture and debris can enter the switch housing through the opening for the wiring harness.

1шт.

17

231-1446

NUT,3/8" - 16, Gr 5

2шт.

18

S77915

SPACER

bracket to relay socket

2шт.

19

426-624

BOLT,Hex, 3/8" - 16 x 1-1/2", Gr 8

2шт.

20

492-11038

LOCK WASHER,3/8"

2шт.

21

425-106

NUT,3/8"-16, Cl 5

2шт.

22

L113460

RELAY,24V

steering, auxiliary

2шт.

23

L126826

IGNITION SWITCH

pressure, auxiliary steering see figure 8-58 for pressure hose and 5-16 auxiliary steering hydraulic circuit

1шт.

141321A1

CONNECTION

SOCKET ASSEMBLY - relay, auxiliary steering

1шт.

24

NSS

NOT SOLD SEPARAT

BRACKET - relay socket mounting

1шт.

25

NSS

NOT SOLD SEPARAT

HARNESS - relay

1шт.

26

L73526

CLAMP

relay harness

1шт.

27

140-104

SCREW,Cross Pan Hd, #8 - 32 x 3/4"

1шт.

28

495-21019

WASHER,#8

1шт.

29

492-11008

LOCK WASHER,#8

1шт.

30

225-14108

NUT,#8-32

hex, No. 8 NC

1шт.

31

L57132

SOCKET

relay

2шт.

32

151-526

RIVET,Pop, 1/8" x .337"

Break mandrel

4шт.

33

L70845

ELECTRICAL WIRE

WIRE ground

3шт.

34

NSS

NOT SOLD SEPARAT

WIRE -, Serial Range: relay-relay

2шт.

35

22-824

CABLE TIE,3/16" x 7 1/4"

CABLE STRAP Not shown

1шт.

36

627-12045

BOLT,Hex, M12 x 1.75 x 45mm, Cl 10.9, Full Thd

Not Shown

1шт.

Выбрано товаров: 41