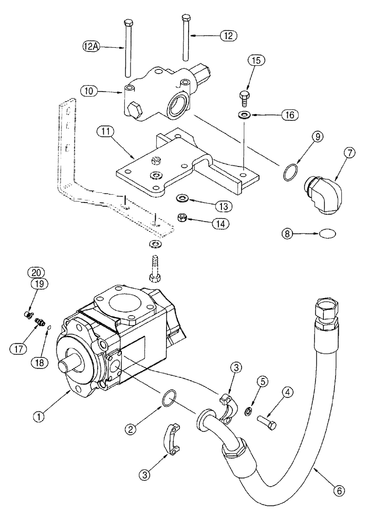
Запчасти Case 921B (5-004[A]) - STEERING HYD CIRCUIT, PRESSURE & RETURN LINES, PUMP TO FLOW CONTROL VALVE, P.I.N. JEE0051800 & AFTER (05) - STEERING

Схема запчастей Case 921B - (5-004[A]) - STEERING HYD CIRCUIT, PRESSURE & RETURN LINES, PUMP TO FLOW CONTROL VALVE, P.I.N. JEE0051800 & AFTER (05) - STEERING
9
2
1
12a
12
4
3
13
10
16
19
18
20
6
3
8
5
7
11
15
17
14
FIT
1:1
100%

Артикул

Название

Примечание

Количество

1

195854A1

PUMP, HYDRAULIC,132.57 CC

ASSY - equipment and steering, parts list figure 8-7A, see figure 8-8 for mounting

1шт.

195854A1R

REMAN-HYD PUMP

921B

1шт.

195854A1C

CORE-HYDRAULIC PUMP

Return Number

1шт.

2

238-6222

O-RING,0.139" Thk x 1.484" ID, -222, Cl 6, 90 Duro

1шт.

3

A12301

CLAMP,Half

CLAMP - split flange

2шт.

4

614-12035

BOLT,Hex, M12 x 1.75 x 35mm, Cl 8.8, Full Thd

4шт.

5

892-11012

LOCK WASHER,M12

4шт.

6

244741A1

HOSE

1300 mm (51-3/16 inch) long, pump to flow control valve

1шт.

7

201-354

ELBOW,45 Degree Elbow, 1-11/16" - 12 Male ORFS x 1-5/8" - 12 Male ORB

45 degree, 1-11/16-12 face seal x 1-5/8-12 inch adj O-ring boss

1шт.

8

238-6025

O-RING,0.07" Thk x 1.176" ID, -25, Cl 6, 90 Duro

Face seal end

1шт.

9

237-6020

O-RING,0.118" Thk x 1.475" ID, -920, Cl 6, 90 Duro

Boss end

1шт.

10

L128074

VALVE

ASSEMBLY - flow control, parts list figure 5-20

1шт.

11

L129296

SUPPORT

BRACKET - mounting, flow control valve

1шт.

12

426-872

BOLT,Hex, 1/2" - 13 x 4-1/2", Gr 8

1шт.

12a

426-876

BOLT,Hex, 1/2" - 13 x 4-3/4", Gr 8

BOLT - hex, 1/2 NC x 4-3/4 inch, grade 8

1шт.

13

495-11053

WASHER,1/2", SAE

(17/32" x 1-1/16" x 3/32")

2шт.

14

231-1448

NUT,1/2"-13, GB

hex, self-locking, NC

2шт.

15

426-820

BOLT,Hex, 1/2" - 13 x 1-1/4", Gr 8

2шт.

16

80679

LOCK WASHER,1/20.507 CST ZND

2шт.

S243647

COUPLING

ASSEMBLY - quick disconnect

1шт.

17

NSS

NOT SOLD SEPARAT

COUPLING - quick disconnect

1шт.

19

S301201

CAP

dust, if used

1шт.

20

H434163

DUST CAP

If used

1шт.

18

237-6006

O-RING,0.078" Thk x 0.468" ID, -906, Cl 6, 90 Duro

1шт.

Выбрано товаров: 24