Запчасти Case 921B (6-009[A]) - TRANSMISSION ASSEMBLY HOUSING, P.I.N. JEE0052701 (06) - POWER TRAIN

Схема запчастей Case 921B - (6-009[A]) - TRANSMISSION ASSEMBLY HOUSING, P.I.N. JEE0052701 (06) - POWER TRAIN
2
18
17
19
33
22
22
24
16
28
15
23
14
12
9
21
4
16
10
8
5
29
24
20
30
32
1
13
11
7
15
25
27
31
23
26
3
6
FIT
1:1
100%

Артикул

Название

Примечание

Количество

241955A1

TRANSMISSION

ASSEMBLY - new, ZF No. 4646 004 065, parts list figures 6-8 - 6-36, 7-3 and item 4 on figure 6-4 and items 4 - 6 on figure 6-6

1шт.

241955A1R

REMAN-TRANSMISSION

Remanufactured Transmission; For N.A. only; 921B, P.I.N. JEE0052701 & After, Model Number 4WG250, Stock Number 4646 004 066

1шт.

241955A1C

CORE-TRANSMISSION

Return number - For N.A. only

1шт.

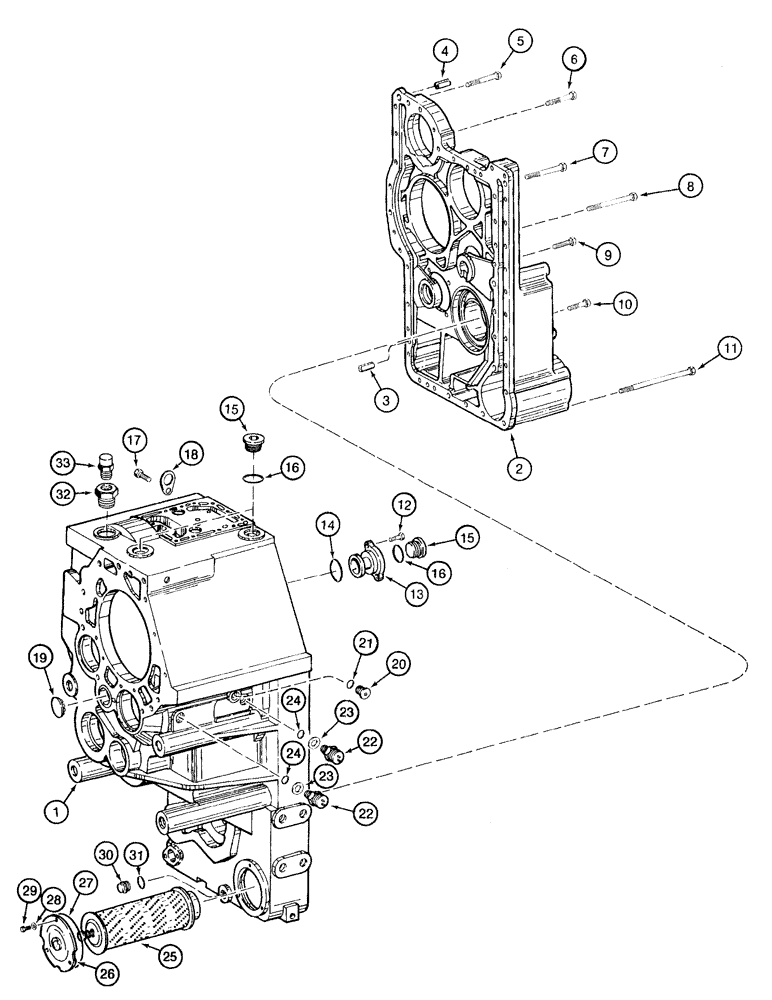
1

100069A1

HOUSING

transmission

1шт.

2

100070A1

COVER

front, transmission housing

1шт.

3

100073A1

PIN, SPLIT (COTTER)

PIN, COTTER dowel, Serial Range: cover-housing

2шт.

4

100089A1

PIN, SPLIT (COTTER)

PIN, COTTER roll, Serial Range: cover-housing

1шт.

5

814-10040

BOLT,Hex, M10 x 1.5 x 40mm, Cl 8.8

7шт.

6

814-10060

BOLT,Hex, M10 x 1.5 x 60mm, Cl 8.8

2шт.

7

814-10070

BOLT,Hex, M10 x 1.5 x 70mm, Cl 8.8

5шт.

8

129796A1

BOLT,Hex, M10 x 1.5 x 80mm, Cl 8.8

BOLT - hex, special, 10 - 1.5 x 80 mm

2шт.

9

100071A1

BOLT

hex, special, 10 - 1.5 x 32 mm

12шт.

10

129794A1

SCREW,M10 x 32mm, Gr 8.8

BOLT - hex, special, 10 - 1.5 x 32 mm

2шт.

11

100078A1

BOLT

hex, special, 10 - 1.5 x 215 mm

8шт.

12

100086A1

BOLT

hex, special, 8 - 1.25 x 18 mm

1шт.

13

100085A1

PLUG

housing, upper front

1шт.

14

100084A1

O-RING,52mm ID x 3mm Width

plug

1шт.

15

100087A1

PLUG

hex socket, special, 42 x 2 mm

3шт.

16

A52096

O-RING,2.5mm Thk x 38mm ID

plug

3шт.

17

100082A1

BOLT

hex, special, 16 - 2 x 25 mm

3шт.

18

100081A1

LARGE PLATE

PLATE, LARGE support

3шт.

19

100083A1

CAP

transmission housing, upper

1шт.

20

129792A1

PLUG

hex socket, special, 18 x 1.5 mm

1шт.

21

106970A1

SEALING RING

SEAL - plug

1шт.

22

100375A1

SENSOR

SENSOR - speed

2шт.

23

S300497

SHIM,1.5mm Thk

If used

1шт.

23

S300498

SHIM,1.4mm Thk

SHIM, , if used 1.4mm Thk

1шт.

23

S300499

SHIM,1.2mm Thk

SHIM, , if used 1.2mm Thk

1шт.

23

S300500

SHIM,1mm Thk

If used

1шт.

23

S300501

SHIM,2mm Thk

If used

1шт.

23

S300502

SHIM,0.5mm Thk

If used

1шт.

23

S300503

SHIM,0.3mm Thk

If used

1шт.

23

S300504

SHIM,0.2mm Thk

If used

1шт.

23

S300505

BLOCK

SHIM - 1.6 mm thick, if used

1шт.

23

S300506

SHIM,1.8mm Thk

If used

1шт.

24

106970A1

SEALING RING

SEAL - sensor

1шт.

25

S302041

FILTER, ELEMENT

ELEMENT, FILTER suction, transmission oil

1шт.

26

S302042

COVER

filter

1шт.

27

898154H1

O-RING

O-RING - filter cover, filter cover

1шт.

28

895-11008

WASHER,9mm ID x 16mm OD x 1.6mm Thk

3шт.

29

613-8018

BOLT,Hex, M8 x 1.25 x 18mm, Cl 8.8, Full Thd

BOLT - hex, 8 - 1.25 x 18 mm

3шт.

30

E135080

PLUG

hex, special, 22 x 1.5 mm

1шт.

31

100080A1

O-RING,2mm Thk x 19mm ID, 70 Duro

plug

1шт.

32

129650A1

ADAPTER

breather

1шт.

33

N14704

BREATHER

transmission

1шт.

Выбрано товаров: 45