Запчасти Case 921B (6-010) - TRANSMISSION ASSEMBLY - IDLER GEAR, CONVERTER AND COVER (06) - POWER TRAIN

Схема запчастей Case 921B - (6-010) - TRANSMISSION ASSEMBLY - IDLER GEAR, CONVERTER AND COVER (06) - POWER TRAIN
8
4
16
13
24
26
26
21
23
17
15
9
7
20
18a
11
27
12
14
22
25
10
1
5
19
3
18
2
6
FIT
1:1
100%

Артикул

Название

Примечание

Количество

114363A1

TRANSMISSION

ASSEMBLY - new, ZF No. 4646 004 027, prior to P.I.N. JEE0052701, parts list figures 6-8 - 6-36, 7-3, and item 4, figure 6-4 and items 4 - 6, figure 6-6

1шт.

114363A1R

REMAN-TRANSMISSION

921, Model Number 4WG250, Stock Number 4646 004 037

1шт.

114363A1C

CORE-TRANSMISSION

Return Number

1шт.

241955A1

TRANSMISSION

ASSEMBLY - new, ZF No. 4646 004 065, P.I.N. JEE0052701 and after, parts list figures 6-8 - 6-36, 7-3 and item 4 on figure 6-4 and item 4 - 6 on figure 6-6

1шт.

241955A1R

REMAN-TRANSMISSION

Remanufactured Transmission; 921B, P.I.N. JEE0052701 & After, Model Number 4WG250, Stock Number 4646 004 066

1шт.

241955A1C

CORE-TRANSMISSION

Return Number

1шт.

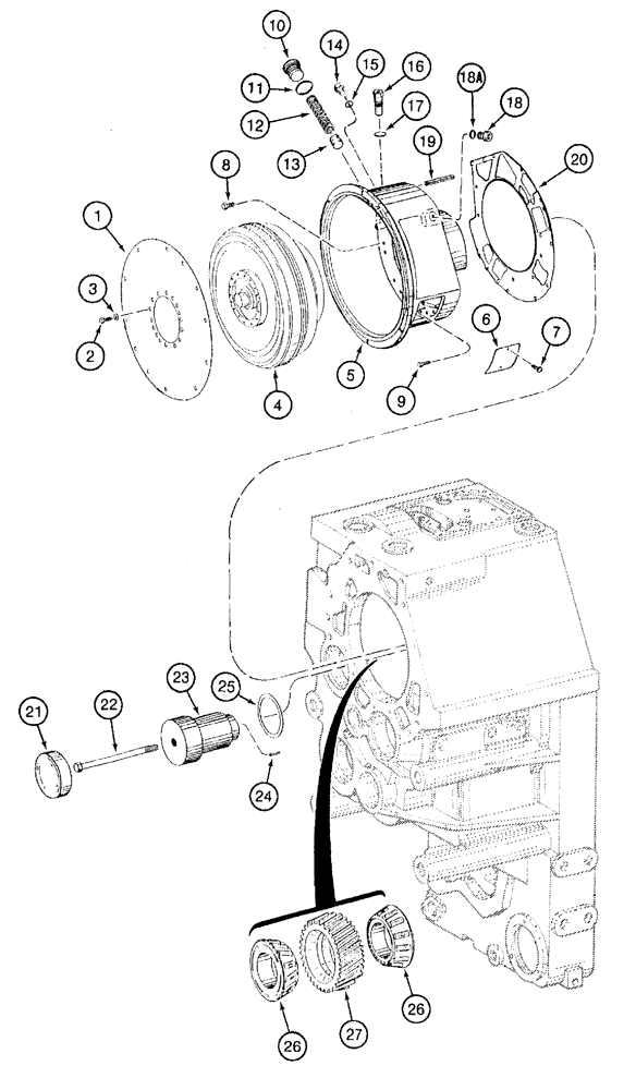
1

S301901

LARGE PLATE

PLATE, LARGE converter

3шт.

2

111981A1

BOLT

hex, special

16шт.

3

895-11010

WASHER,11mm ID x 20mm OD x 2mm Thk

16шт.

4

S301827

CONVERTER

transmission

1шт.

4

8605376R

REMAN-TORQUE CONVERT

ER Remanufactured

1шт.

4

8605376C

CORE-TORQUE CONVERTR

CORE-Torque Converter Return Number

1шт.

5

199174A1

BELL HOUSING

converter, 114363A1 transmission, replaces 185185A1 housing

1шт.

5

252156A1

HOUSING

converter, 241955A1 transmission

1шт.

6

S301826

LARGE PLATE

PLATE, LARGE converter

1шт.

7

S301491

STUD

grooved

2шт.

8

626-12035

BOLT,Hex, M12 x 1.75 x 35mm, Cl 10.9, Full Thd

10шт.

9

100099A1

BOLT

hex, special, 8 - 1.25 x 30 mm, class 10.9

4шт.

10

E135077

PLUG,Hex, M36 x 1.5

hex socket, special

1шт.

11

81168C1

O-RING,2.65mm Thk x 32.5mm ID, Cl 5, 75 Duro

plug

1шт.

12

100103A1

SPRING

compression

1шт.

13

100101A1

PISTON

converter housing

1шт.

14

100113A1

PLUG

hex, special, 10 x 1 mm

1шт.

15

100114A1

O-RING,8mm ID x 1.5mm Width

plug

1шт.

16

100112A1

ADAPTER

converter housing

1шт.

17

1968430C1

O-RING

adapter

1шт.

18

100087A1

PLUG

hex socket, special, 42 x 2 mm

2шт.

18a

A52096

O-RING,2.5mm Thk x 38mm ID

plug

2шт.

19

100105A1

PIN

roll

1шт.

20

S301836

GASKET

housing

1шт.

21

100130A1

COVER

stub axle

1шт.

22

100127A1

BOLT

hex, special, 10 - 1.5 x 120 mm

1шт.

23

100128A1

AXLE

Stub, idler gear

1шт.

24

100129A1

SLOTTED PIN

Roll, stub axle

1шт.

25

100117A1

BLOCK

SHIM - 1.0 mm, if used

1шт.

25

100118A1

BLOCK

SHIM - 1.2 mm, if used

1шт.

25

100120A1

BLOCK

SHIM - 2.0 mm, if used

1шт.

25

252172A1

WASHER

SHIM - 2.5 mm, if used

1шт.

25

100121A1

BLOCK

SHIM - 2.8 mm, if used

1шт.

25

100123A1

WASHER

SHIM - 2.9 mm, if used

1шт.

25

100125A1

WASHER

SHIM - 3.1 mm, if used

1шт.

25

100126A1

BLOCK

SHIM - 3.3 mm, if used

1шт.

26

100116A1

ROLLER BEARING,60mm ID x 95mm OD x 23mm

tapered roller, use with item 27, gear

2шт.

27

127673A1

GEAR

GEAR - reverse idler, internal bearing cups, use with item 26, bearings, 114363A1 transmission

1шт.

27

184536A1

PINION

GEAR - reverse idler, internal bearing cups, use with item 26, bearings, 241955A1 transmission

1шт.

Выбрано товаров: 45