Запчасти Case 621C (06-018) - TRANSMISSION ASSEMBLY HOUSING TUBES (06) - POWER TRAIN

Схема запчастей Case 621C - (06-018) - TRANSMISSION ASSEMBLY HOUSING TUBES (06) - POWER TRAIN
2
1
8
6
7
4
2
5
3
2
5
FIT
1:1
100%

Артикул

Название

Примечание

Количество

196172A1

TRANSMISSION

ASSY., Consists of: Fig. 6-15 - 6-61, 7-3

1шт.

196172A1R

REMAN-TRANSMISSION

621C CASE WHEEL LOADER, ASSY (1/99-)

1шт.

196172A1C

CORE-TRANSMISSION

Return Number

1шт.

318999A1R

REMAN-TRANSMISSION

Remanufactured Transmission; For N.A. only

1шт.

318999A1C

CORE-TRANSMISSION

Return number - For N.A. only

1шт.

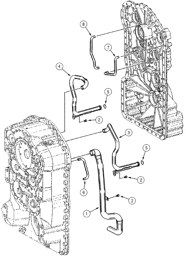
1

330821A1

TUBE

suction

1шт.

2

330806A1

CAPSCREW,M8 x 12mm

3шт.

3

330822A1

PIPE

TUBE, Includes: Ref. 5

1шт.

4

330823A1

PIPE

TUBE, Includes: Ref. 5

1шт.

5

330827A1

O-RING

2шт.

6

330824A1

PIPE

TUBE

1шт.

7

330825A1

PIPE

TUBE

1шт.

8

330826A1

PIPE

TUBE

1шт.

Выбрано товаров: 13